GM Service Manual Online
For 1990-2009 cars only
Makes
🢒
Oldsmobile
🢒
2001
🢒
Aurora
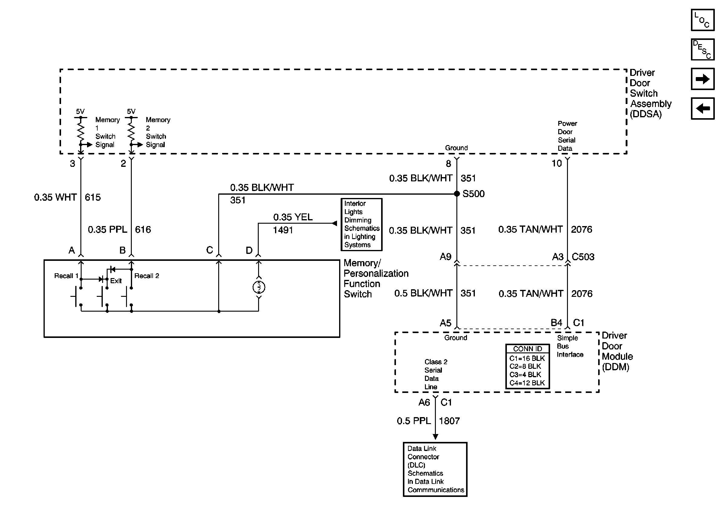
🢒 Memory Function Switch
Memory Function Switch
Memory Function Switch
Master Electrical Component List
Memory Seats Description and Operation
Power, Ground, Driver Seat Adjuster Switch and MSM
Serial Data Class 2
Front Door Dimming