GM Service Manual Online
For 1990-2009 cars only
Makes
🢒
Oldsmobile
🢒
2002
🢒
Aurora
🢒 Engine Data Sensors - Pressure and Temperature
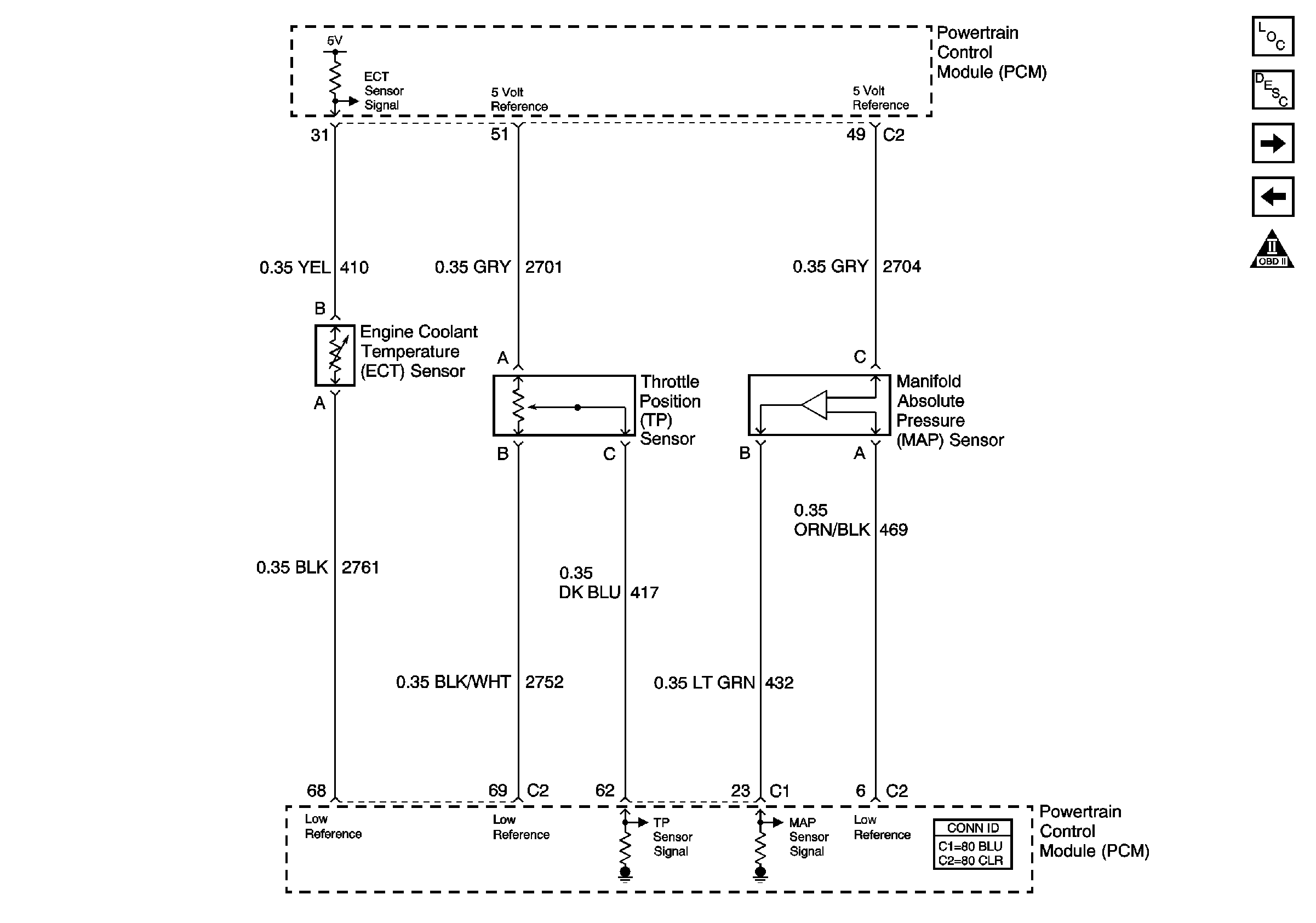
Engine Data Sensors - Pressure and Temperature
Engine Data Sensors -- Pressure and Temperature
Master Electrical Component List
Powertrain Control Module Description
Engine Data Sensors - MAF, VSS, and Extended Brake Travel Switch
Engine Data Sensors - 5 Volt and Low Reference
OBD II Symbol Description Notice