GM Service Manual Online
For 1990-2009 cars only
Makes
🢒
Oldsmobile
🢒
2002
🢒
Aurora
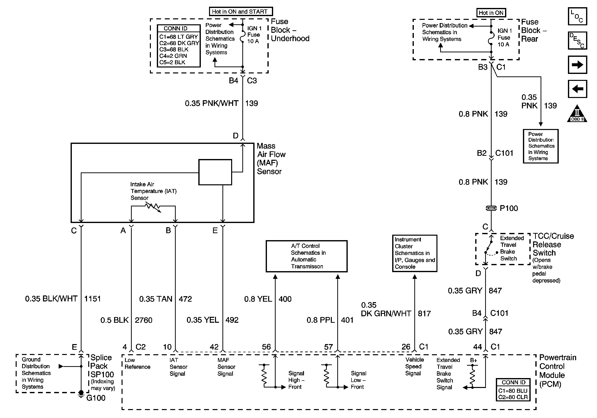
🢒 Engine Data Sensors - MAF, VSS, and Extended Brake Travel Switch
Engine Data Sensors - MAF, VSS, and Extended Brake Travel Switch
Engine Data Sensors -- MAF, VSS, and Extended Brake Travel Switch
Master Electrical Component List
Air Intake System Description
Engine Data Sensors - O2S and/or HO2S
Engine Data Sensors - Pressure and Temperature
OBD II Symbol Description Notice
Battery Feed to the Fuse Block-Underhood
G100 and G102, L47
Battery Feed to the Fuse Block-Underhood
L47 IGN 1, OXY SEN, DIS Fuses and IGN 1 Relay (Fuse Block-Underhood)
Gages
Transmission Inputs