GM Service Manual Online
For 1990-2009 cars only
Makes
🢒
Oldsmobile
🢒
2002
🢒
Aurora
🢒 Dimming Control
Dimming Control
Dimming Control
Master Electrical Component List
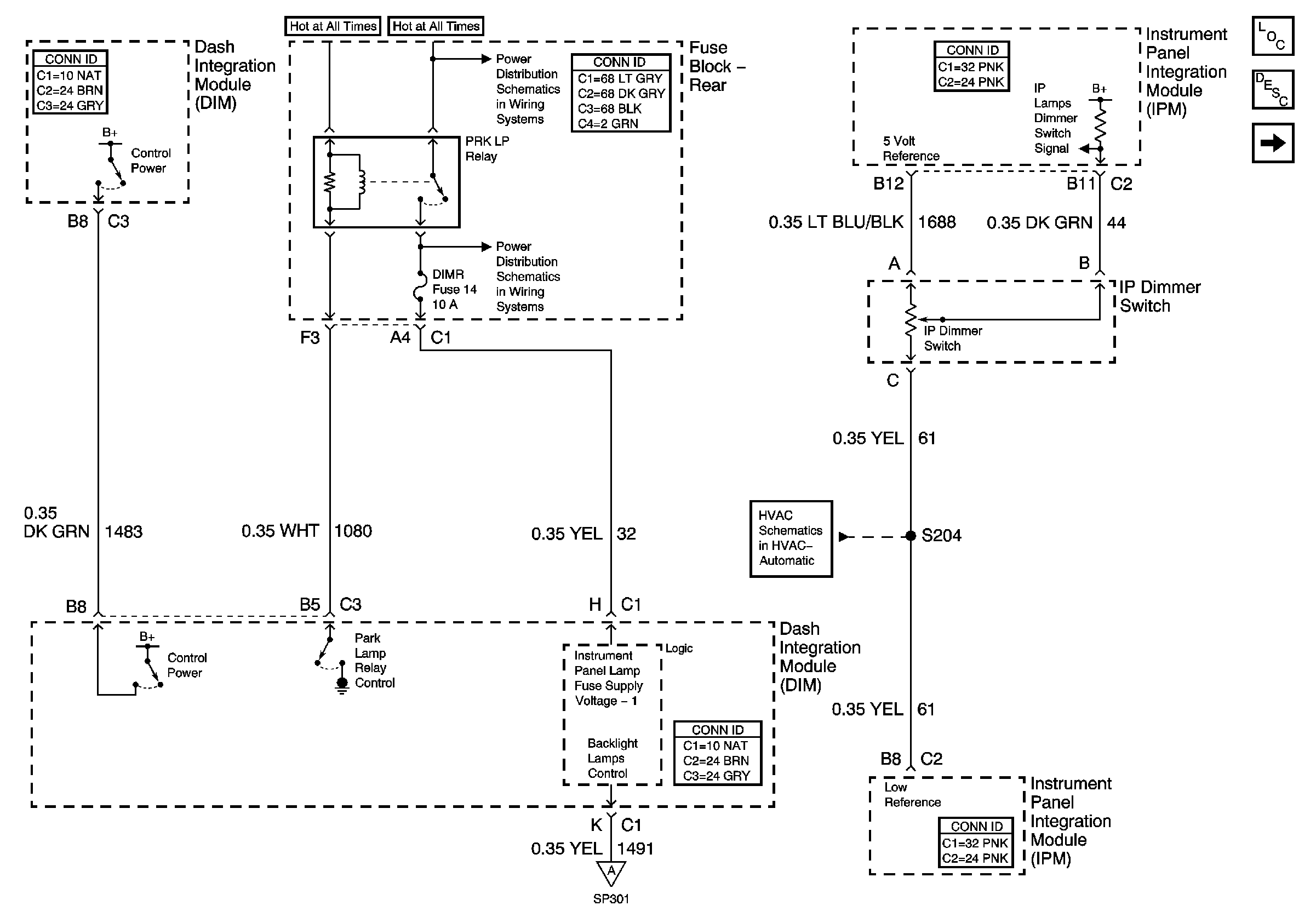
Interior Lighting Systems Description and Operation
Instrument Panel/Console Dimming
Battery Feed to the Fuse Block-Rear
Battery Feed to the Fuse Block-Rear
Air Temperature Sensors
Instrument Panel/Console Dimming
Instrument Panel/Console Dimming