GM Service Manual Online
For 1990-2009 cars only
Makes
🢒
Oldsmobile
🢒
2002
🢒
Aurora
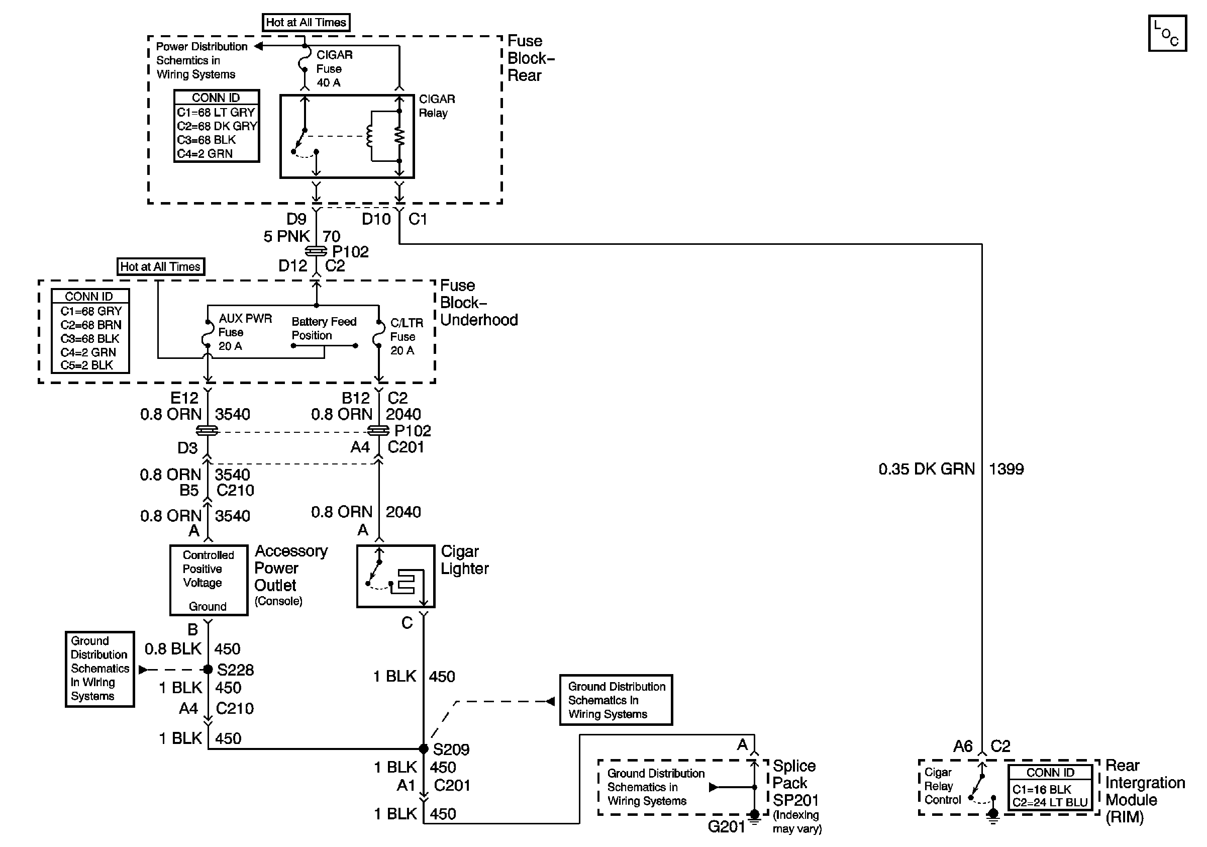
🢒 Cigar Lighter/Auxiliary Outlets
Cigar Lighter/Auxiliary Outlets
Master Electrical Component List
Battery Feed to the Fuse Block-Rear
G201 (1 of 2)
G201 (1 of 2)
G201 (1 of 2)