GM Service Manual Online
For 1990-2009 cars only
Makes
🢒
Oldsmobile
🢒
2003
🢒
Aurora
🢒 Gauges
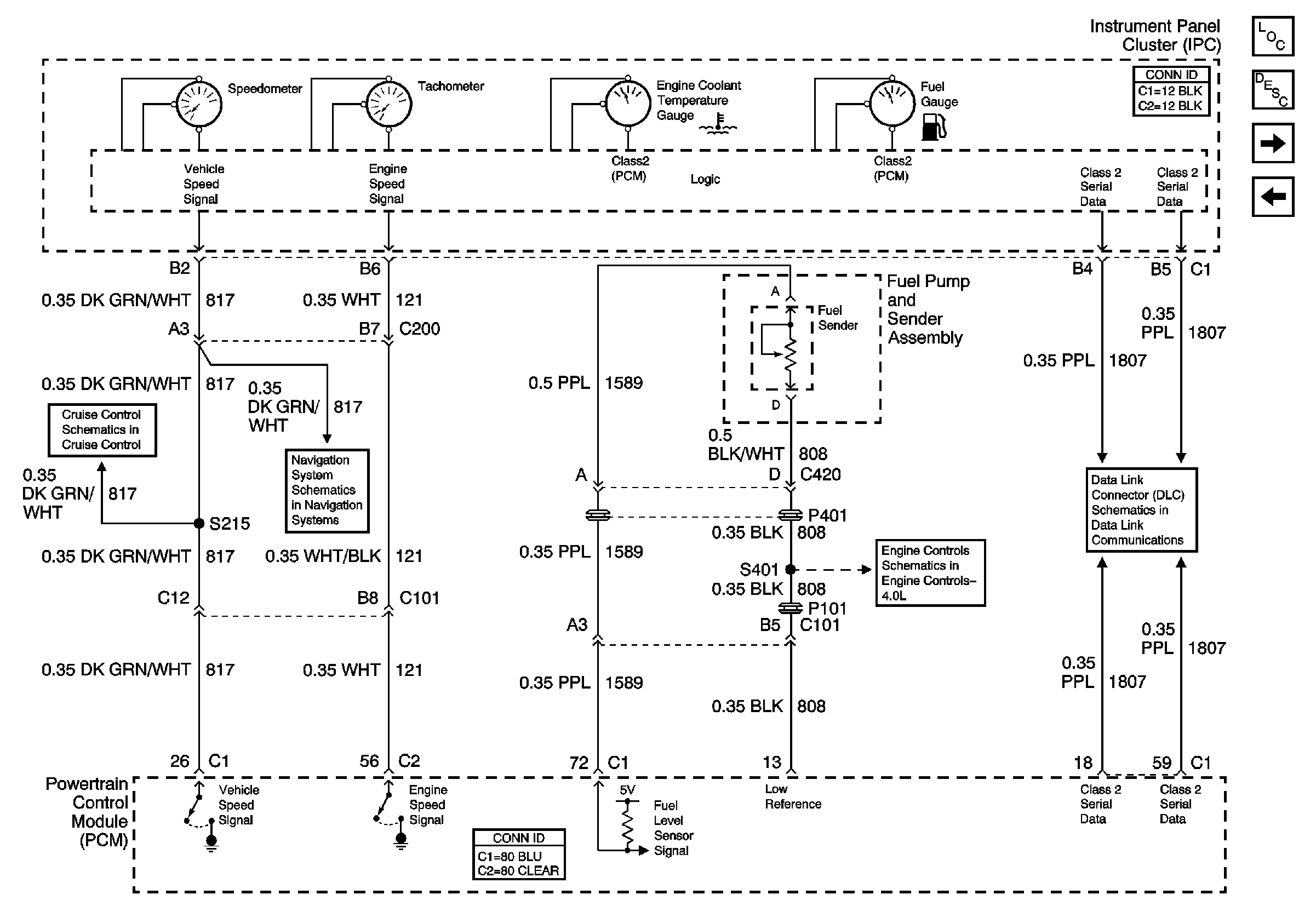
Gauges
Gages
Master Electrical Component List
Instrument Cluster Description and Operation
Indicators
Power, Ground, and Class 2
Serial Data Class 2
Engine Data Sensors - Pressure and Temperature
Fuel Controls - EVAP Controls
CCM, PCM Controls and Vehicle Speed Input