GM Service Manual Online
For 1990-2009 cars only
Makes
🢒
Oldsmobile
🢒
1998
🢒
Bravada
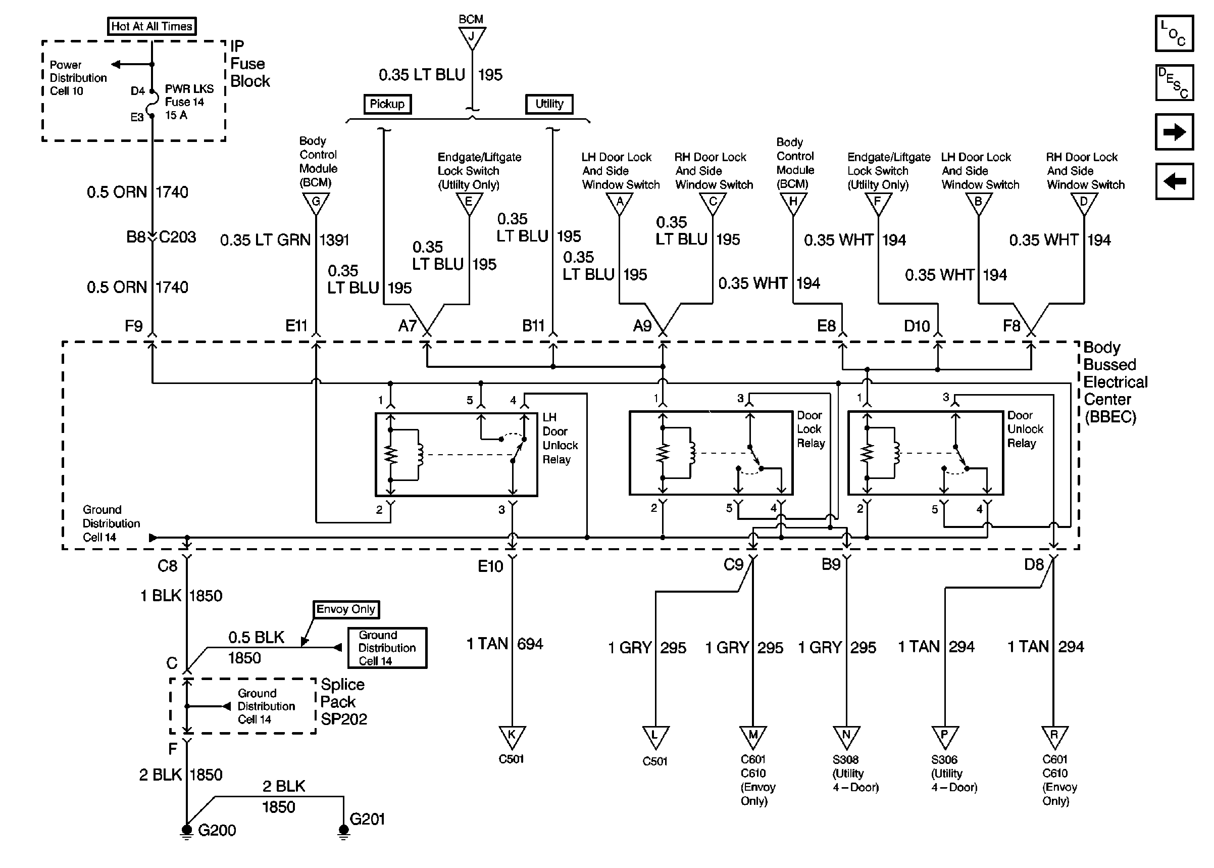
🢒 Cell 130: IP Fuse Block
Cell 130: IP Fuse Block
Cell 130: IP Fuse Block
Power Door Locks Circuit Description
Cell 130: Liftgate Lock Actuator
Cell 130: BCM
Cell 130: BCM
Cell 130: BCM
Cell 130: Endgate Lock Switch
Cell 130: Door Lock and Side Window Switch
Cell 130: Door Lock and Side Window Switch
Cell 130: BCM
Cell 130: Endgate Lock Switch
Cell 130: Door Lock and Side Window Switch
Cell 130: Door Lock and Side Window Switch
Cell 130: Liftgate Lock Actuator
Cell 130: Liftgate Lock Actuator
Cell 130: Liftgate Lock Actuator
Cell 130: Liftgate Lock Actuator
Cell 130: Liftgate Lock Actuator
Power Distribution Schematics
Ground Distribution Schematics
Ground Distribution Schematics
Ground Distribution Schematics