GM Service Manual Online
For 1990-2009 cars only
Makes
🢒
Oldsmobile
🢒
1998
🢒
Bravada
🢒 Cell 130: Liftgate Lock Actuator
Cell 130: Liftgate Lock Actuator
Cell 130: Liftgate Lock Actuator
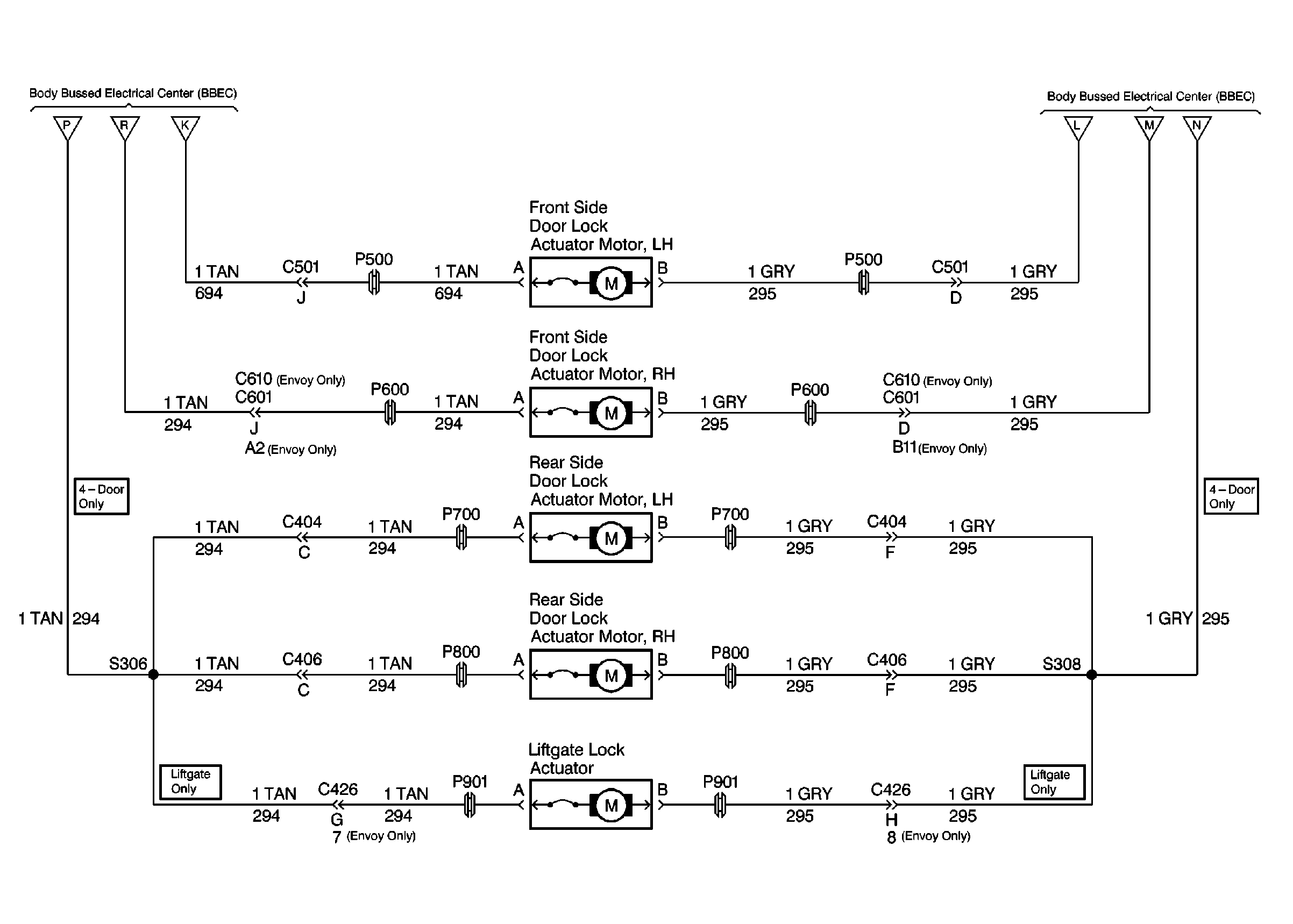
Power Door Locks Circuit Description
Cell 130: IP Fuse Block
Cell 130: IP Fuse Block
Cell 130: IP Fuse Block
Cell 130: IP Fuse Block
Cell 130: IP Fuse Block
Cell 130: IP Fuse Block
Cell 130: IP Fuse Block