GM Service Manual Online
For 1990-2009 cars only
Figure 1:

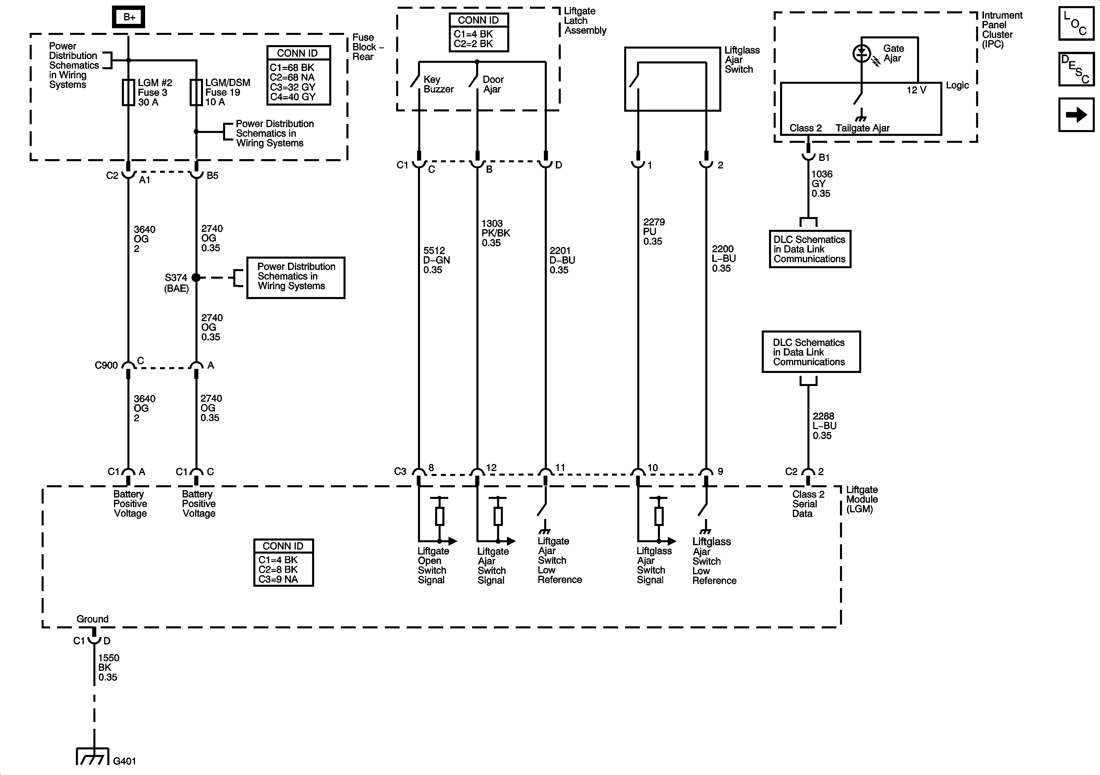
Liftgate - Except XUV


Object Number: 1337323  Size: FS
Master Electrical Component List
Rear Hatch/Gate Ajar Indicator Description and Operation
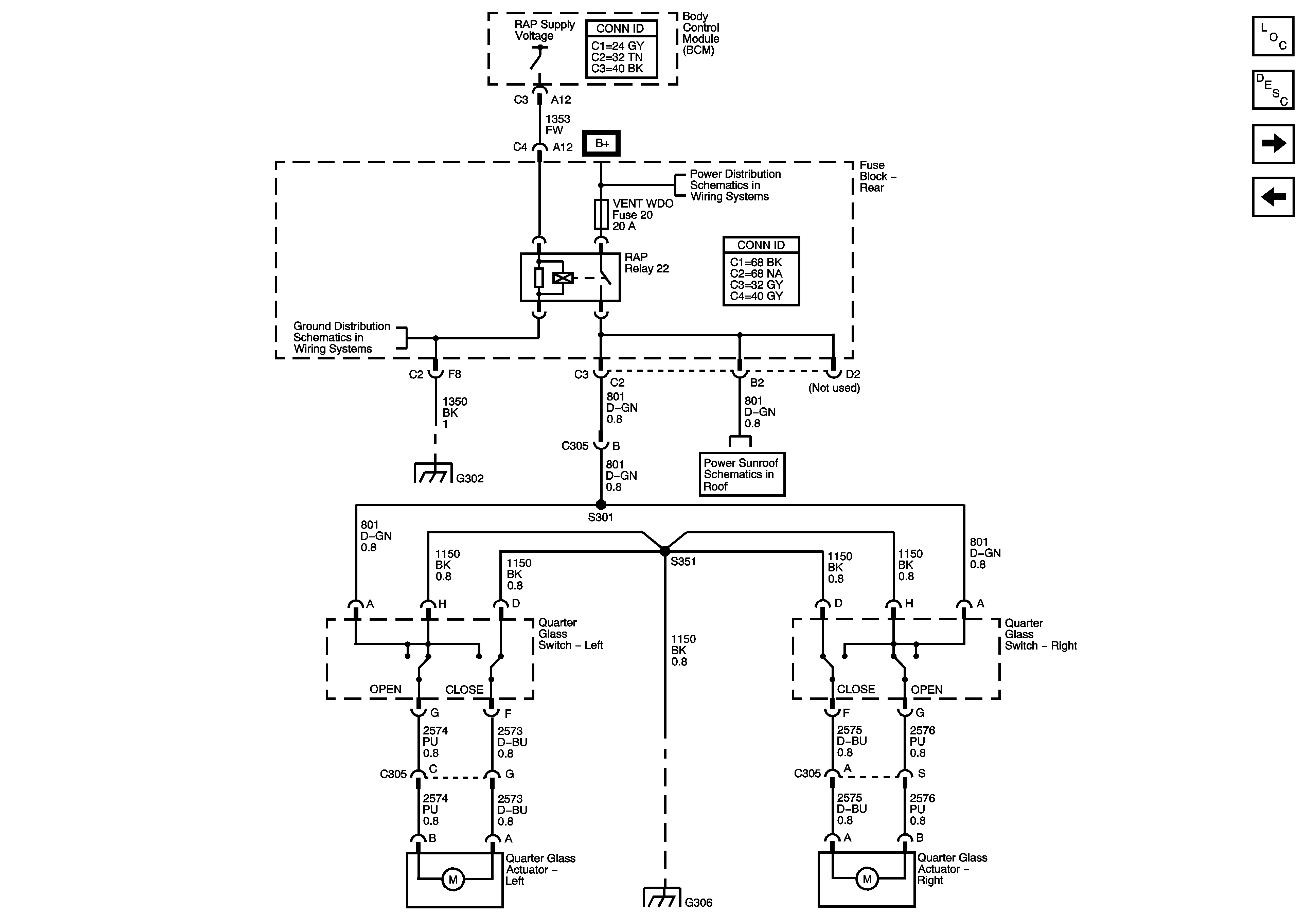
Quarter Glass Windows - Long Wheelbase (LWB) Except XUV
B+ Bus - Rear Fuse Block
LGM/DSM, OH BATT/ONSTAR, RADIO, and HVAC B Fuses
LGM/DSM, OH BATT/ONSTAR, RADIO, and HVAC B Fuses
Power, Ground, Data Link Connector, and SP205
SP306 - Except XUV
G401, G402, and G403 - Except XUV
Figure 2:

Quarter Glass Windows - Long Wheelbase (LWB) Except XUV


Object Number: 1337326  Size: FS
Master Electrical Component List
Rear Quarter Window Description and Operation
Midgate - XUV Only
Liftgate - Except XUV
B+ Bus - Rear Fuse Block
G302 - 2 of 2
G302 - 2 of 2
Except XUV
G306
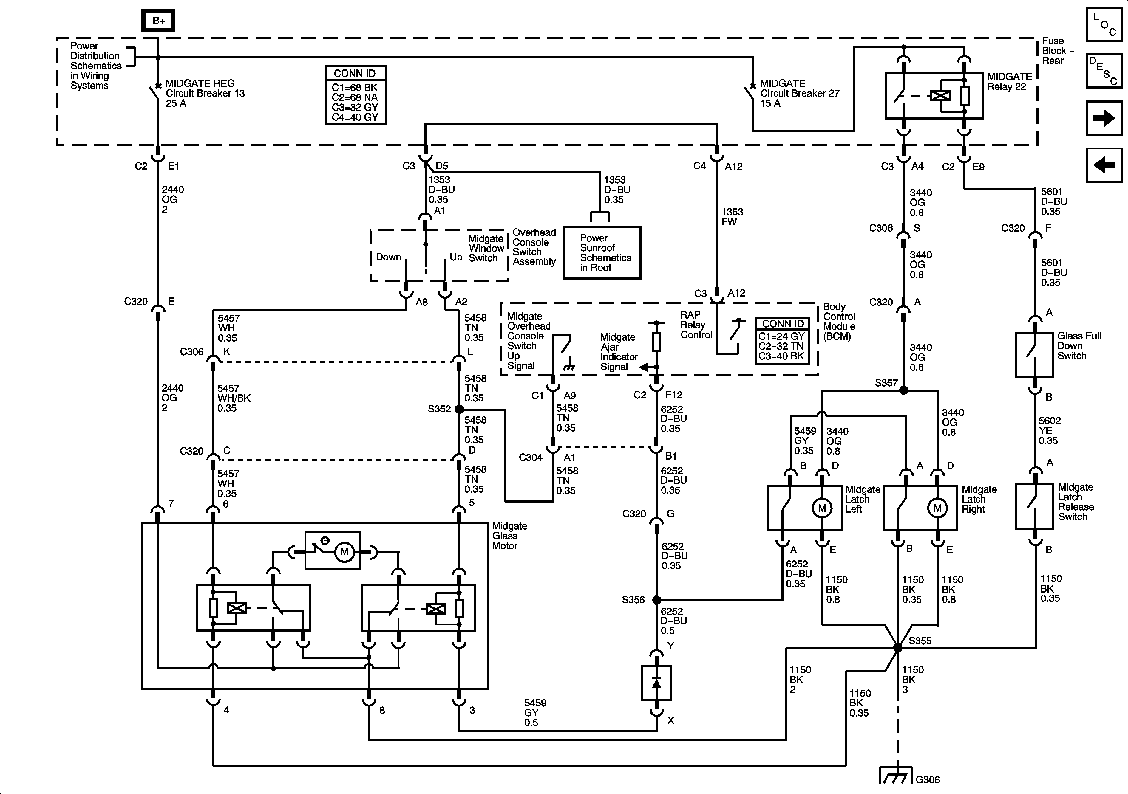
Figure 3:

Midgate - XUV Only


Object Number: 1357262  Size: FS
Master Electrical Component List
Midgate Description and Operation
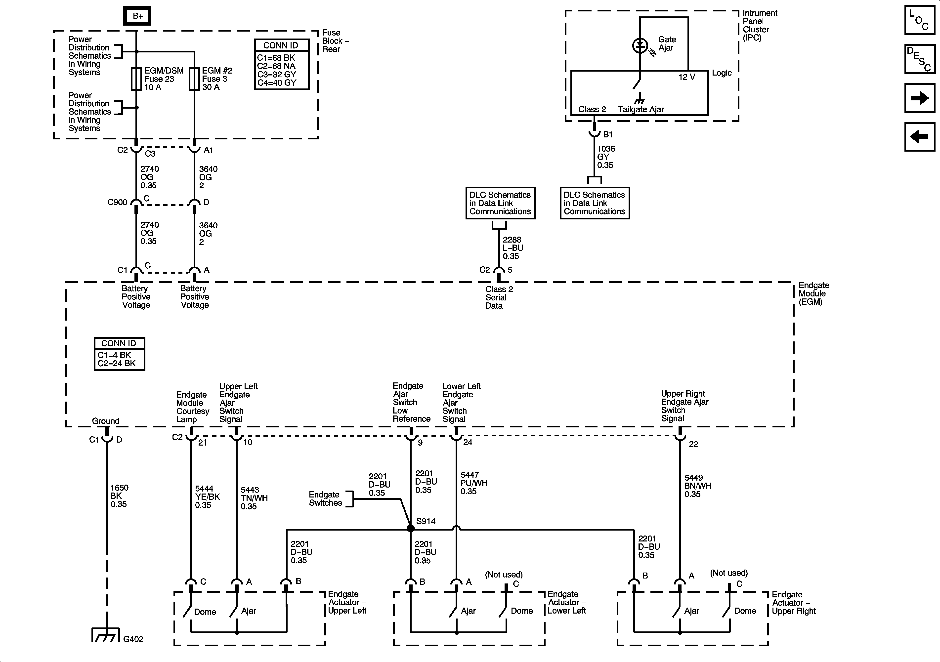
Endgate Power, Ground, and Gate Ajar - XUV Only
Quarter Glass Windows - Long Wheelbase (LWB) Except XUV
B+ Bus - Rear Fuse Block
XUV
G306
Figure 4:

Endgate Power, Gound, and Gate Ajar - XUV Only


Object Number: 1337324  Size: FS
Master Electrical Component List
Endgate Description and Operation
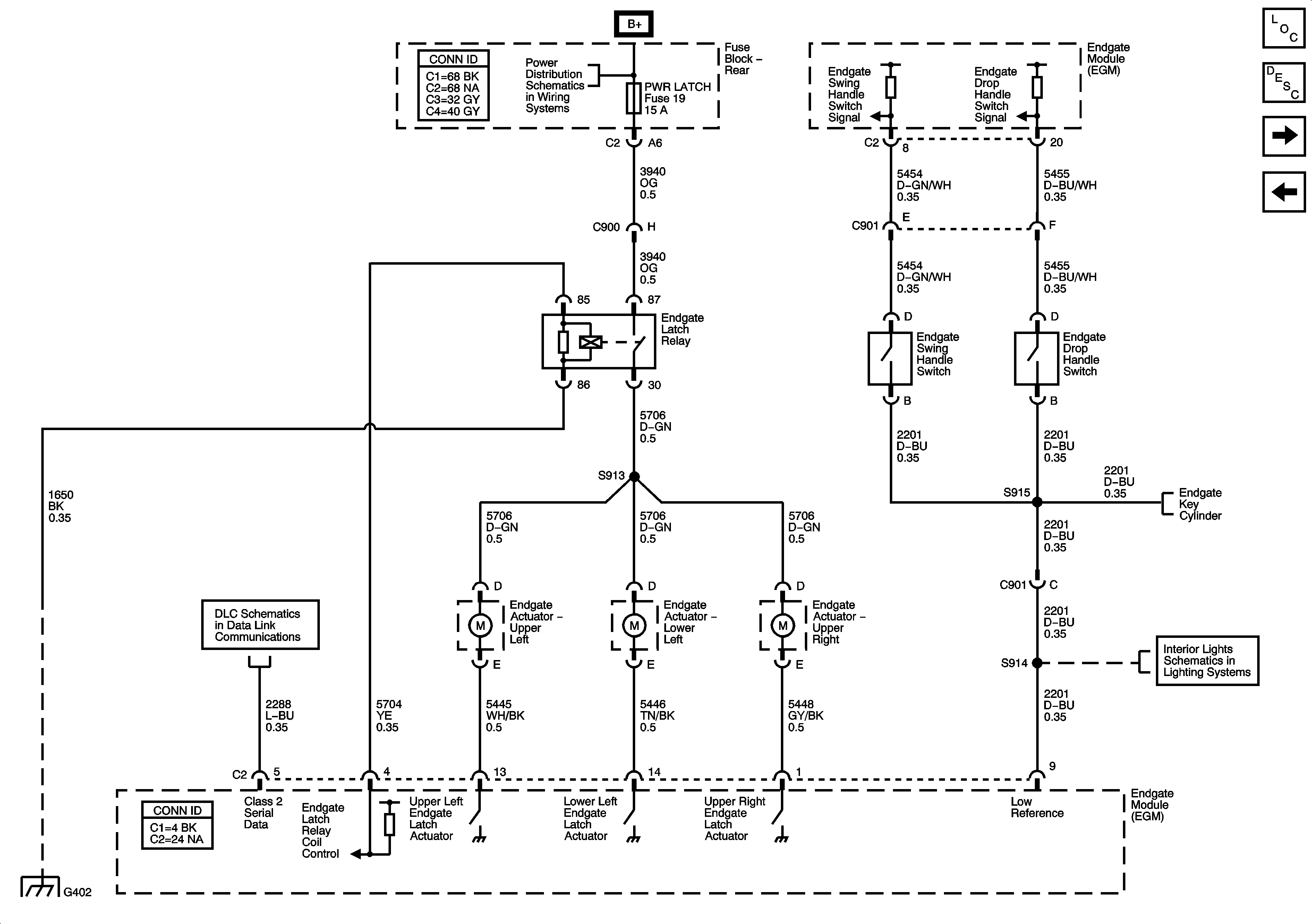
Endgate Release - XUV Only
Midgate - XUV Only
B+ Bus - Rear Fuse Block
ROOF, PWR LATCH, EGM #2, and EGM/DSM Fuses, and ROOF REG, MIDGATE REG, and ENDGLASS REG Circuit Breakers - XUV
SP306 - XUV
Power, Ground, Data Link Connector, and SP205
Endgate Release - XUV Only
G401, G402, and G403 - XUV
Figure 5:

Endgate Release - XUV Only


Object Number: 1269878  Size: FS
Master Electrical Component List
Endgate Description and Operation
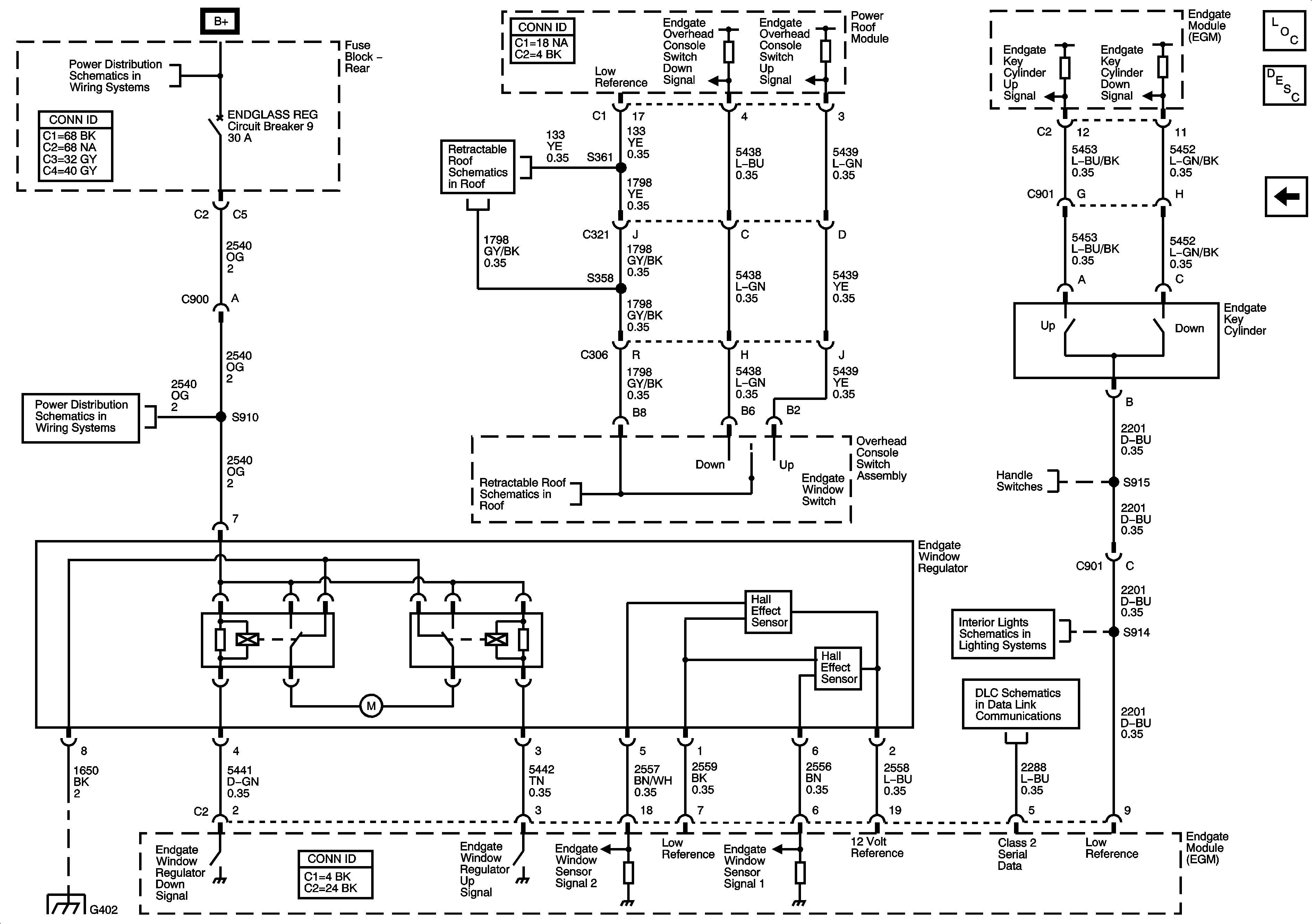
Endgate Window Controls - XUV Only
Endgate Power, Ground, and Gate Ajar - XUV Only
B+ Bus - Rear Fuse Block
Endgate Window Controls - XUV Only
SP306 - XUV
Liftgate Module (Except XUV) and Endgate Module (XUV) Switch Inputs
G401, G402, and G403 - XUV
Figure 6:

Endgate Window Controls - XUV Only


Object Number: 1357263  Size: FS
Master Electrical Component List
Endgate Power Window Description and Operation
Endgate Release - XUV Only
B+ Bus - Rear Fuse Block
04 S/T Utility Retractable Roof Schematics
ROOF, PWR LATCH, EGM #2, and EGM/DSM Fuses, and ROOF REG, MIDGATE REG, and ENDGLASS REG Circuit Breakers - XUV
04 S/T Utility Retractable Roof Schematics
Endgate Release - XUV Only
Liftgate Module (Except XUV) and Endgate Module (XUV) Switch Inputs
SP306 - XUV
G401, G402, and G403 - XUV