GM Service Manual Online
For 1990-2009 cars only
Makes
🢒
Oldsmobile
🢒
2004
🢒
Bravada
🢒 Power Seat Controls w/o Memory
Power Seat Controls w/o Memory
Power Seat Controls w/o Memory
Master Electrical Component List
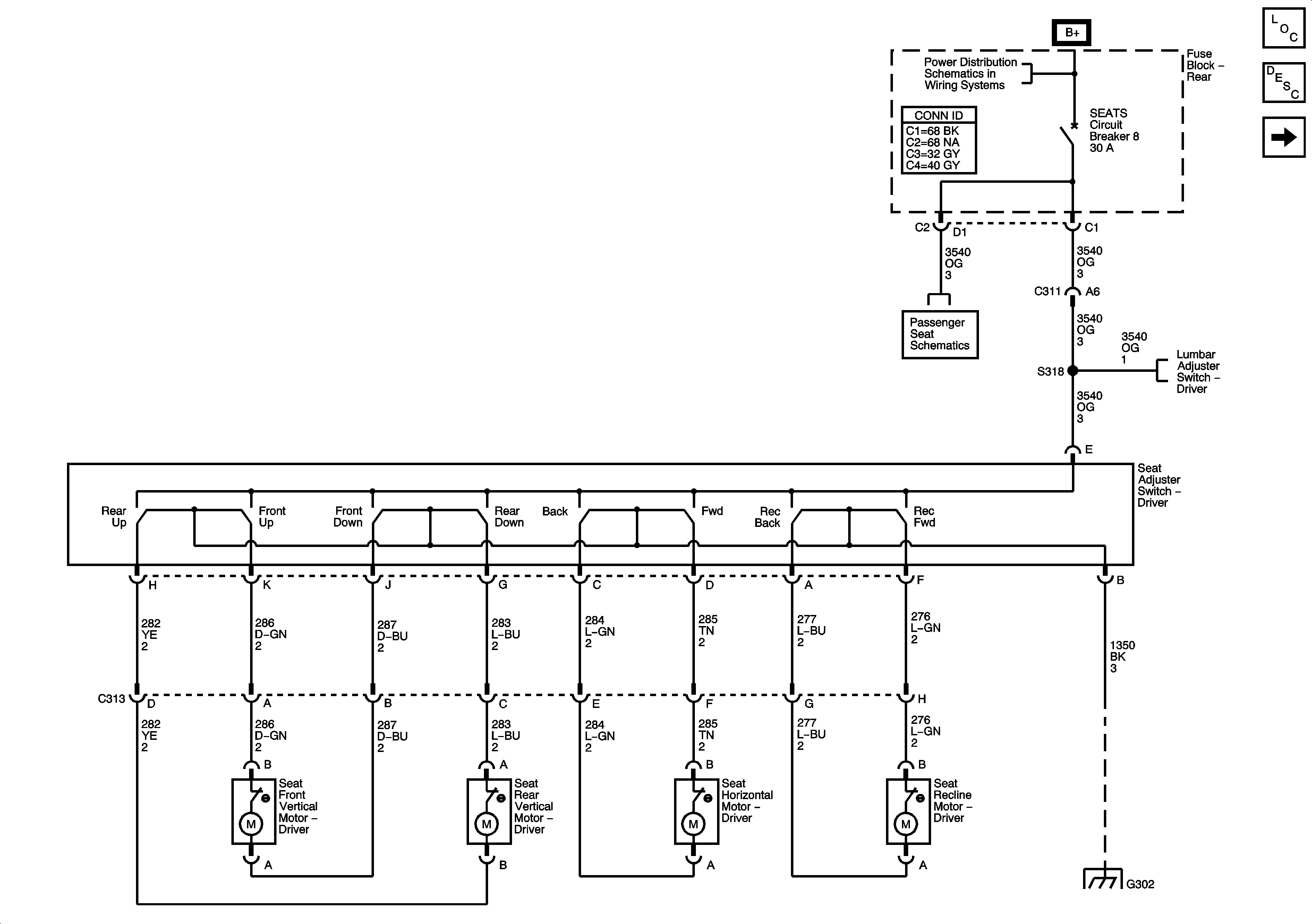
Power Seats System Description and Operation
Power Seat Controls w/Memory - Power, Ground, and Switch Controls
B+ Bus - Rear Fuse Block
Power Seat Controls
Lumbar Controls w/o Memory
G302 - 1 of 2, G303, and G304