GM Service Manual Online
For 1990-2009 cars only
Makes
🢒
Oldsmobile
🢒
2004
🢒
Bravada
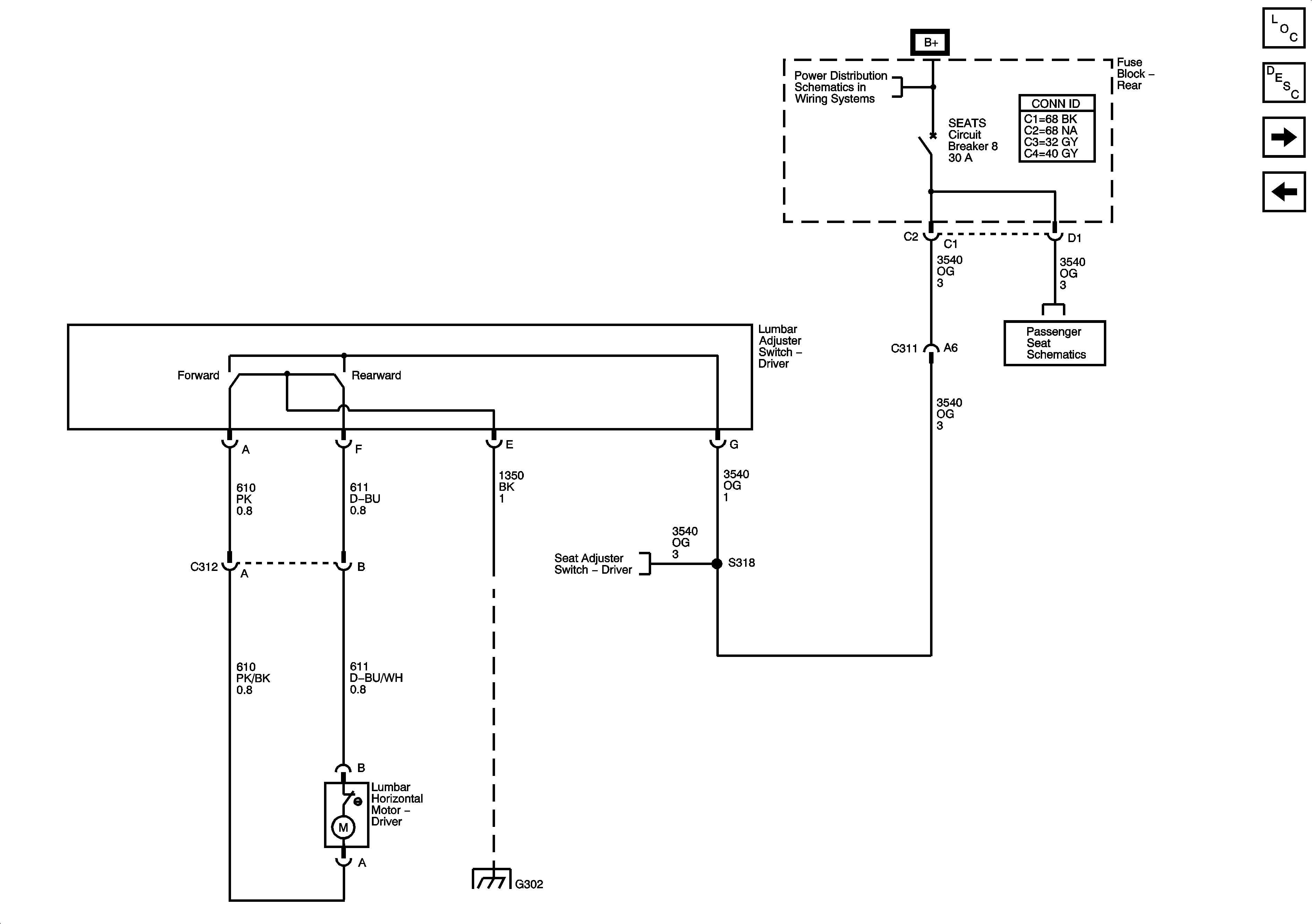
🢒 Lumbar Controls w/o Memory
Lumbar Controls w/o Memory
Lumbar Controls w/o Memory
Master Electrical Component List
Lumbar Support Description and Operation
Power Seat Controls w/Memory - Motors and Position Sensors
Lumbar Controls w/Memory
B+ Bus - Rear Fuse Block
Power Seat Controls
Power Seat Controls w/o Memory
G302 - 1 of 2, G303, and G304