GM Service Manual Online
For 1990-2009 cars only
Makes
🢒
Oldsmobile
🢒
2004
🢒
Bravada
🢒 Power Seat Controls w/Memory - Motors and Position Sensors
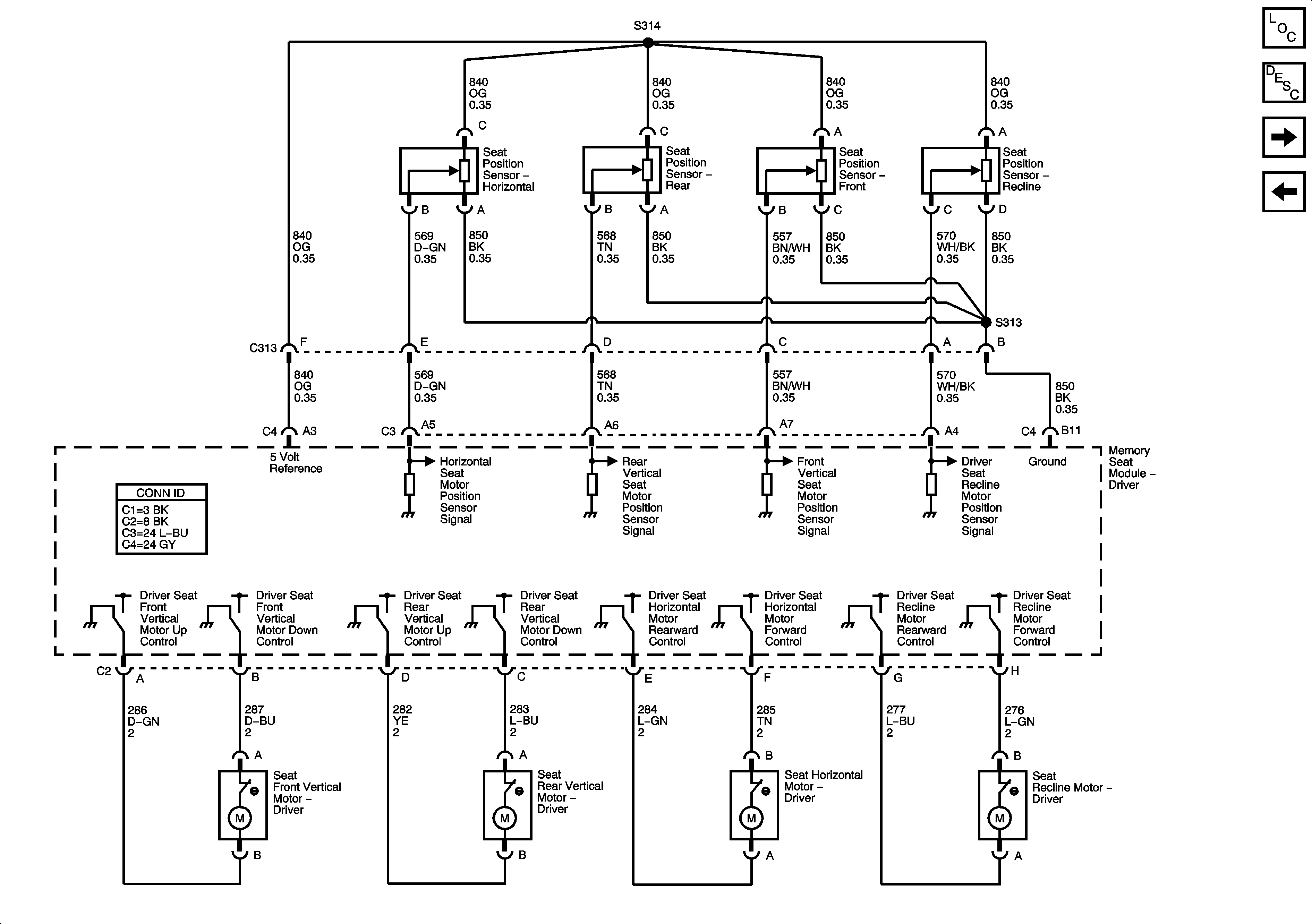
Power Seat Controls w/Memory - Motors and Position Sensors
Power Seat Controls w/Memory - Motors and Position Sensors
Master Electrical Component List
Power Seats System Description and Operation
Lumbar Controls w/o Memory
Power Seat Controls w/Memory - Power, Ground, and Switch Controls