GM Service Manual Online
For 1990-2009 cars only
Makes
🢒
Oldsmobile
🢒
2002
🢒
Bravada - 2WD
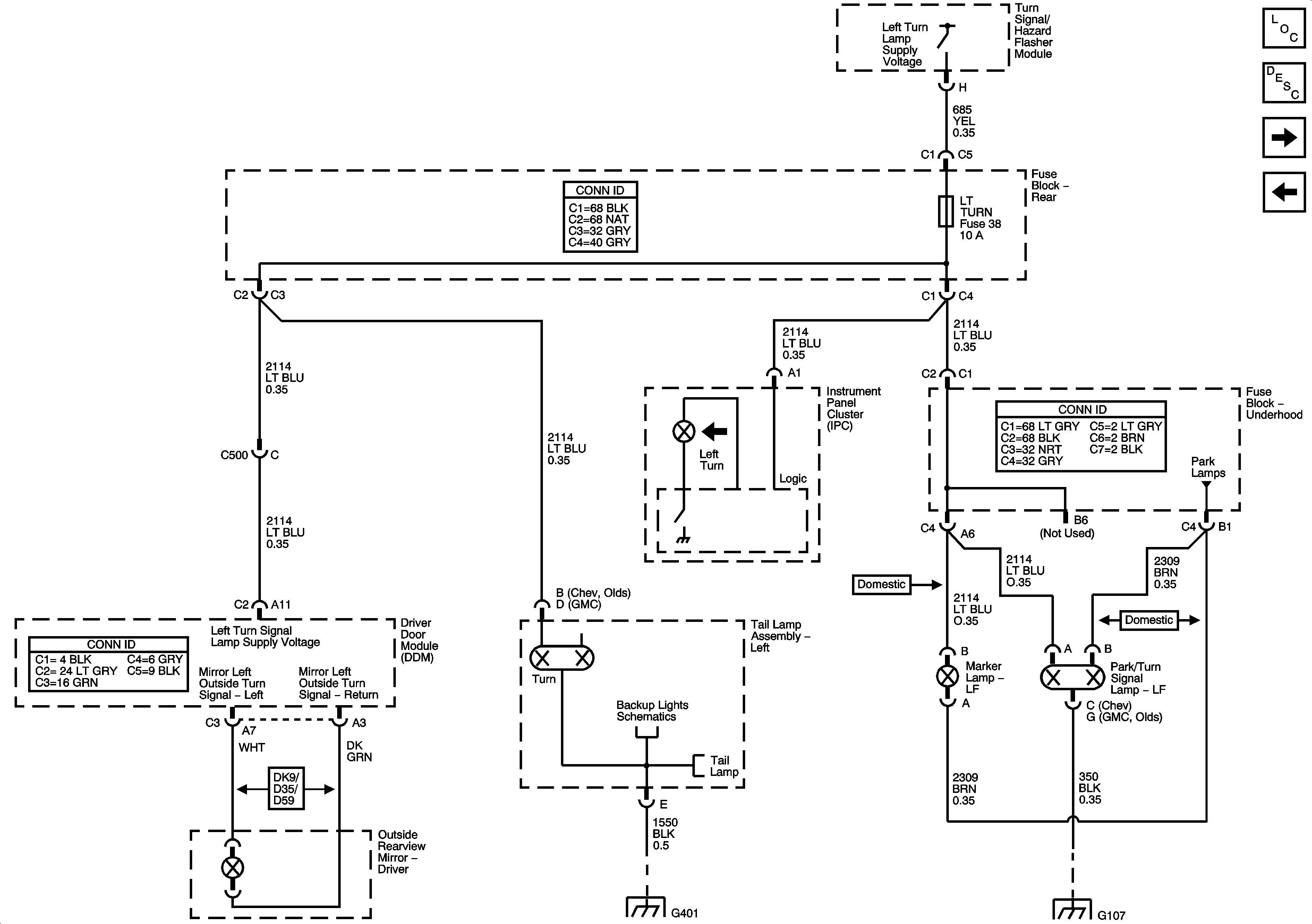
🢒 Left Turn Signal
Left Turn Signal
Left Turn Signals
Master Electrical Component List
Exterior Lighting Systems Description and Operation
Right Turn Signal
Park Lamp Control, Turn Signal Inputs, and Hazard Switch
Front Lamps
Backup Lamps
License and Tail Lamps
G401, G402, and G403
G107 and G108