GM Service Manual Online
For 1990-2009 cars only
Makes
🢒
Oldsmobile
🢒
2002
🢒
Bravada - 2WD
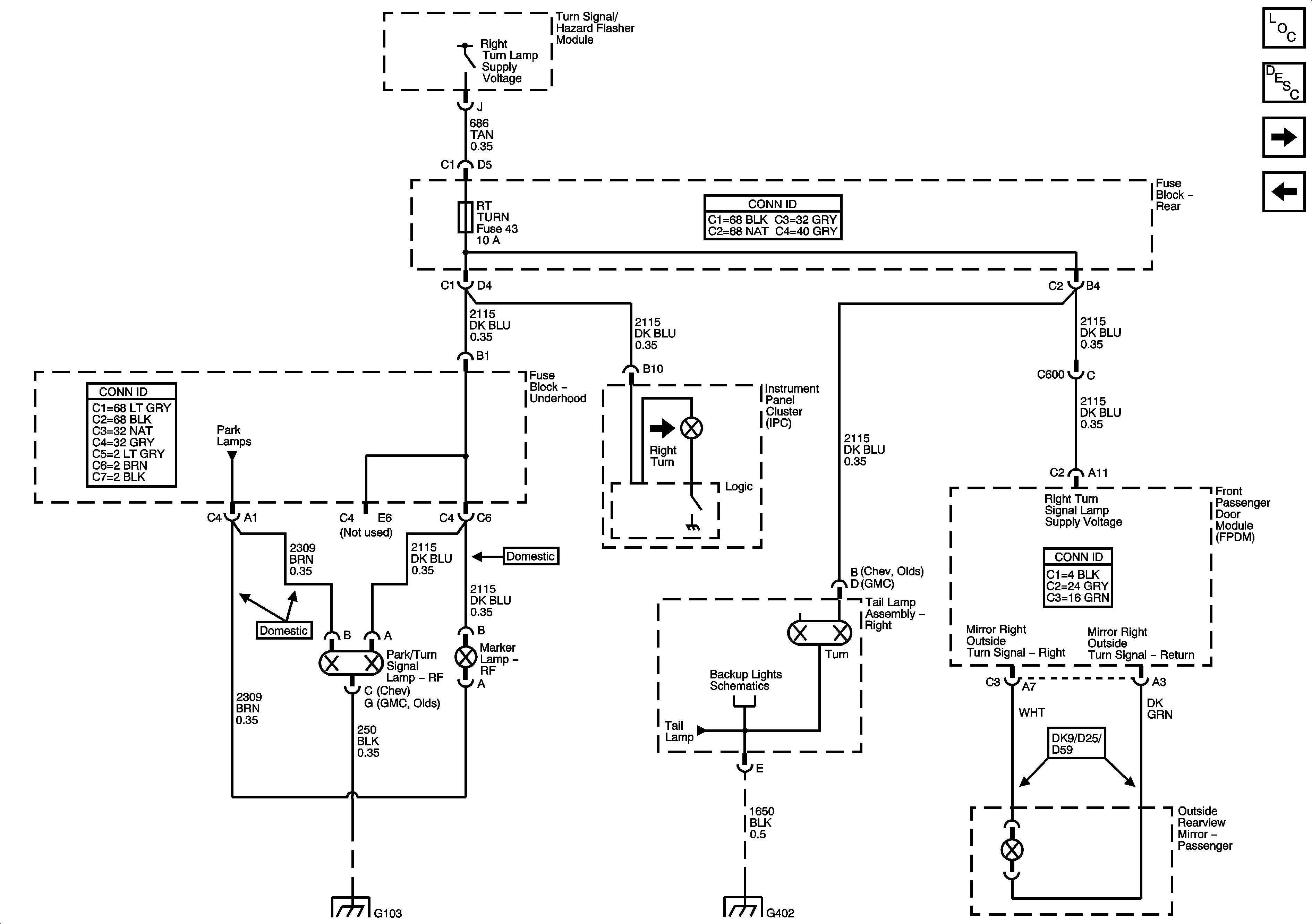
🢒 Right Turn Signal
Right Turn Signal
Right Turn Signals
Master Electrical Component List
Exterior Lighting Systems Description and Operation
Front Lamps
Left Turn Signal
Front Lamps
Backup Lamps
License and Tail Lamps
G101, G103, G106, and G110
G401, G402, and G403