GM Service Manual Online
For 1990-2009 cars only
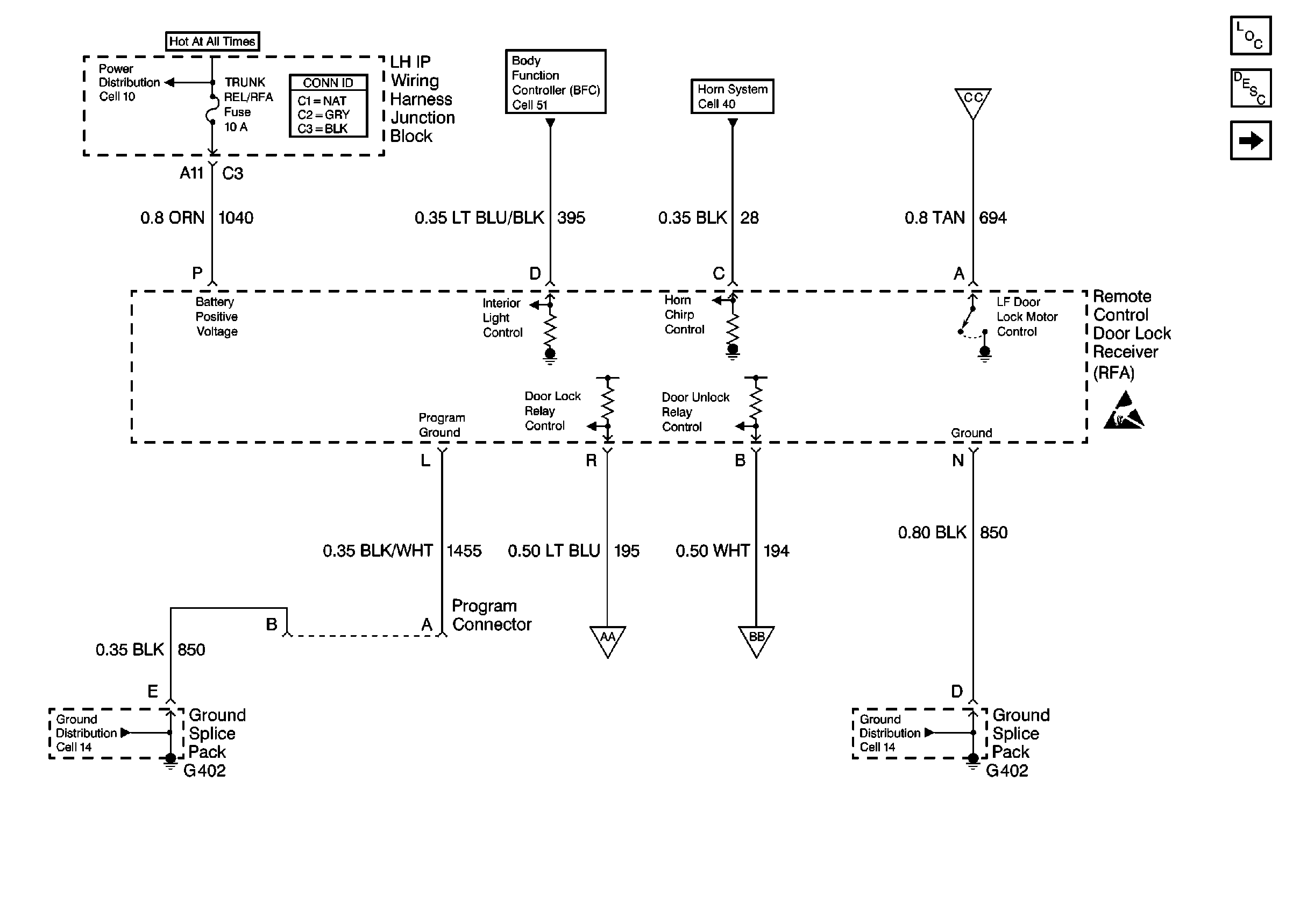
Figure 1:

Cell 132: Remote Control Door Lock Receiver


Object Number: 464830  Size: FS
Power Distribution Schematics
Body Control System Schematics
Horn Schematics
Keyless Entry Components
Keyless Entry System Circuit Description
Cell 132: Door Lock Relay, Door Unlock Relay
Handling ESD Sensitive Parts Notice
Ground Distribution Schematics
Ground Distribution Schematics
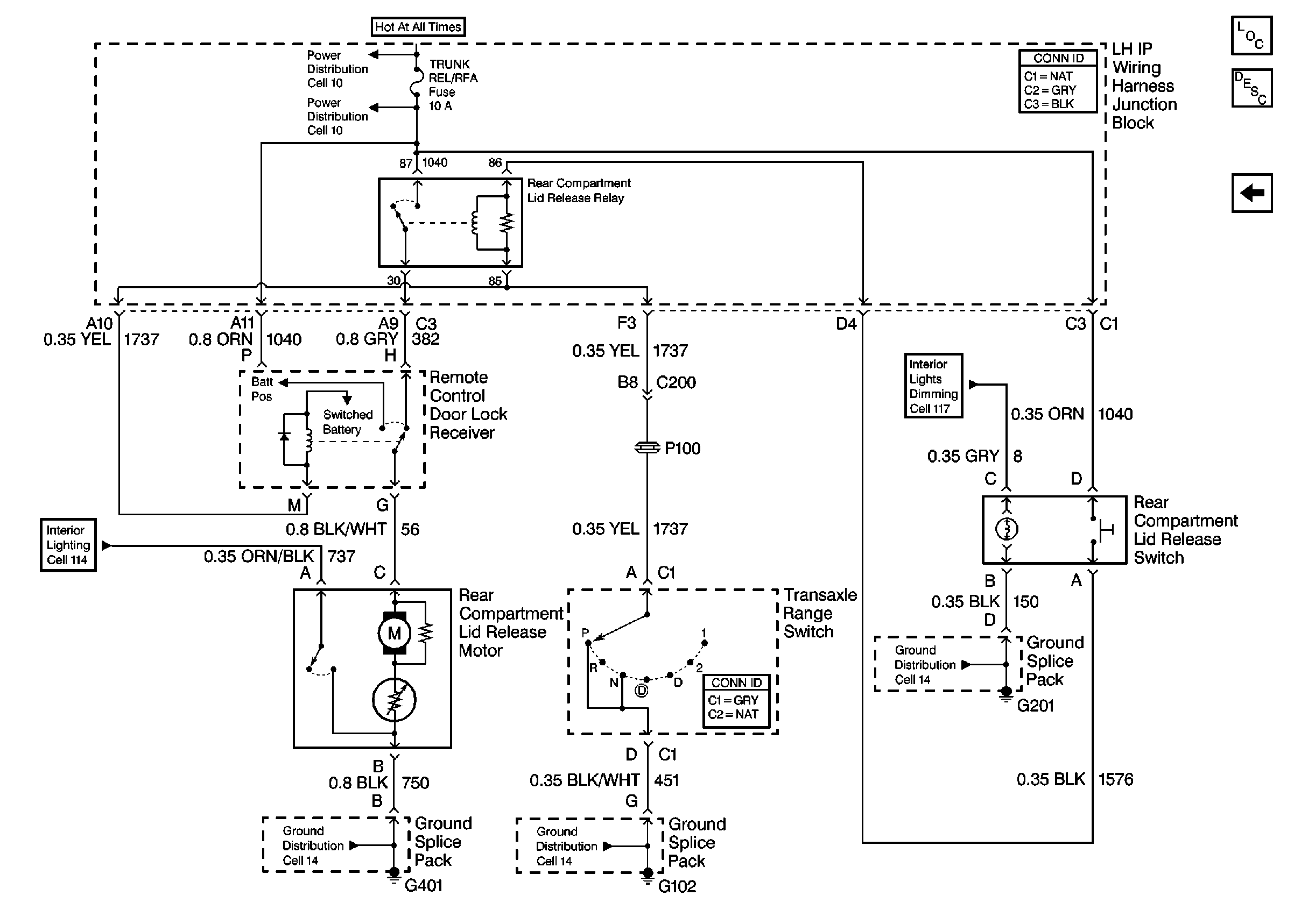
Figure 2:

Cell 132: Door Lock Relay, Door Unlock Relay


Object Number: 464862  Size: FS
Power Distribution Schematics
Keyless Entry Components
Keyless Entry System Circuit Description
Cell 132: Door Lock Motors, Door Lock Switch
Cell 132: Remote Control Door Lock Receiver
Ground Distribution Schematics
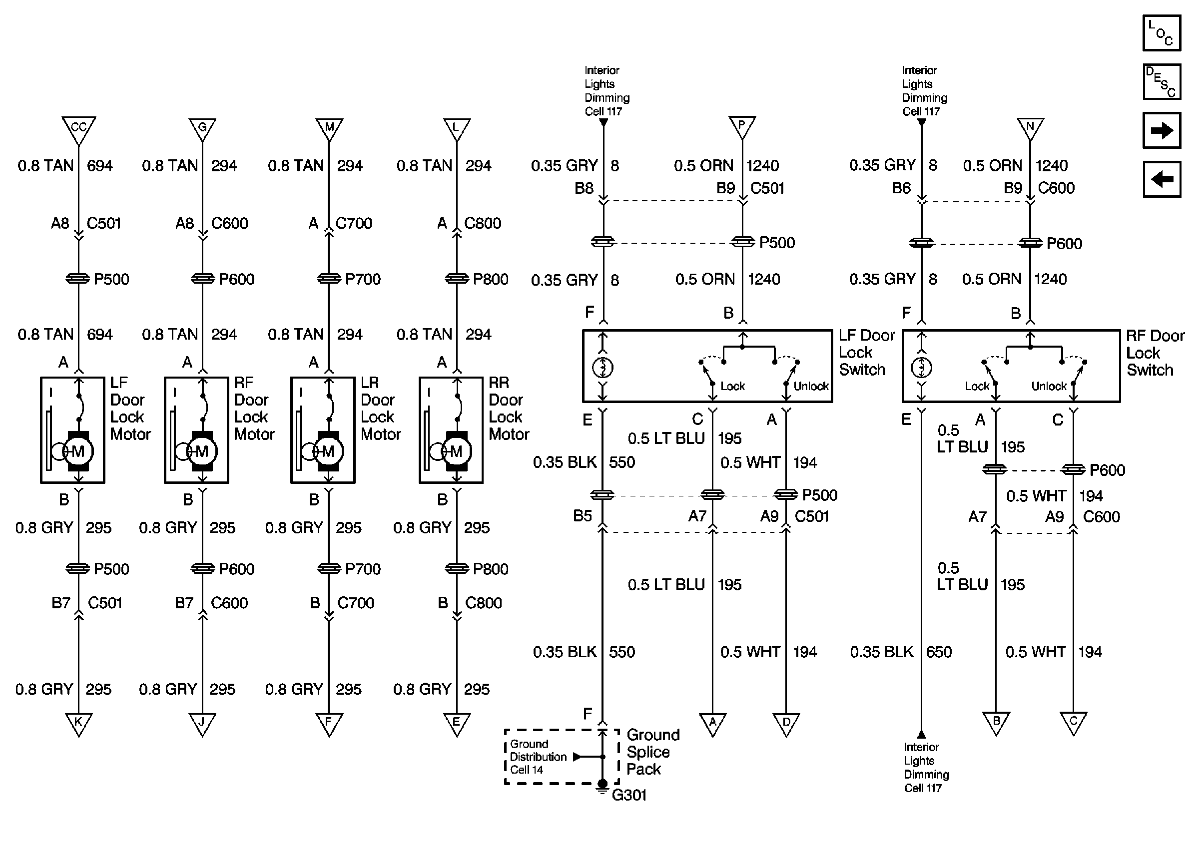
Figure 3:

Cell 132: Door Lock Motors, Door Lock Switch


Object Number: 464871  Size: FS
Interior Lights Dimming Schematics
Interior Lights Dimming Schematics
Keyless Entry Components
Keyless Entry System Circuit Description
Cell 132: Rear Compartment lid Release Motor, Switch, and Relay
Cell 132: Door Lock Relay, Door Unlock Relay
Ground Distribution Schematics
Interior Lights Dimming Schematics
Figure 4:

Cell 132: Rear Compartment lid Release Motor, Switch, and Relay


Object Number: 464879  Size: FS
Power Distribution Schematics
Keyless Entry Components
Keyless Entry System Circuit Description
Cell 132: Door Lock Motors, Door Lock Switch
Interior Lights Dimming Schematics
Interior Lights Schematics
Ground Distribution Schematics
Ground Distribution Schematics
Ground Distribution Schematics