GM Service Manual Online
For 1990-2009 cars only

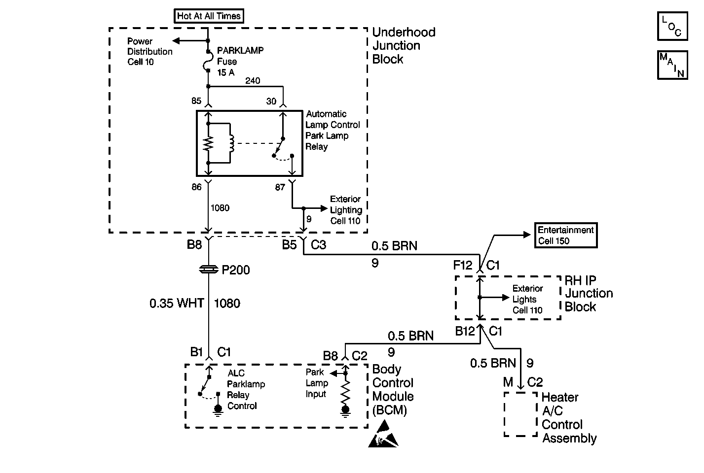
Object Number: 399500  Size: MF
Body Control Module Components
Cell 51: SDM, Washer Solvent Level Sensor, Seat Belt and Park Brake Switches

Circuit Description

This is a trouble code (both current and history) that indicates the parklamps were not ON when the automatic light control (ALC) relay output was ON.

Conditions for Setting the DTC

Meet all of the following conditions:

    • The ALC option is enabled and ignition one is active.
    • The ALC parklamp output is active.
    • The parklamp's active discrete input is not active for 5 seconds.

Action Taken When the DTC Sets

    • Stores the DTC B2585 in the body control module (BCM) memory.
    • The SERVICE VEHICLE SOON indicator will illuminate.

Conditions for Clearing the DTC

    • The BCM reads the proper parklamp voltage.
    • Conditions for the fault are no longer present.
    • All the BCM history codes will be cleared after 100 ignition cycles (from OFF to RUN) with no current codes active during the 100 ignition cycles.
    • Use the Scan Tool .

Diagnostic Aids

    • If B+ is found on the BCM parklamp relay output, check the ALC parklamp relay control output and the power to the relay or check the turn/headlamp/wiper switch for possible problems. Refer to Daytime Running Lights (DRL) System Check in Lighting Systems.
    • When the diagnostics direct you to take electrical measurements at the junction blocks, refer to Power Distribution Schematics in Wiring Systems for terminal assignments of the junction blocks.
    • If the DTC is a history DTC, the problem may be intermittent. Try performing the above tests while wiggling the wiring and connectors. This can often cause the malfunction to appear.

Test Description

The numbers below refer to the numbers on the diagnostic table.

  1. This step determines if the body control module (BCM) verifies proper operation of the ALC parklamps.

  2. This step determines if an open exists in CKT 9 between the right IP junction block and the BCM.

  3. This step determines if an open exists in CKT 9 between the right IP wiring harness junction block and the BCM.

Step

Action

Value(s)

Yes

No

1

Was the BCM system check performed?

--

Go to Step 2

Go to the Body Control Module System Check

2

Are there any other ALC DTCs showing?

--

Go to the other ALC DTC table first

Go to Step 3

3

Turn the turn/headlamp switch assembly headlamp switch to the PARK position.

Do all the parklamps light?

--

Go to Step 4

Go to Step 5

4

  1. Turn the turn/headlamp switch assembly headlamp switch to the PARK position then to the OFF position repeatedly.
  2. Use a Scan Tool to read the BCM INPUT for the PARK LAMP INPUT.

Is the BCM INPUT for the PARK LAMP INPUT reading toggle?

--

Go to Step 12

Go to Step 5

5

Does the BCM INPUT for the PARK LAMP INPUT reading remain INACTIVE when the parklamps are toggled ON and OFF?

--

Go to Step 6

Go to Step 7

6

Refer to Diagnostic System Check - Audible Warnings in Instrument Panel, Gauges and Console.

Is the repair complete?

--

Go to Step 12

--

7

  1. Disconnect the right IP junction block connector C2.
  2. Disconnect the BCM connector C2 terminal.
  3. Use the J 39200 DMM in order to measure the resistance in CKT 9 between the right IP junction block connector C2 terminal C10 and the BCM connector C2 terminal B8.

Is the measured resistance within the specified range?

0-2ohms

Go to Step 8

Go to Step 9

8

Use the J 39200 DMM in order to measure the resistance in CKT 9 between the right IP junction block connector C2 terminal C10 and ground.

Is the measured resistance equal to the specified value?

Go to Step 11

Go to Step 10

9

Repair the open in CKT 9 between the right IP junction block connector C2 terminal C10 and the BCM connector C2 terminal B8. Refer to Wiring Repairs in Wiring Systems.

Is the measured resistance equal to the specified value?

Go to Step 12

--

10

Repair the short to ground in circuit nine between the right IP junction block connector  C2 terminal C10 and the BCM connector C2 terminal B8.

Is the measured resistance equal to the specified value?

Go to Step 12

--

11

Replace the BCM. Refer to the following procedures:

Is the repair complete?

--

Go to Step 12

--

12

Clear the DTCs from the memory.

Are the DTCs cleared from the memory?

--

Go to the Body Control Module System Check