GM Service Manual Online
For 1990-2009 cars only
Makes
🢒
Oldsmobile
🢒
1998
🢒
Eighty Eight
🢒
Body and Accessories
🢒
Stationary Windows
🢒 Defogger Schematics
Figure
1:
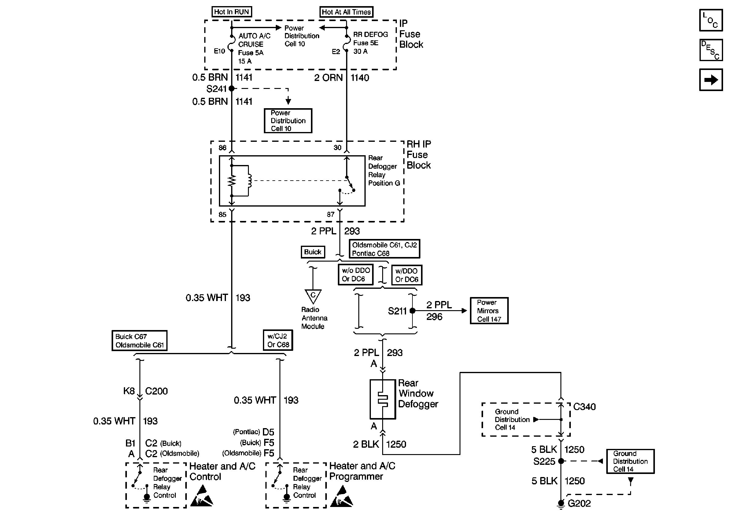
Cell 61: Rear Defogger Relay (1 of 3)
Stationary Windows Components
Cell 61: Rear Defogger Switch (2 of 3)
Rear Window Defogger Circuit Description
Handling ESD Sensitive Parts Notice
Handling ESD Sensitive Parts Notice
Power Distribution Schematics
Power Distribution Schematics
Ground Distribution Schematics
Ground Distribution Schematics
Cell 61: Rear Defogger (3 of 3)
Figure
2:
Cell 61: Rear Defogger Switch (2 of 3)
Stationary Windows Components
Cell 61: Rear Defogger (3 of 3)
Rear Window Defogger Circuit Description
Cell 61: Rear Defogger Relay (1 of 3)
Handling ESD Sensitive Parts Notice
Power Distribution Schematics
Ground Distribution Schematics
Ground Distribution Schematics
Ground Distribution Schematics
Ground Distribution Schematics
Power Distribution Schematics
Outside Rearview Mirror Schematics
Figure
3:
Cell 61: Rear Defogger (3 of 3)
Stationary Windows Components
Rear Window Defogger Circuit Description
Radio/Audio System Schematics
Radio/Audio System Schematics
Cell 61: Rear Defogger Switch (2 of 3)
Cell 61: Rear Defogger Relay (1 of 3)