GM Service Manual Online
For 1990-2009 cars only
Makes
🢒
Oldsmobile
🢒
1999
🢒
Eighty Eight
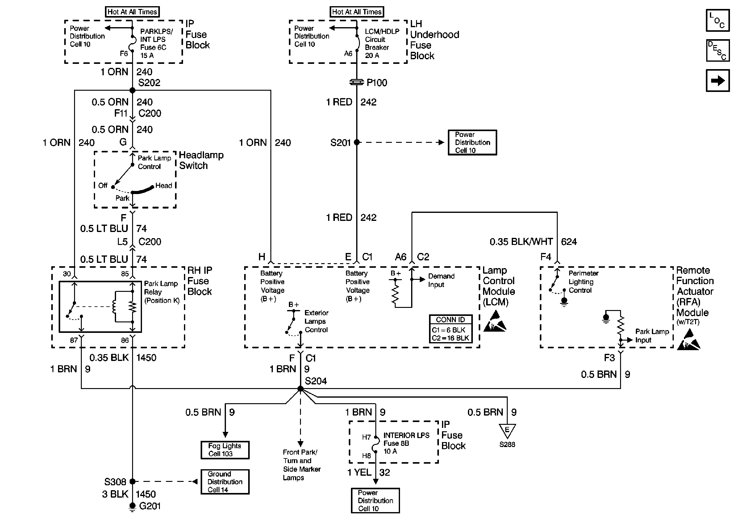
🢒 Cell 110: Headlamp Switch, RFA, and Park Lamp Control
Cell 110: Headlamp Switch, RFA, and Park Lamp Control
Cell 110: Headlamp Switch, RFA,and Park Lamp Control
Lighting Systems Components
Exterior Lights Circuit Description
Cell 110: Turn/Hazard Switch and Stoplamp/BTSI Switch
Handling ESD Sensitive Parts Notice
Power Distribution Schematics
Handling ESD Sensitive Parts Notice
Cell 110: Tail/Stop/Turn, License, and Rear Side Marker Lamps
Lighting Systems Connector End Views
Power Distribution Schematics
Power Distribution Schematics
Cell 103: Fog Lamp Switch, LCM
Ground Distribution Schematics
Power Distribution Schematics
Cell 110: Front Park/Turn and Side Marker Lamps, Turn Indicators