GM Service Manual Online
For 1990-2009 cars only
Makes
🢒
Oldsmobile
🢒
1999
🢒
Eighty Eight
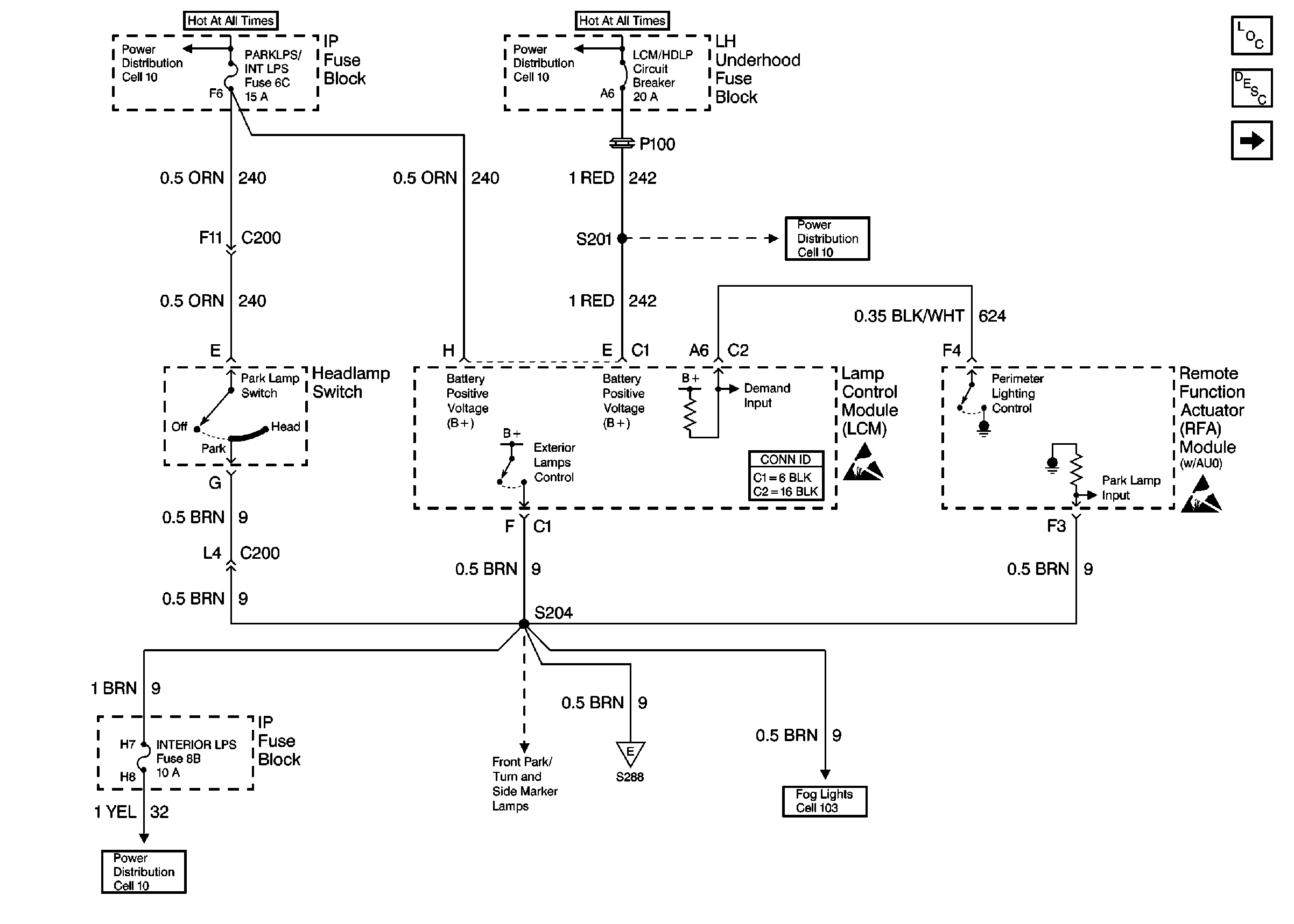
🢒 Cell 110 Headlamp Switch, LCM, RFA
Cell 110 Headlamp Switch, LCM, RFA
Headlamp Switch, LCM
Lighting Systems Components
Exterior Lights Circuit Description
Cell 110: Headlamp Switch, RFA, and Park Lamp Control
Power Distribution Schematics
Lighting Systems Connector End Views
Handling ESD Sensitive Parts Notice
Handling ESD Sensitive Parts Notice
Fog Lights Schematics Oldsmobile
Power Distribution Schematics
Power Distribution Schematics
Power Distribution Schematics