GM Service Manual Online
For 1990-2009 cars only
Makes
🢒
Oldsmobile
🢒
1999
🢒
Eighty Eight
🢒 Cell 81: Pontiac with U50/U2F
Cell 81: Pontiac with U50/U2F
Cell 81: Pontiac with U50/U2F
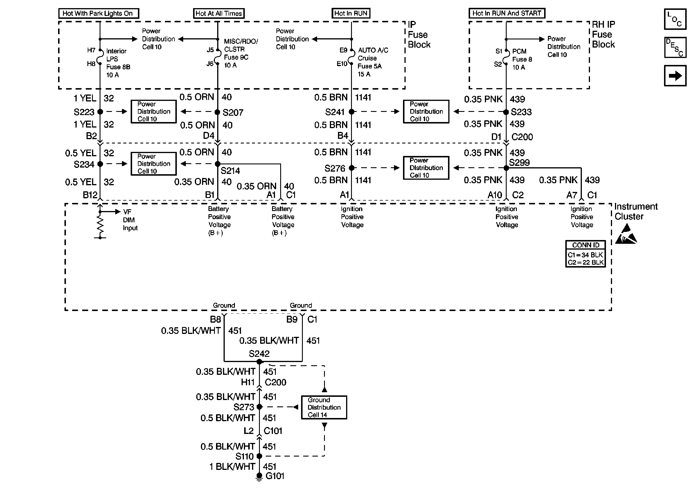
Instrument Cluster and HUD Components
Instrument Cluster Circuit Description
Cell 81: Boost/Manifold Absolute Pressure (MAP) Sensor
Handling ESD Sensitive Parts Notice
Power Distribution Schematics
Power Distribution Schematics
Power Distribution Schematics
Power Distribution Schematics
Power Distribution Schematics
Power Distribution Schematics
Ground Distribution Schematics
Instrument Cluster and HUD Connector End Views
Power Distribution Schematics