GM Service Manual Online
For 1990-2009 cars only
Makes
🢒
Oldsmobile
🢒
1999
🢒
Eighty Eight
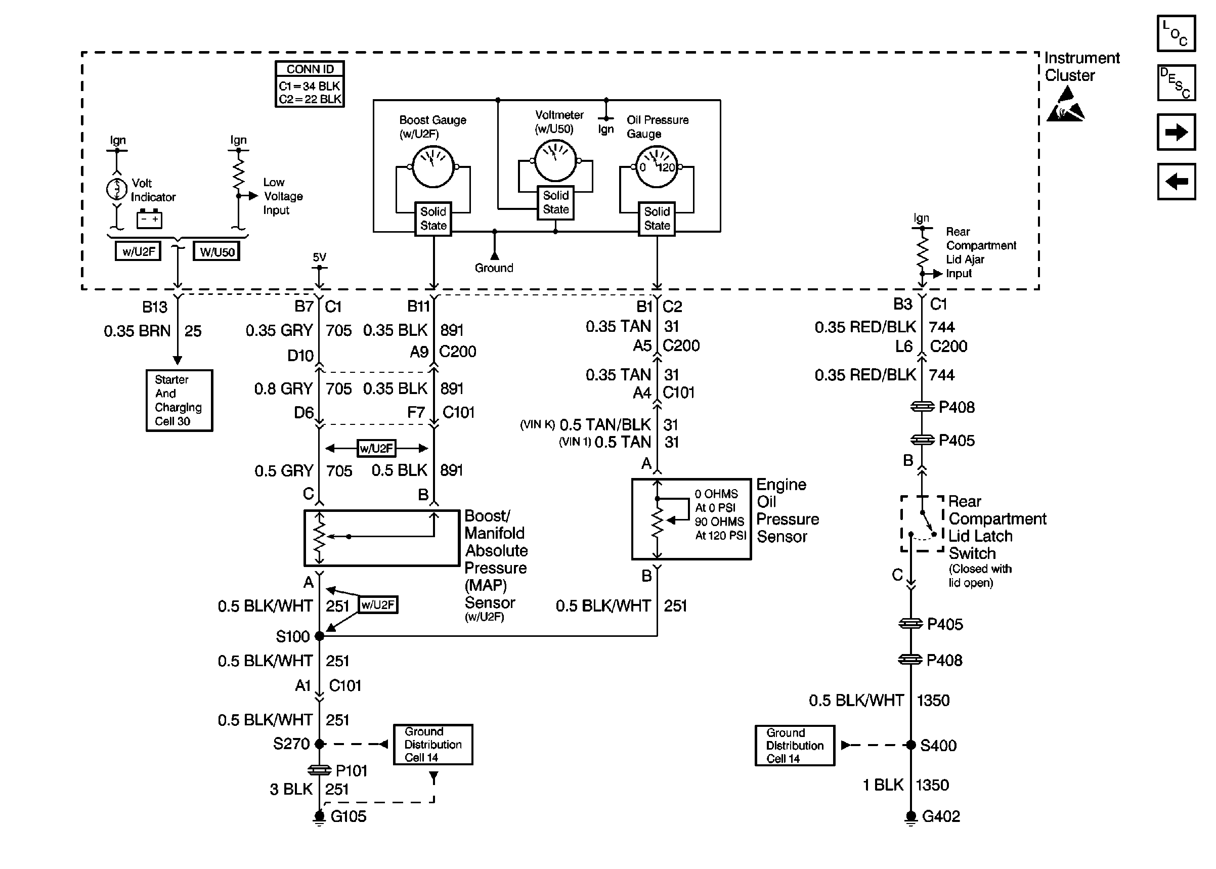
🢒 Cell 81: Boost/Manifold Absolute Pressure (MAP) Sensor
Cell 81: Boost/Manifold Absolute Pressure (MAP) Sensor
Cell 81: Boost/Manifold Absolute Pressure (MAP) Sensor
Instrument Cluster and HUD Components
Instrument Cluster Circuit Description
Cell 81: Pontiac with U50/U2F
Cell 81: Pontiac with U50/U2F
Handling ESD Sensitive Parts Notice
Ground Distribution Schematics
Ground Distribution Schematics
Starting and Charging Schematics
Instrument Cluster and HUD Connector End Views