GM Service Manual Online
For 1990-2009 cars only
Makes
🢒
Oldsmobile
🢒
1999
🢒
Eighty Eight
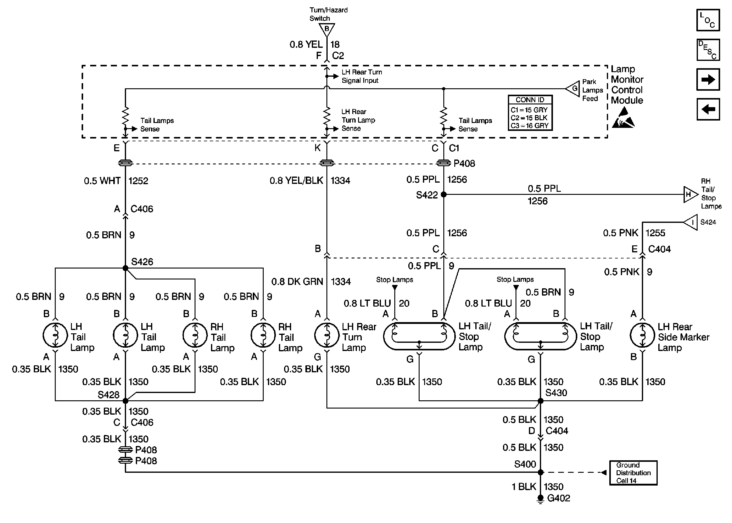
🢒 Cell 110: Tail, Rear Turn and Rear Side Marker Lamps
Cell 110: Tail, Rear Turn and Rear Side Marker Lamps
Cell 110: Tail, Rear Turn and Rear Side Marker Lamps
Lighting Systems Components
Exterior Lights Circuit Description
Cell 110: Tail and License Lamps
Cell 110: Front Park/Turn and Rear Side Marker Lamps, Turn Indicators
Cell 110: Tail and License Lamps
Cell 110: Tail and License Lamps
Ground Distribution Schematics
Handling ESD Sensitive Parts Notice
Cell 110: Tail and License Lamps
Lighting Systems Connector End Views
Cell 110: Turn/Hazard Switch