GM Service Manual Online
For 1990-2009 cars only
Makes
🢒
Oldsmobile
🢒
1999
🢒
Eighty Eight
🢒 Cell 110: Tail and License Lamps
Cell 110: Tail and License Lamps
Cell 110: Tail and License Lamps
Lighting Systems Components
Exterior Lights Circuit Description
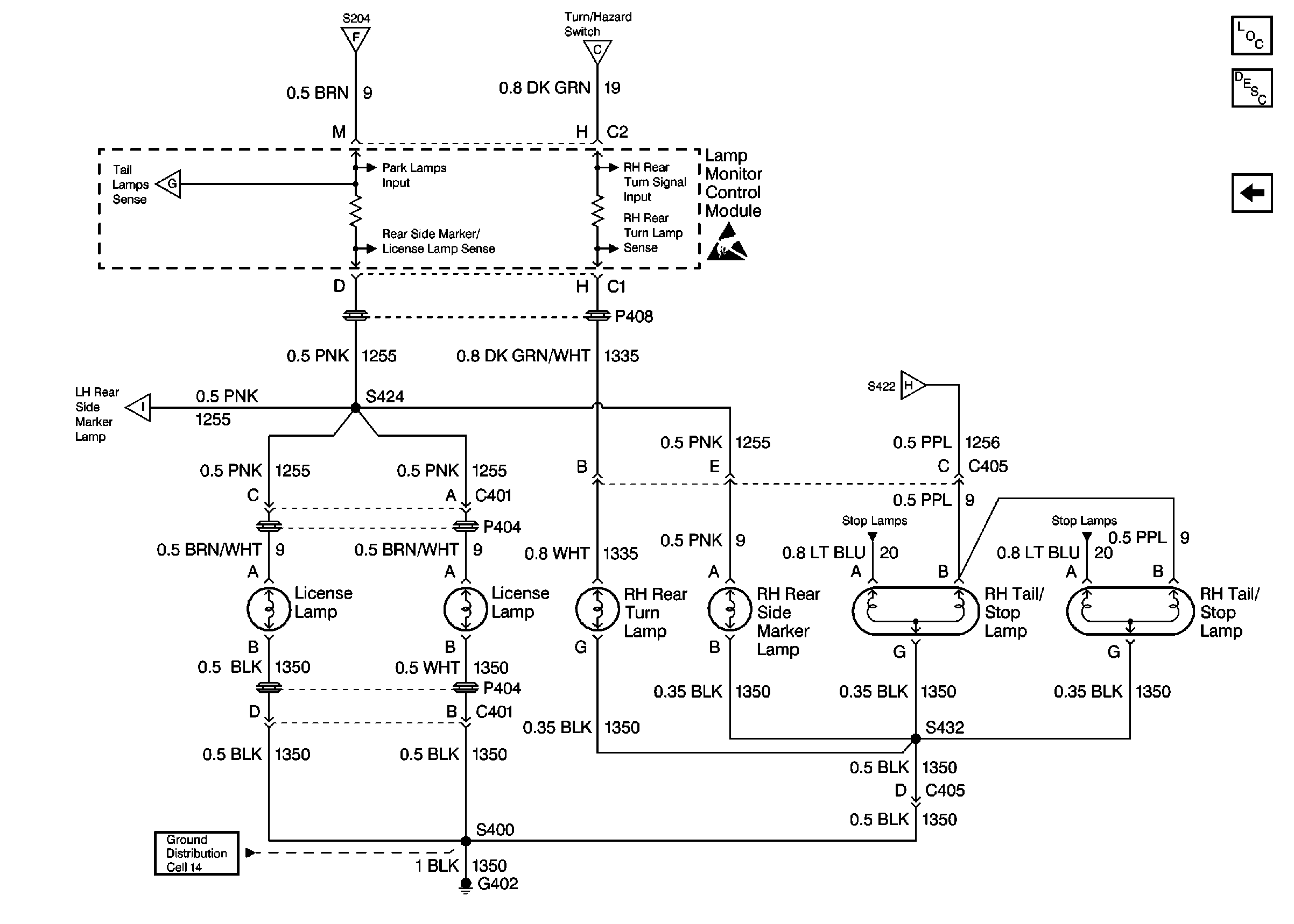
Cell 110: Tail, Rear Turn and Rear Side Marker Lamps
Cell 110: Tail, Rear Turn and Rear Side Marker Lamps
Handling ESD Sensitive Parts Notice
Cell 110: Turn/Hazard Switch
Cell 110: Headlamp Switch, RFA and Park Lamp Control
Cell 110: Tail, Rear Turn and Rear Side Marker Lamps
Cell 110: Tail, Rear Turn and Rear Side Marker Lamps
Ground Distribution Schematics