GM Service Manual Online
For 1990-2009 cars only
Makes
🢒
Oldsmobile
🢒
1999
🢒
Eighty Eight
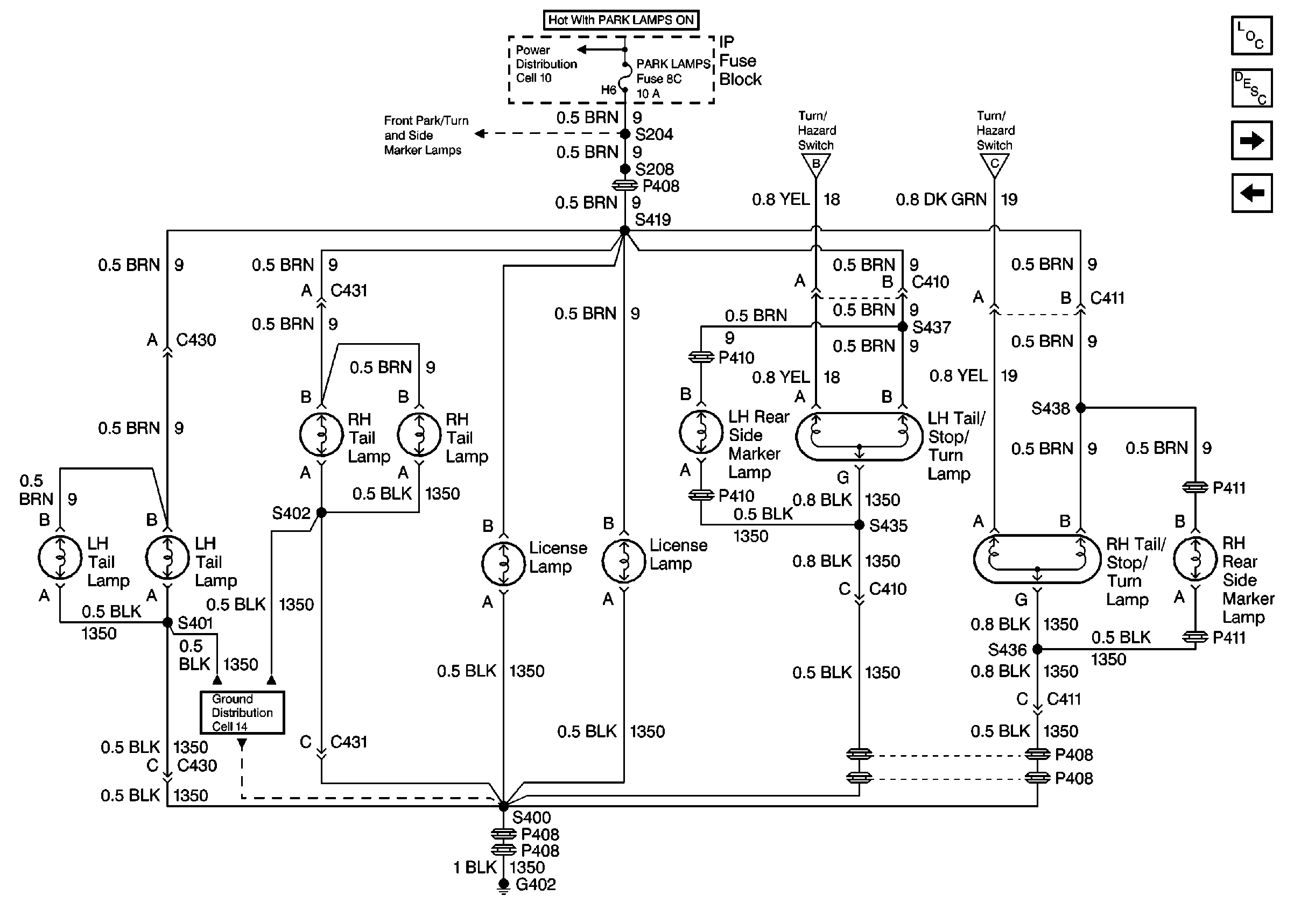
🢒 Cell 110: Tail/Stop/Turn, Tail, and Rear Side Marker Lamps
Cell 110: Tail/Stop/Turn, Tail, and Rear Side Marker Lamps
Cell 110: Tail/Stop/Turn, Tail, and Rear Side Marker Lamps
Lighting Systems Components
Exterior Lights Circuit Description
Cell 110: Cornering Lamps w/ T87
Cell 110: Front Park/Turn and Side Marker Lamps, Turn Indicators
Cell 110: Turn/Hazard Switch and Stoplamp/BTSI Switch
Cell 110: Turn/Hazard Switch and Stoplamp/BTSI Switch
Power Distribution Schematics
Ground Distribution Schematics
Cell 110: Front Park/Turn and Side Marker Lamps, Turn Indicators