GM Service Manual Online
For 1990-2009 cars only
Makes
🢒
Oldsmobile
🢒
1999
🢒
Eighty Eight
🢒 Cell 110: Headlamp Switch, RFA and Park Lamp Control
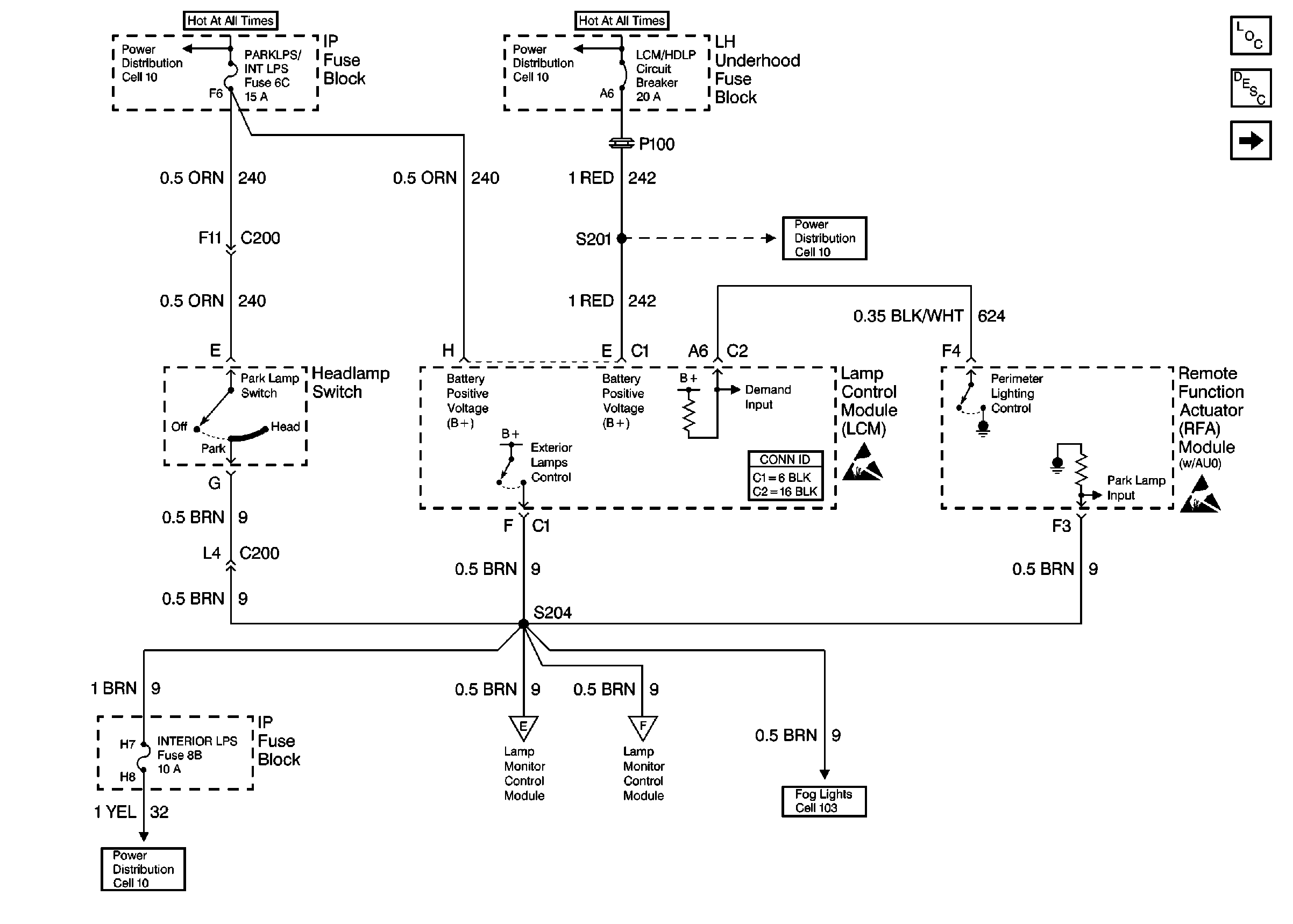
Cell 110: Headlamp Switch, RFA and Park Lamp Control
Cell 110: Headlamp Switch, RFA and Park Lamp Control
Lighting Systems Components
Exterior Lights Circuit Description
Cell 110: Turn/Hazard Switch
Handling ESD Sensitive Parts Notice
Power Distribution Schematics
Handling ESD Sensitive Parts Notice
Lighting Systems Connector End Views
Cell 103: Fog Lamp Switch, LCM
Cell 110: Tail and License Lamps
Power Distribution Schematics
Cell 110: Front Park/Turn and Rear Side Marker Lamps, Turn Indicators
Power Distribution Schematics
Power Distribution Schematics