GM Service Manual Online
For 1990-2009 cars only

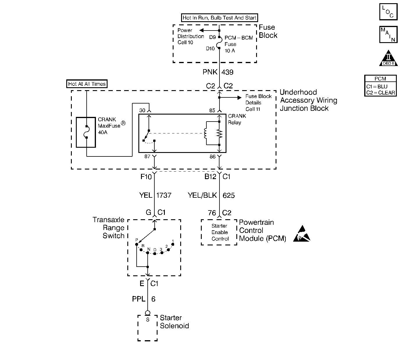
Object Number: 248202  Size: LF
Transaxle Range Switch
OBD II Symbol Description Notice
Handling ESD Sensitive Parts Notice

Circuit Description

The Vehicle Theft Deterrent System (VTD) is incorporated within the Body Control Module (BCM). The PCM has the ability to disable starter operation if conditions inappropriate for starter operation exist. The PCM disables the starter if the engine is running, if a correct VTD password is not received from the BCM or if the vehicle operator attempts to engage the starter for an extended period of time.

The PCM controlled starter system consists of the following components:

    • Starter enable relay.
    • The Transaxle Range / Park Neutral Position switch.
    • The ignition switch.
    • The starter solenoid.
    • The PCM.

Diagnostic Aids

The PCM Controlled Starter Diagnosis table is intended to identify electrical malfunctions that can occur with the system. For additional system diagnosis, refer to Starter and Charging in Electrical Diagnosis. For starter motor diagnosis and on-vehicle service, refer to Cranking System .

Check for the following conditions:

    • Poor connection at the PCM , the starter enable relay, the Transaxle Range / PNP switch, the ignition switch or the starter solenoid.
        Inspect harness connectors for the following conditions:
       - Backed out terminals.
       - Improper mating.
       - Broken locks.
       - Improperly formed or damaged terminals.
       - Poor terminal to wire connection.
    • Damaged harness.
        Inspect the wiring harness for damage.
    • Either of the following conditions can cause the PCM to disable starter operation:
       - The engine has been running for longer than 10 seconds.
       - The starter has been continuously engaged for longer than 15 seconds.
       - A correct VTD password has not been received from the BCM.

Step

Action

Value(s)

Yes

No

1

Does the starter run continuously?

--

Go to Step 8

Go to Step 2

2

Was the On-Board Diagnostic (OBD) System Check performed?

--

Go to Step 3

Go to Powertrain On Board Diagnostic (OBD) System Check

3

Are any other DTCs set?

 

Go to Powertrain Control Module Diagnosis

Go to Step 4

4

Remove starter relay and probe relay switch feed with a test lamp connected to ground.

Does the test lamp illuminate?

--

Go to Step 5

Go to Step 10

5

Important: When performing this step, the engine may crank. Ensure that the following conditions are met:

   • Leave the ignition OFF.
   • Place the vehicle in PARK and set the Parking Brake.
   • Remove all diagnostic tools, equipment, and shop towels from the engine compartment.

  1. Leave the starter relay disconnected.
  2. Connect a fused jumper between the relay switch feed and relay solenoid feed in the relay cavity.

Does the engine crank?

--

Go to Step 6

Go to Step 22

6

  1. Turn on the ignition.
  2. Probe the relay coil feed with a test lamp that is connected to a known good ground.

Does the test lamp illuminate?

--

Go to Step 7

Go to Step 11

7

Probe the relay control circuit with a test lamp connected to battery positive voltage.

Does the test lamp illuminate?

--

Go to Step 24

Go to Step 23

8

Remove the starter relay.

Does the starter run continuously?

--

Go to Step 19

Go to Step 9

9

  1. Verify that the ignition is off.
  2. Probe the relay coil feed circuit at the relay connector with a test lamp connected to a known good ground.

Does the test lamp illuminate?

--

Go to Step 14

Go to Step 30

10

Is the relay switch feed fuse blown?

--

Go to Step 12

Go to Step 13

11

Is the relay coil feed fuse blown?

--

Go to Step 15

Go to Step 17

12

Test the feed circuit of the relay switch for a short to ground and repair if necessary. Refer to Wiring Repairs

Was a repair necessary?

--

Go to Step 32

Go to Step 20

13

Test the feed circuit of the relay switch for an open and repair if necessary. Refer to Wiring Repairs

Was a repair necessary?

--

Go to Step 32

--

14

Test the feed circuit of the relay coil and all shared circuits for a short to voltage and repair if necessary. Refer to Wiring Repairs

Was a repair necessary?

--

Go to Step 32

Go to Step 28

15

Test the feed circuit of the relay coil and all shared circuits for a short to ground and repair if necessary. Refer to Wiring Repairs

Was a repair necessary?

--

Go to Step 32

Go to Step 16

16

  1. Install the starter relay.
  2. Verify that the relay coil feed fuse is good.
  3. Disconnect the PCM connector C2.
  4. Set the J 39200
  5. Connect the DMM between the relay control circuit at the PCM connector and a known good ground.
  6. Turn the ignition to the START position.
  7. Monitor the current reading for at least two minutes.

Is the current reading within the specified values?

.5V - 1.5V

Go to Step 32

Go to Step 30

17

Test the feed circuit for the relay coil for an open and repair if necessary Refer to Wiring Repairs

Was a repair necessary?

--

Go to Step 32

Go to Step 18

18

Test the feed circuit for the ignition switch for an open and repair if necessary.

Was a repair necessary?

--

Go to Step 32

Go to Step 27

19

Test the feed circuit for the starter solenoid for a short to voltage and repair if necessary.

Was a repair necessary?

--

Go to Step 32

Go to Step 29

20

Test the feed circuit for the starter solenoid for an open and repair if necessary.

Was a repair necessary?

--

Go to Step 32

Go to Step 21

21

  1. Verify that the relay and a good relay switch feed fuse are installed.
  2. Disconnect the solenoid feed circuit at the solenoid.
  3. Connect a test lamp to a known good ground and probe the solenoid feed at the solenoid.
  4. Turn the ignition switch to START.

Does the test lamp illuminate for more than five seconds?

--

Go to Step 29

Go to Step 30

22

Test the feed for the starter solenoid for an open and repair if necessary.

Was a repair necessary?

--

Go to Step 32

Go to Step 25

23

Test the control circuit for the starter relay for an open or a short to voltage and repair if necessary.

Was a repair necessary?

--

Go to Step 32

Go to Step 26

24

Inspect for a poor connection at the relay and repair if necessary.

Was a repair necessary?

--

Go to Step 32

Go to Step 30

25

Inspect for a poor connection in the feed circuit for the starter solenoid at the starter solenoid and repair if necessary.

Was a repair necessary?

--

Go to Step 32

Go to Step 29

26

Inspect for a poor connection in the control circuit for the relay at the PCM and repair if necessary.

Was a repair necessary?

--

Go to Step 32

Go to Step 31

27

Inspect for a poor connection in the feed circuits for the relay and the ignition switch at the ignition switch and repair if necessary.

Was a repair necessary?

--

Go to Step 32

Go to Step 28

28

Replace the ignition switch. Refer to Ignition Switch Lock Cylinder Replacement

Is the action complete?

--

Go to Step 32

--

29

Replace the starter solenoid. Refer to Starter Motor Replacement

Is the action complete?

--

Go to Step 32

--

30

Replace the starter relay.

Is the action complete?

--

Go to Step 32

--

31

Important: The replacement PCM must be programmed.

Refer to Powertrain Control Module Replacement/Programming .

Replace the PCM.

Is action complete?

--

Go to Step 32

--

32

  1. Install any parts that were removed in order to perform tests.
  2. Attempt to crank the engine.

Does the engine crank normally?

--

System OK.

Go to Step