GM Service Manual Online
For 1990-2009 cars only
Makes
🢒
Oldsmobile
🢒
1998
🢒
Intrigue
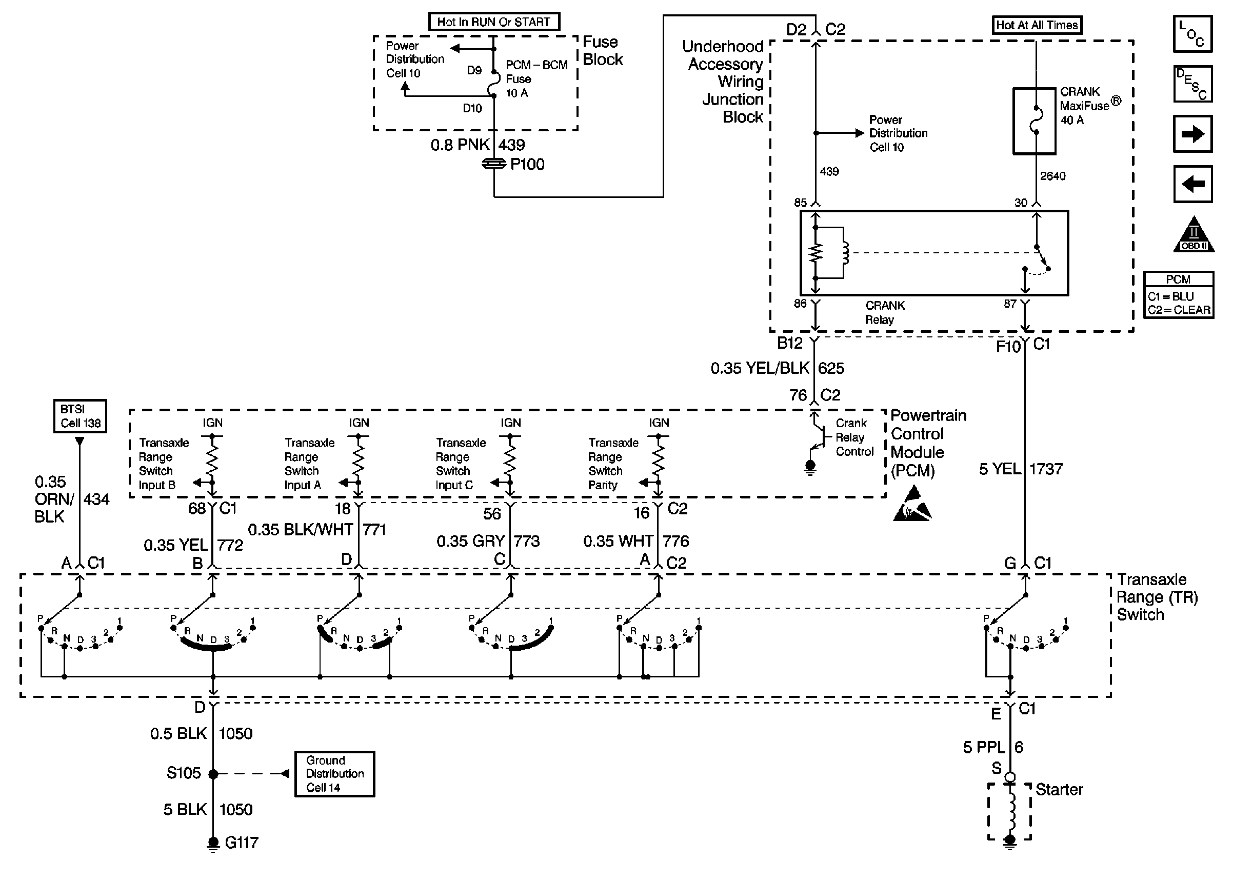
🢒 Transaxle Range Switch
Transaxle Range Switch
Transaxle Range Switch
Engine Controls Components
Powertrain Control Module Description
IAC Valve, Engine Oil Level Switch, Engine Oil Pressure Switch
VSS, Cruise
OBDII Symbol Description Notice
Handling Electrostatic Discharge Sensitive Parts Notice
Shift Lock Control Schematics
Power Distribution Schematics
Power Distribution Schematics
Ground Distribution Schematics