GM Service Manual Online
For 1990-2009 cars only
Makes
🢒
Oldsmobile
🢒
1998
🢒
Intrigue
🢒
Body and Accessories
🢒
Wipers/Washer Systems
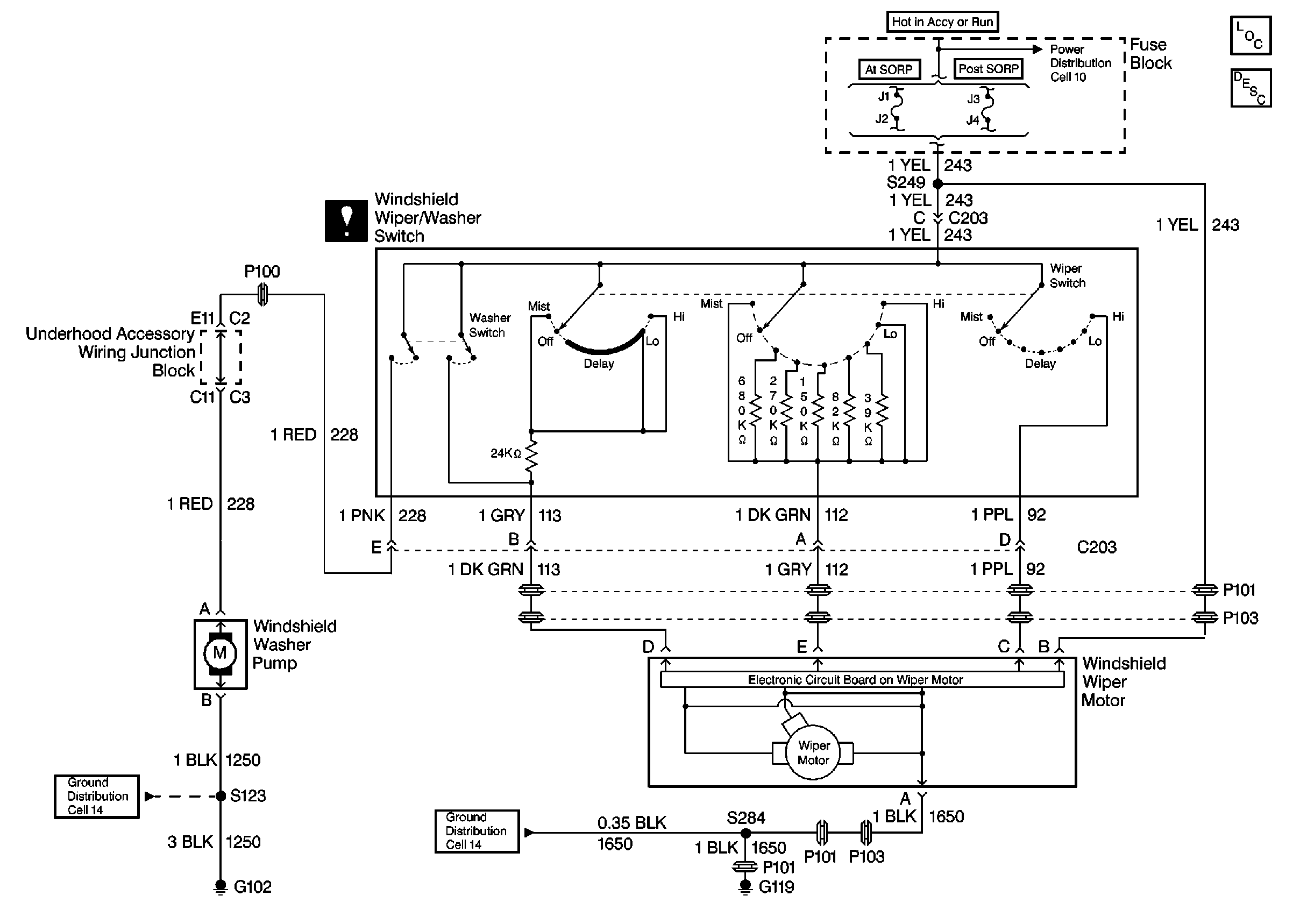
🢒 Wiper/Washer System (Pulse) Schematics
Cell 91
Wiper/Washer System Components
Wiper/Washer System Circuit Description
Cell 10: WIPER, POWER DROP, RADIO-CRUISE, And RED STRG WHL ILLUM Fuses
Cell 14: Forward Lamp Grounds G101 And G102
Cell 14: Engine Compartment Ground G119