GM Service Manual Online
For 1990-2009 cars only
Makes
🢒
Oldsmobile
🢒
1998
🢒
Intrigue
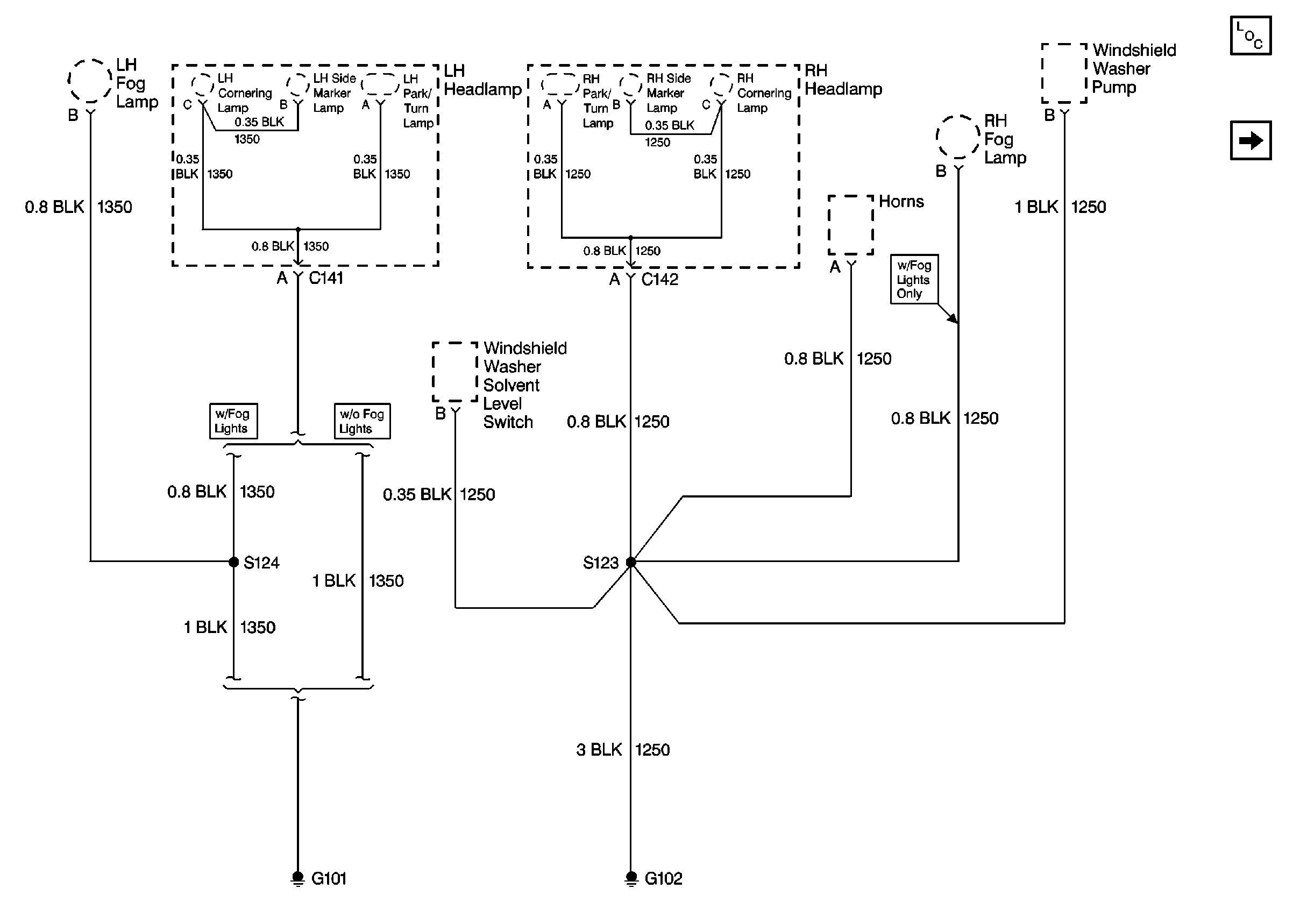
🢒 Cell 14: Forward Lamp Grounds G101 And G102
Cell 14: Forward Lamp Grounds G101 And G102
Cell 14: Forward Lamp Grounds G101 And G102
Power and Grounding Components
Cell 14: Engine Grounds G100, G111, And G113