GM Service Manual Online
For 1990-2009 cars only
Makes
🢒
Oldsmobile
🢒
1998
🢒
Intrigue
🢒
Body and Accessories
🢒
Horns
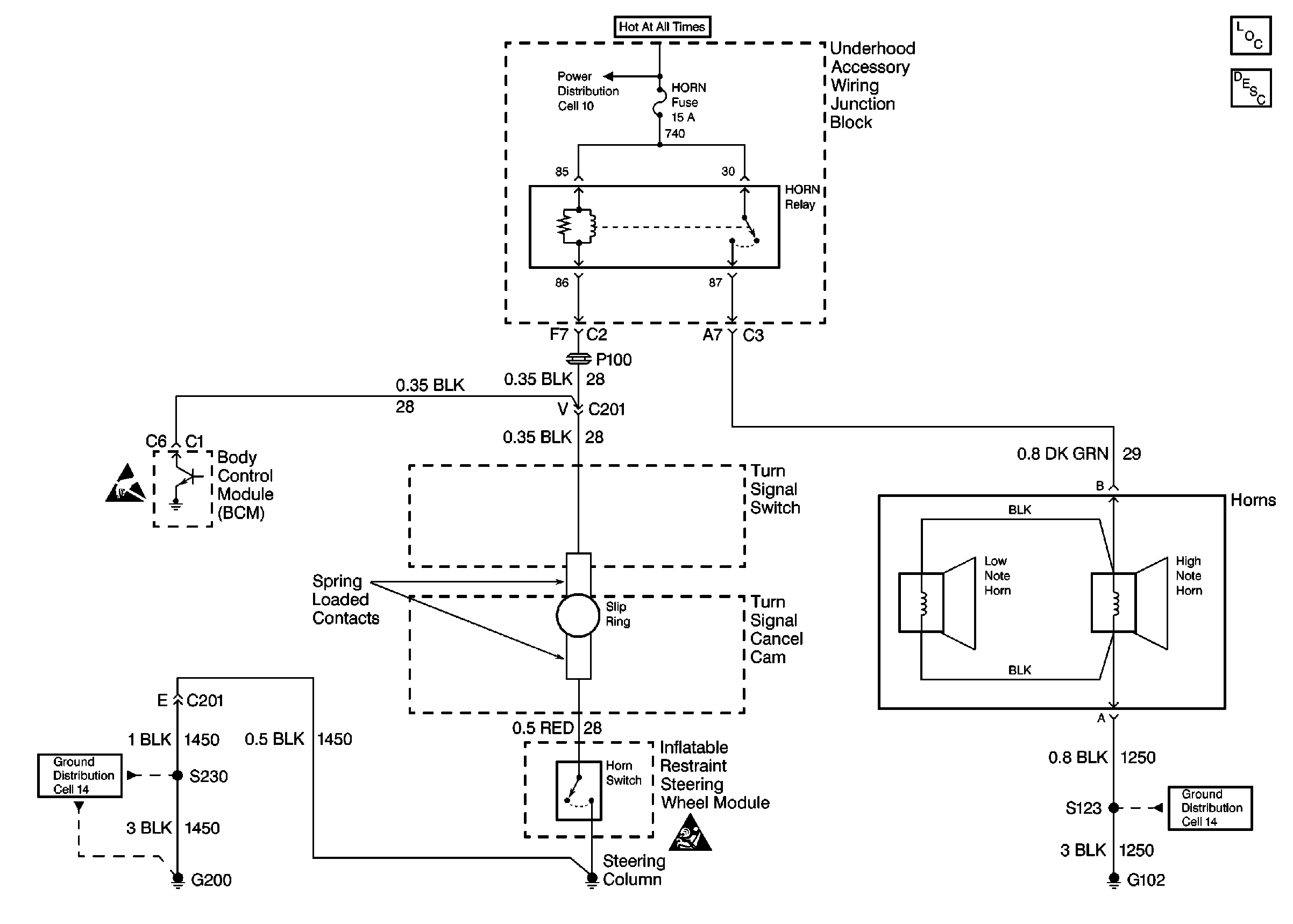
🢒 Horn Schematics
Cell 40
Horns Components
Horns Circuit Description
Handling Electrostatic Discharge Sensitive Parts Notice
SIR Handling Caution
Cell 10: R/CMPT REL, ECM, GEN, F/PMP, A/C CLU, And HORN Fuses
Cell 14: Forward Lamp Grounds G101 And G102
Cell 14: RH I/P Ground G200