GM Service Manual Online
For 1990-2009 cars only

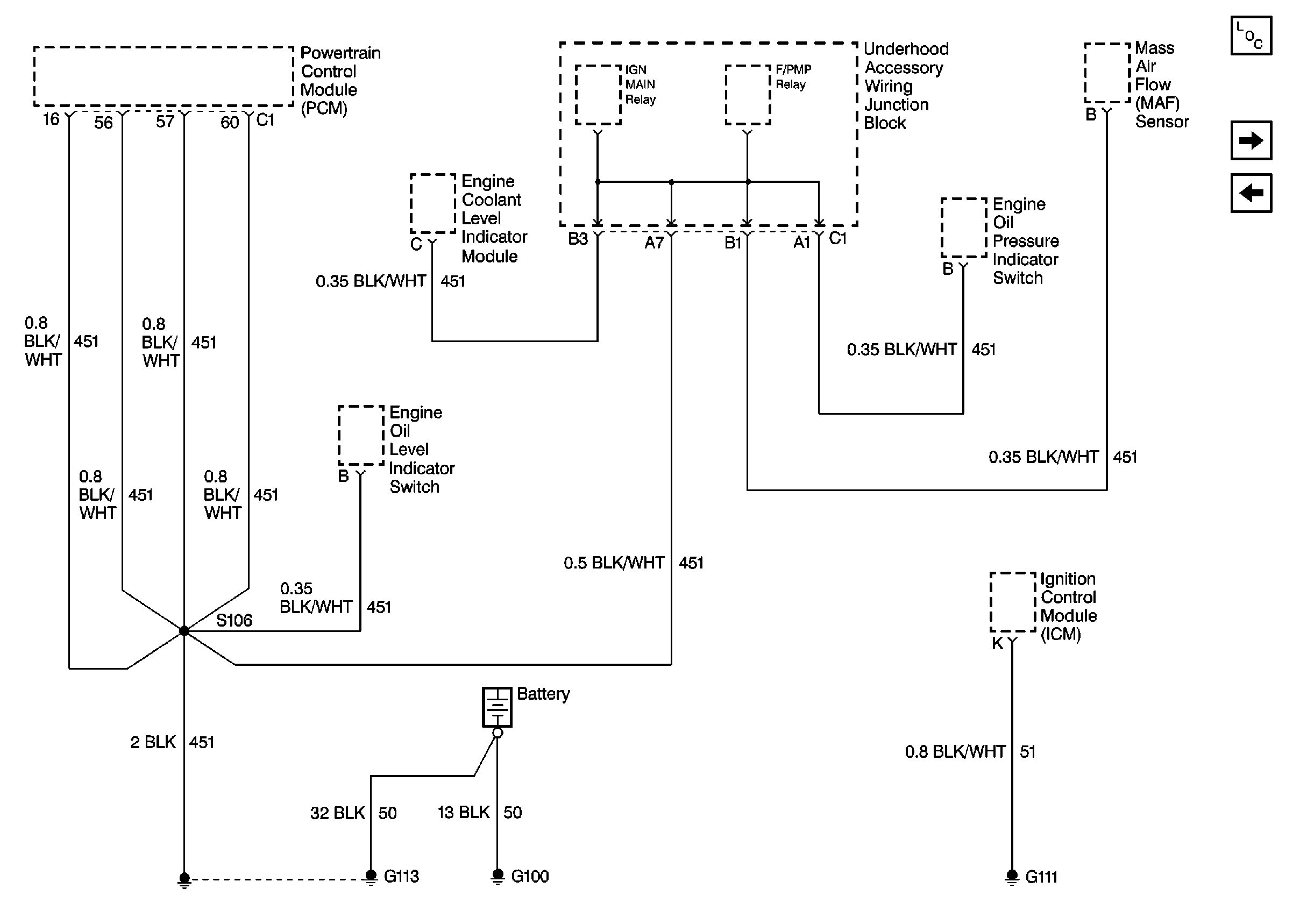
Cell 14: Engine Grounds G100, G111, And G113

Cell 14: Engine Grounds G100, G111, And G113


Object Number: 293831  Size: FS
Power and Grounding Components
Cell 14: Engine Ground G117
Cell 14: Forward Lamp Grounds G101 And G102