GM Service Manual Online
For 1990-2009 cars only

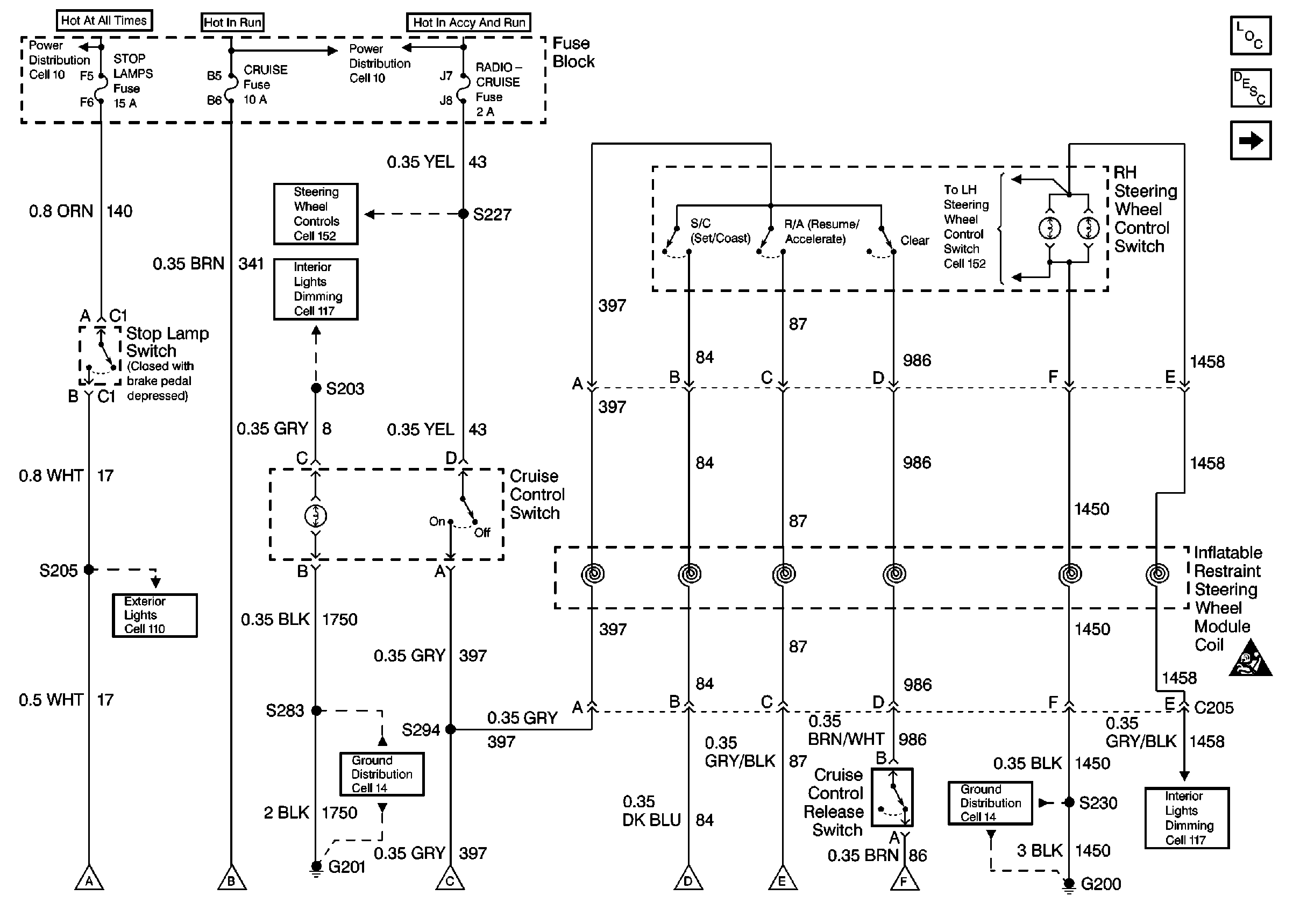
Cell 34: Power Distribution and Cruise Control Switches

Cell 34: Power Distribution and Cruise Control Switches


Object Number: 308526  Size: FS
Cruise Control Components
Cruise Control System Circuit Description
Cell 34: Cruise Control Module and Ground Distribution
SIR Handling Caution
Cell 117: Power, I/P, Switch Illumination and Ground Distribution
Cell 14: RH I/P Ground G200
Cell 152
Cell 14: LH I/P Ground G201
Cell 117: Power, I/P, Switch Illumination and Ground Distribution
Cell 152
Cell 10: WIPER, POWER DROP, RADIO-CRUISE, And RED STRG WHL ILLUM Fuses
Cell 10: LOW BLOWER, CRUISE, And HVAC Fuses
Cell 110: Tail/Stop and CHMSL
Cell 10: HIGH BLOWER, HAZARD, STOP LAMPS, DOOR LOCKS, And POWER MIRROR Fuses