GM Service Manual Online
For 1990-2009 cars only
Makes
🢒
Oldsmobile
🢒
1998
🢒
Intrigue
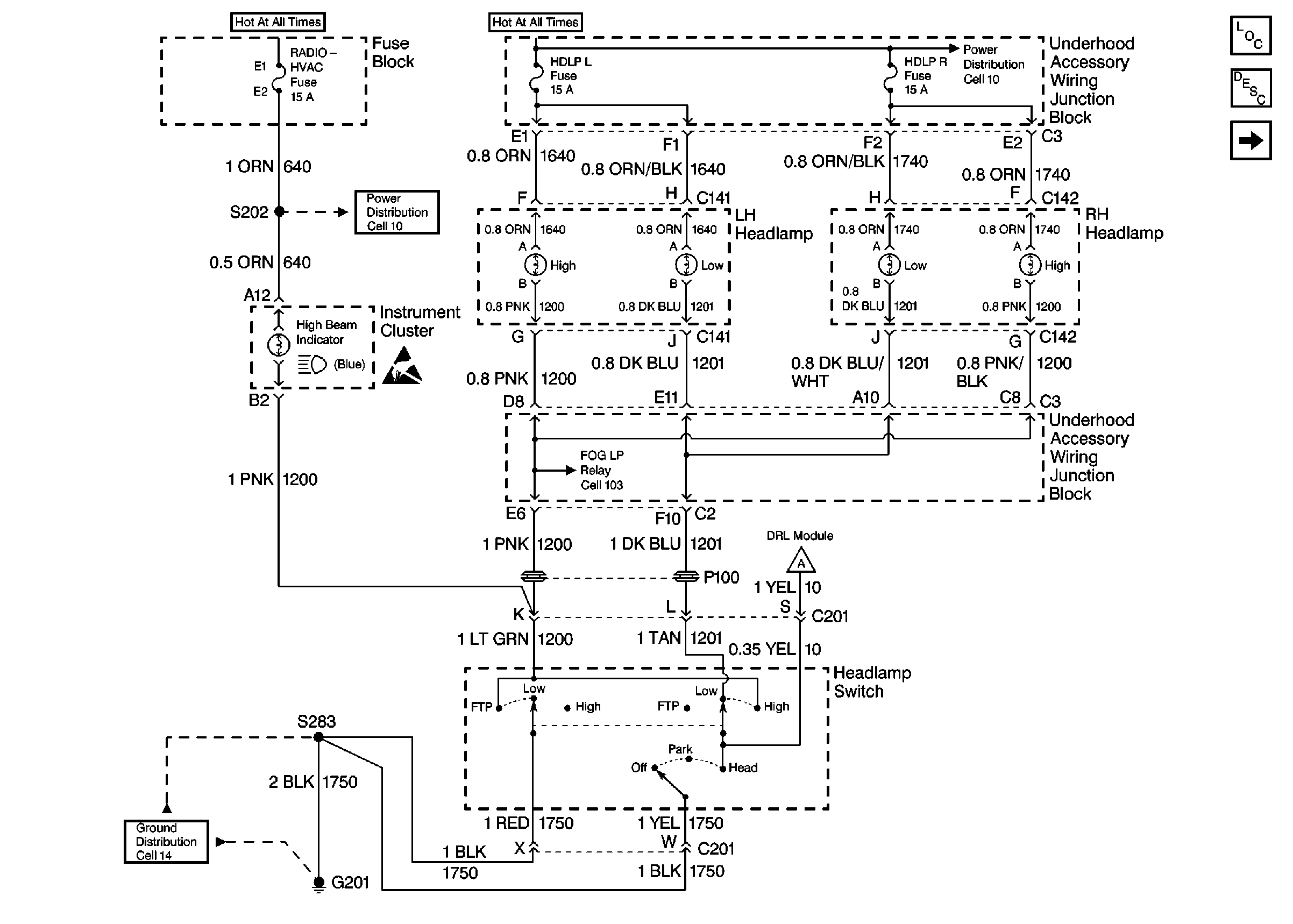
🢒 Cell 100: Power Distribution, Headlamps, Headlamp Switch and Ground Distribution
Cell 100: Power Distribution, Headlamps, Headlamp Switch and Ground Distribution
Cell 100: Power Distribution, Headlamps, Headlamp Switch and Ground Distribution
Lighting Systems Components
Headlights Circuit Description
Cell 100: DRL Control Module and BCM
Handling Electrostatic Discharge Sensitive Parts Notice
Power Distribution Schematics
Power Distribution Schematics
Ground Distribution Schematics