GM Service Manual Online
For 1990-2009 cars only
Makes
🢒
Oldsmobile
🢒
1998
🢒
Intrigue
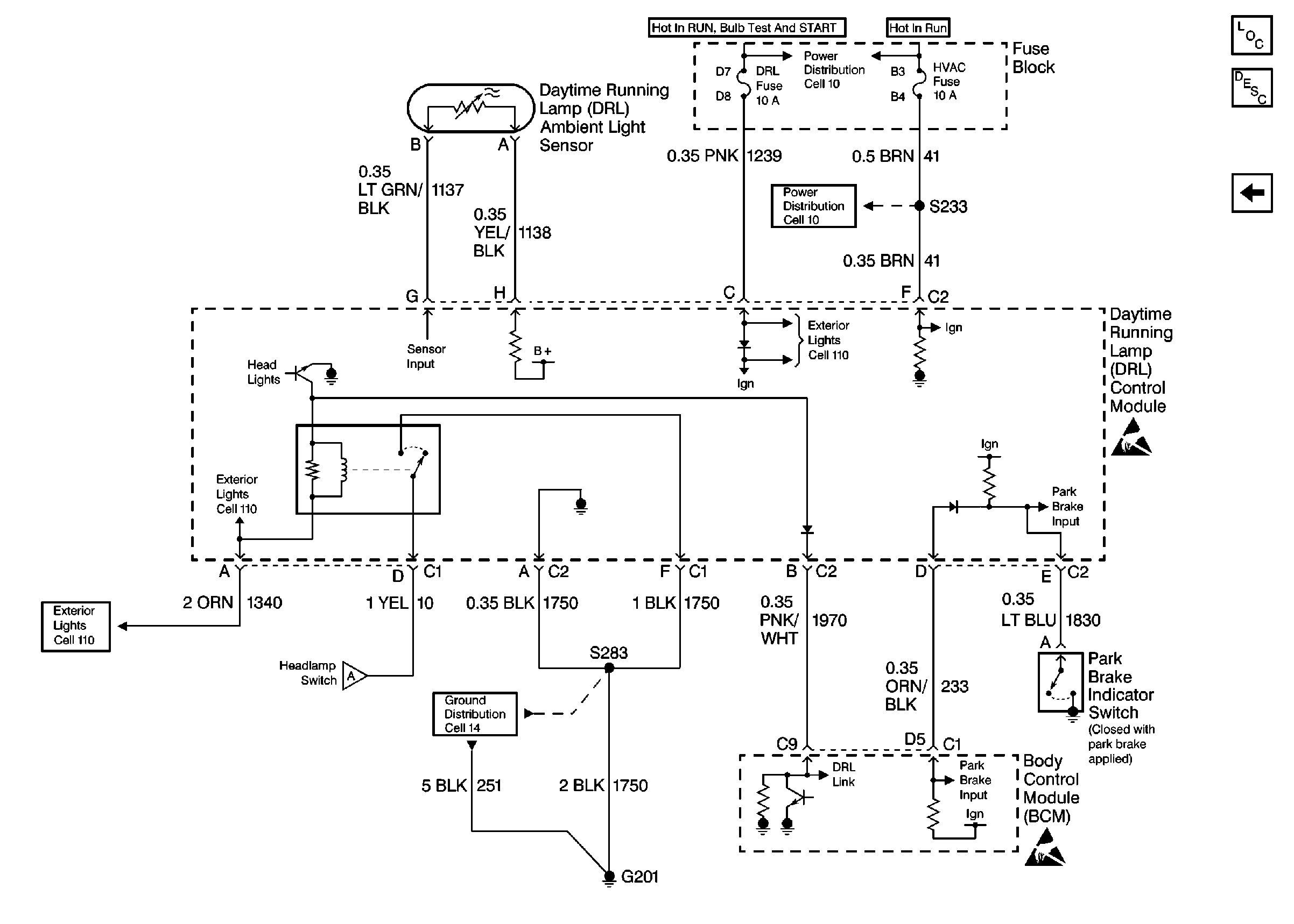
🢒 Cell 100: DRL Control Module and BCM
Cell 100: DRL Control Module and BCM
Cell 100: DRL Control Module and BCM
Lighting Systems Components
Headlights Circuit Description
Cell 100: Power Distribution, Headlamps, Headlamp Switch and Ground Distribution
Handling Electrostatic Discharge Sensitive Parts Notice
Handling Electrostatic Discharge Sensitive Parts Notice
Exterior Lights Schematics
Exterior Lights Schematics
Exterior Lights Schematics
Power Distribution Schematics
Power Distribution Schematics
Ground Distribution Schematics