GM Service Manual Online
For 1990-2009 cars only
Makes
🢒
Oldsmobile
🢒
1998
🢒
Intrigue
🢒 Cell 110: Park/Turn Signal and Ground Distribution
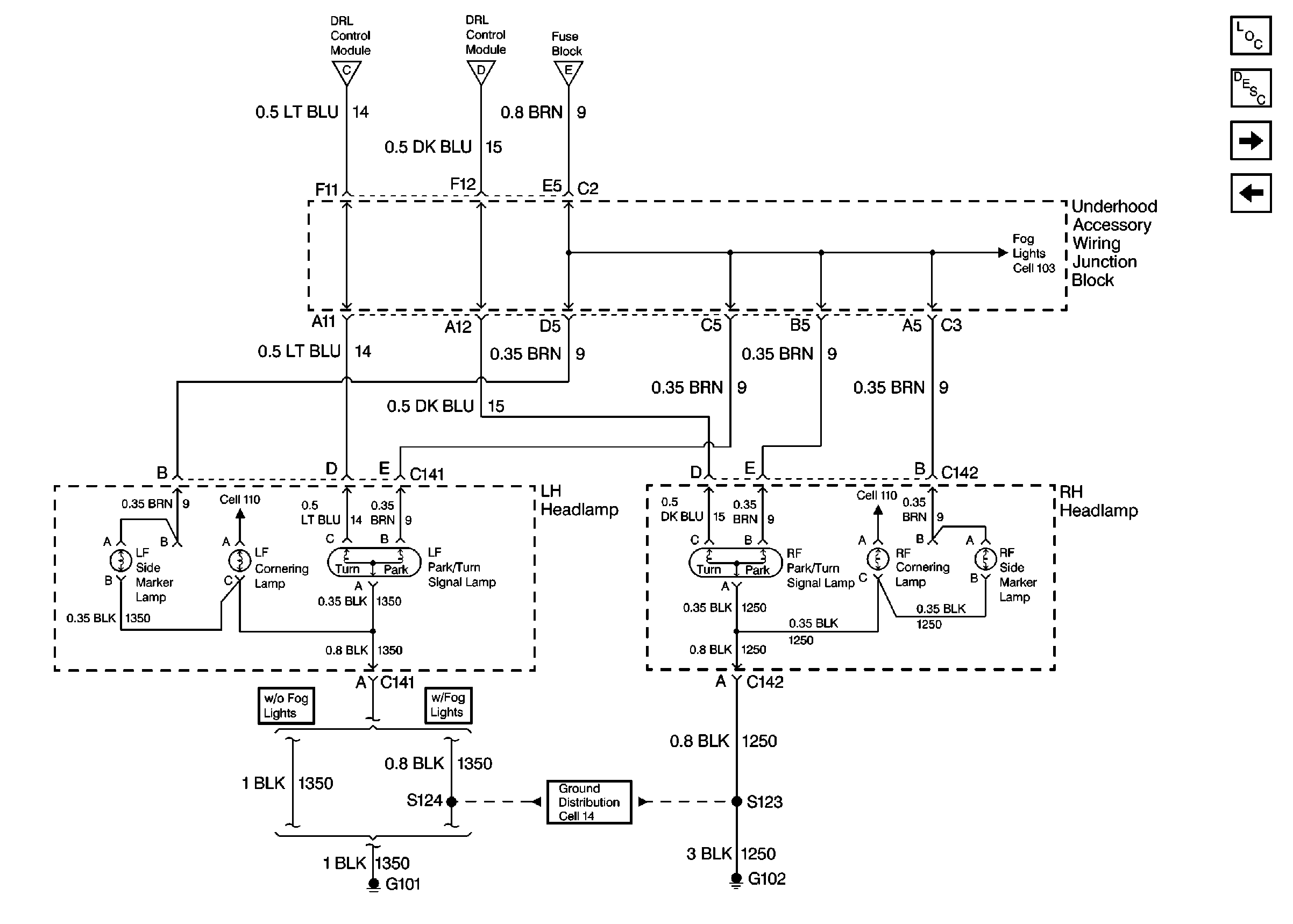
Cell 110: Park/Turn Signal and Ground Distribution
Cell 110: Park/Turn Signal and Ground Distribution
Lighting Systems Components
Exterior Lights Circuit Description
Cell 110: Rear Side Marker, Tail and License Plate Lamps
Cell 110: Headlamp Switch, DRL Control Module and BCM
Fog Lights Schematics
Exterior Lights Schematics
Exterior Lights Schematics
Ground Distribution Schematics