GM Service Manual Online
For 1990-2009 cars only
Makes
🢒
Oldsmobile
🢒
1998
🢒
Intrigue
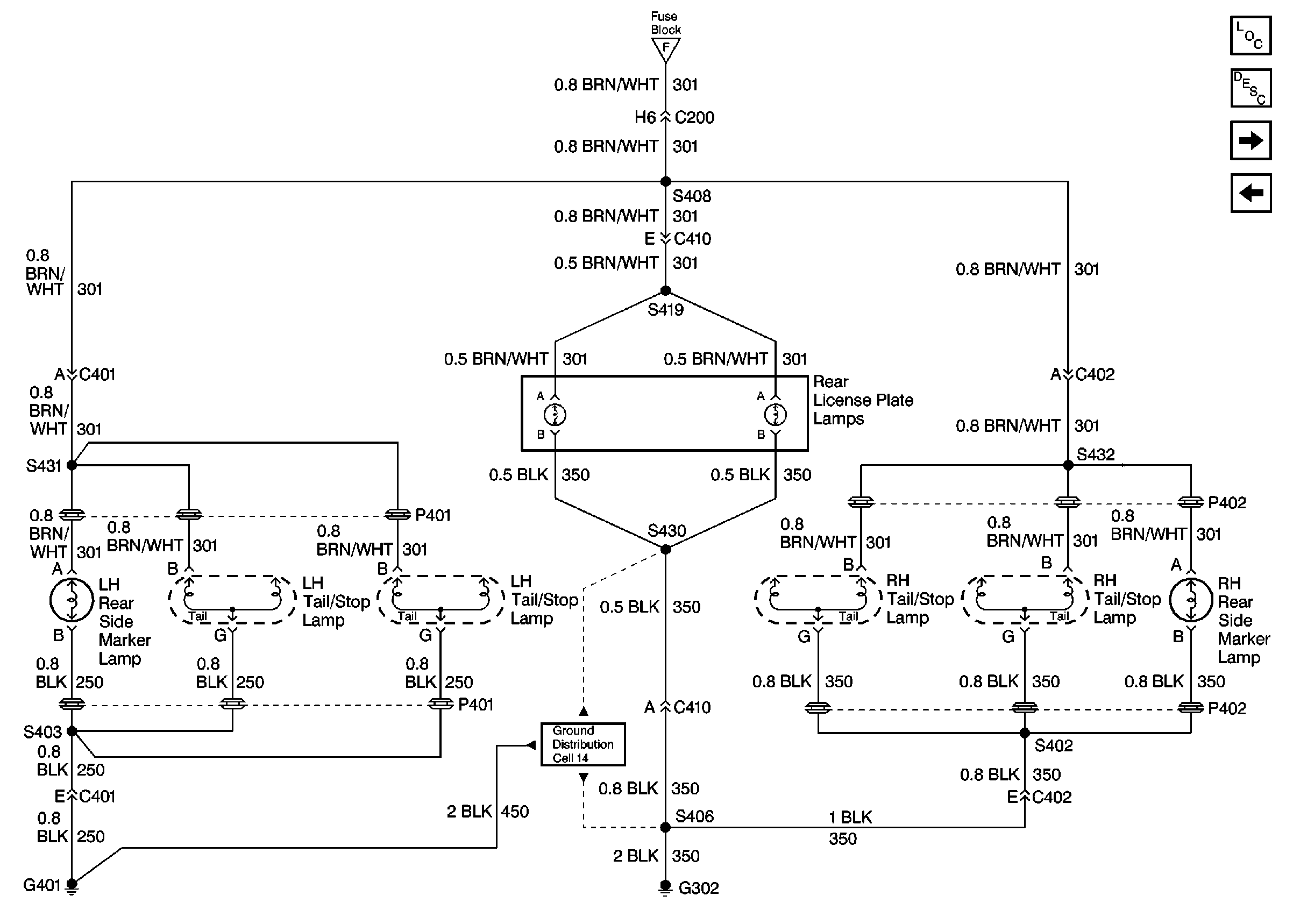
🢒 Cell 110: Rear Side Marker, Tail and License Plate Lamps
Cell 110: Rear Side Marker, Tail and License Plate Lamps
Cell 110: Rear Side Marker, Tail and License Plate Lamps
Lighting Systems Components
Exterior Lights Circuit Description
Cell 110: Tail/Stop and CHMSL
Cell 110: Park/Turn Signal and Ground Distribution
Ground Distribution Schematics