GM Service Manual Online
For 1990-2009 cars only
Makes
🢒
Oldsmobile
🢒
1998
🢒
Intrigue
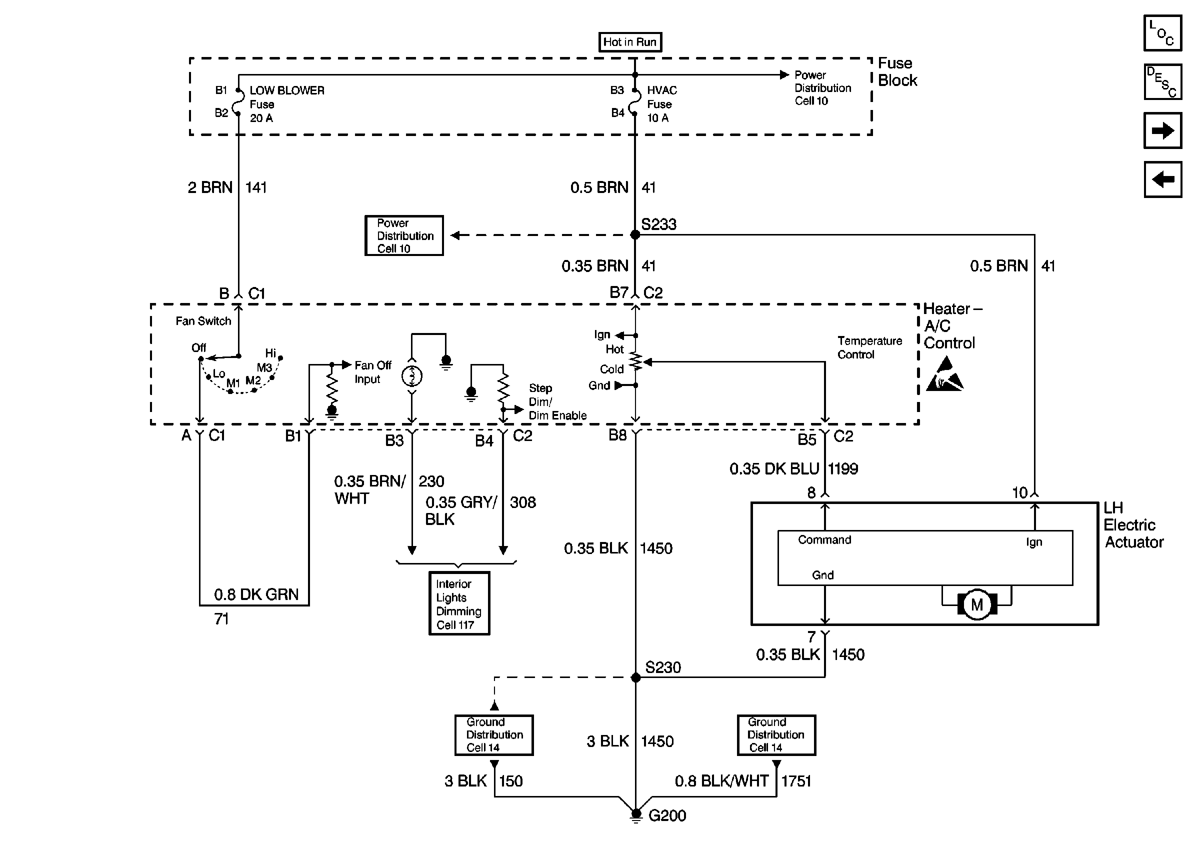
🢒 Cell 65: Heater A/C Control and LH Electric Actuator
Cell 65: Heater A/C Control and LH Electric Actuator
Cell 65: Heater A/C Control and LH Electric Actuator
HVAC Components
HVAC Air Delivery/Temperature Control Circuit Description
Cell 65: Vacuum/Electric Solenoid
Cell 64
Handling Electrostatic Discharge Sensitive Parts Notice
Power Distribution Schematics
Power Distribution Schematics
Interior Lights Dimming Schematics
Ground Distribution Schematics
Ground Distribution Schematics