GM Service Manual Online
For 1990-2009 cars only
Makes
🢒
Oldsmobile
🢒
1998
🢒
Intrigue
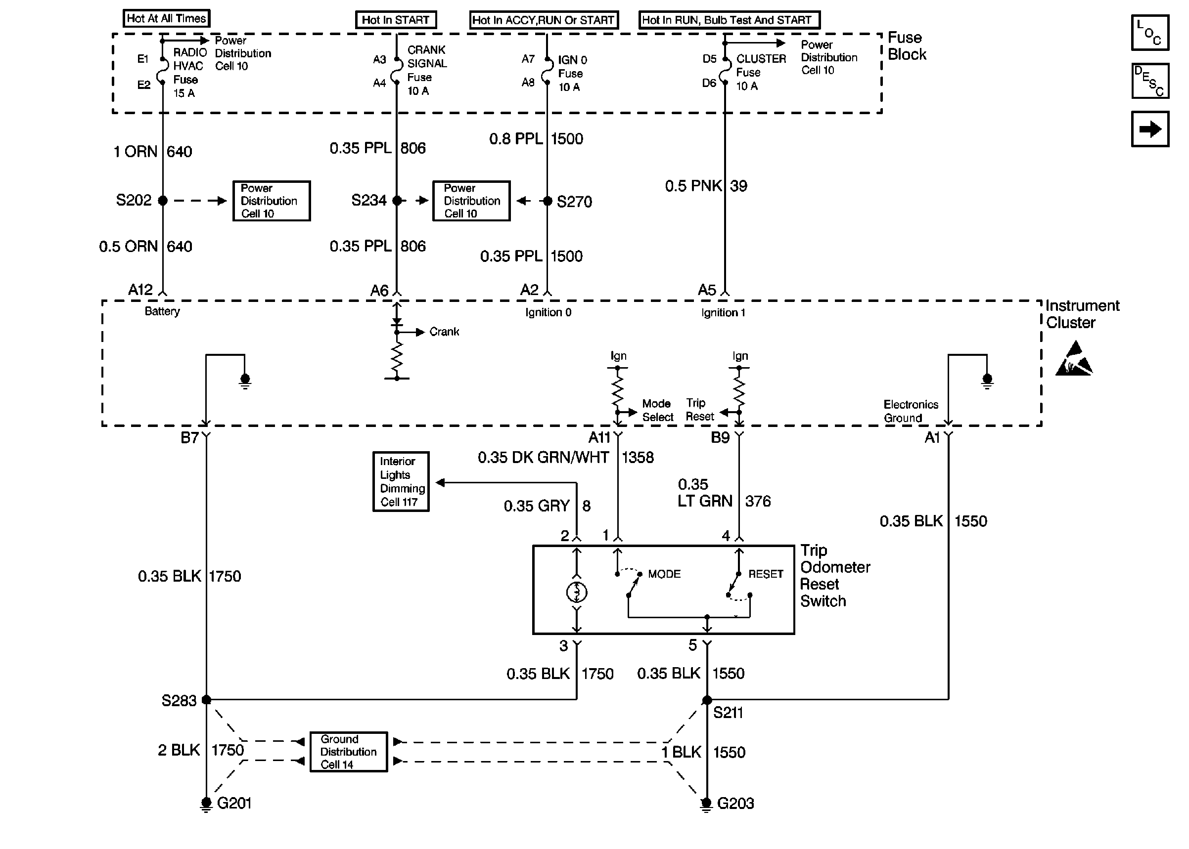
🢒 Cell 81: Power Distribution, Ground Distribution and Trip Odometer Reset Switch
Cell 81: Power Distribution, Ground Distribution and Trip Odometer Reset Switch
Cell 81: Power Distribution, Ground Distribution and Trip Odometer Reset Switch
Instrument Cluster Components Component Locator
Instrument Cluster Circuit Description Description and Operation
Cell 81: I/P Lamp Dimmer Switch, Windshield Washer Solvent Level Switch, and Serial Data
Cell 10: Battery, Starter, Generator, Underhood Accessory Wiring JunctiOn Block, And Fuse Block
Cell 10: Underhood Accessory Wiring Junction Block, Ignition Switch, And Fuse Block
Cell 10: ABS, HEATED MIRROR, CRANK SIGNAL, And IGN 0 Fuses
Cell 10: RADIO-HVAC, ABS-BCM, INADV POWER BUS, CIGAR LTR and CD CHANGER Fuses
Cell 14: LH I/P Ground G201
Handling Electrostatic Discharge Sensitive Parts Notice
Cell 117: Power, I/P, Switch Illumination and Ground Distribution