GM Service Manual Online
For 1990-2009 cars only
Makes
🢒
Oldsmobile
🢒
1999
🢒
Intrigue
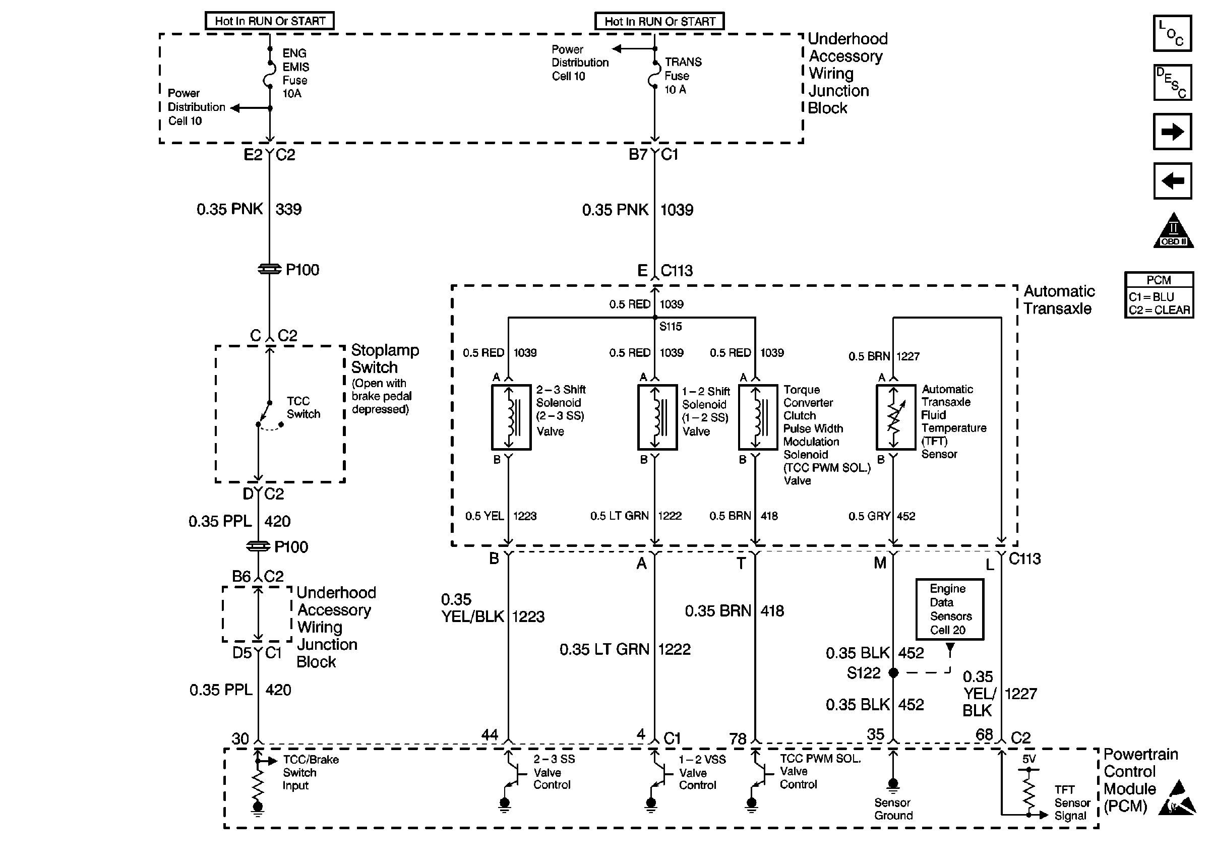
🢒 Stoplamp Switch, Automatic Transaxle
Stoplamp Switch, Automatic Transaxle
Automatic Transaxle Controls
Engine Controls Components
Information Sensors/Switches Description
PCM, Automatic Transaxle
MAF Sensor, EVAP Vent Solenoid Valve, Purge Solenoid Valve, EGR Valve
OBD II Symbol Description Notice
Handling ESD Sensitive Parts Notice