GM Service Manual Online
For 1990-2009 cars only
Makes
🢒
Oldsmobile
🢒
1999
🢒
Intrigue
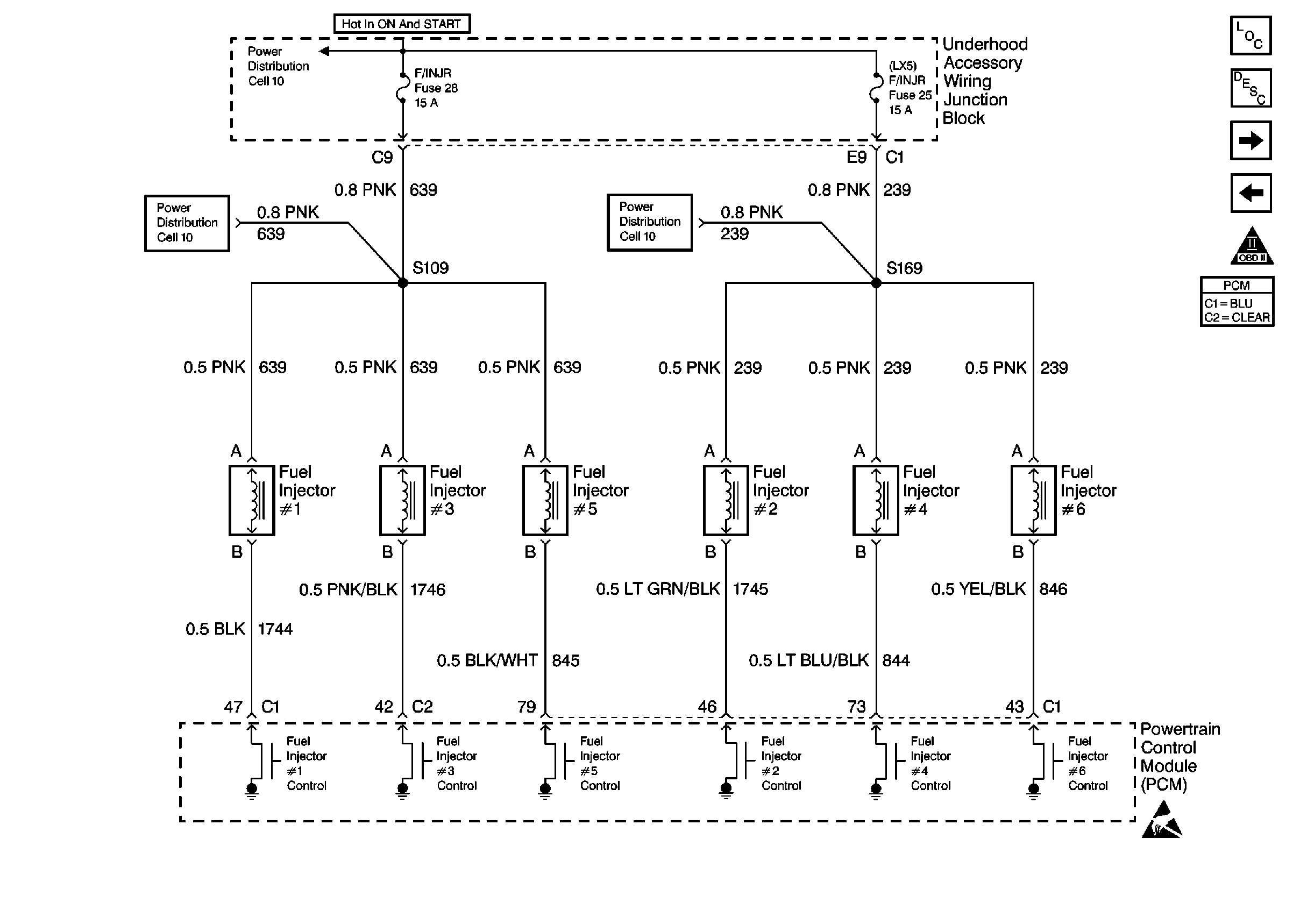
🢒 Fuel Injectors
Fuel Injectors
Fuel Injectors
Cell 10: F/INJR (28) Fuse
Cell 10: Underhood Accessory Wiring Junction Block
Cell 10: TRANS, TRANS/ABS, DFI, F/INJR (25), and OXY SEN Fuses
Handling ESD Sensitive Parts Notice
OBD II Symbol Description Notice
Fuel Pump and Fuel Level Sensors
Engine Data Sensors
Engine Controls Components
Powertrain Control Module Description