GM Service Manual Online
For 1990-2009 cars only
Makes
🢒
Oldsmobile
🢒
1999
🢒
Intrigue
🢒 Engine Data Sensors
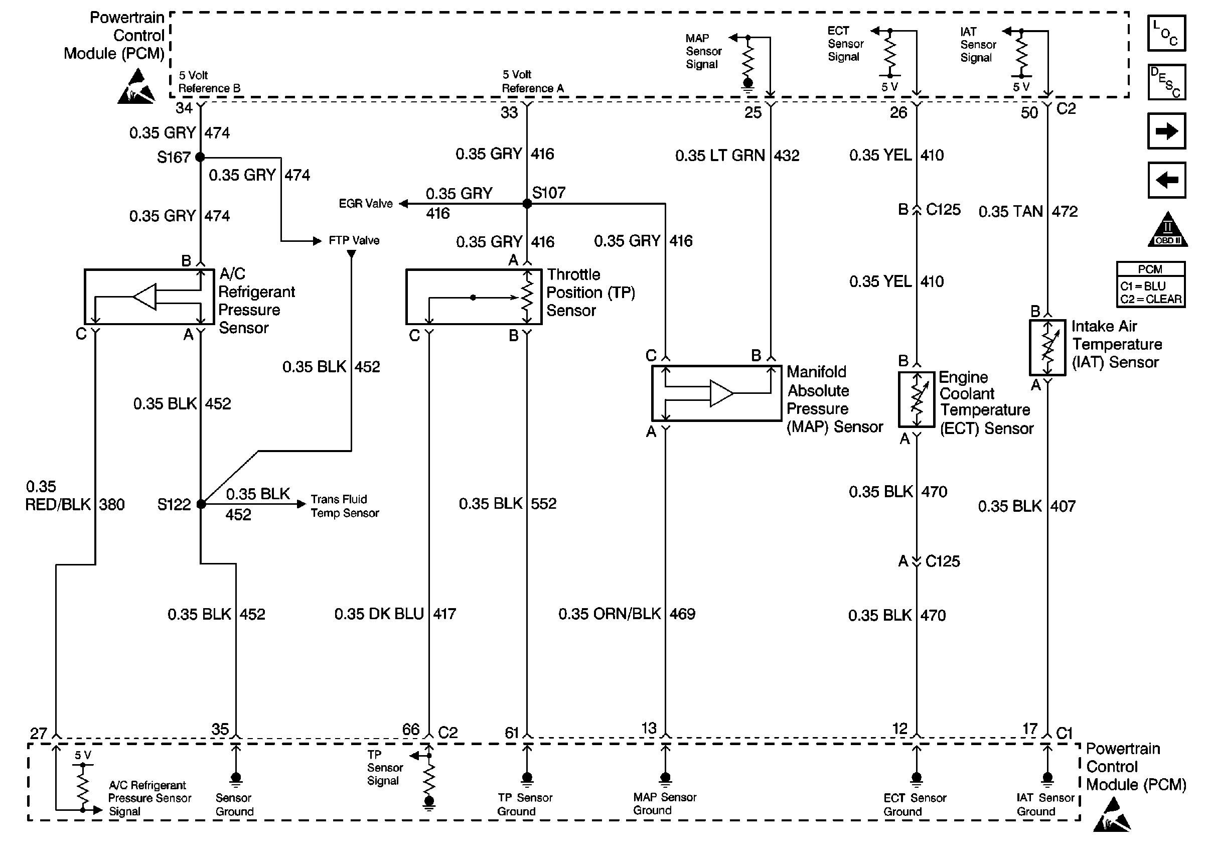
Engine Data Sensors
Engine Data Sensors
Handling ESD Sensitive Parts Notice
Handling ESD Sensitive Parts Notice
Heated Oxygen Sensor (HO2S) #1 and #2
Fuel Injectors
OBD II Symbol Description Notice
Automatic Transaxle Controls 2 of 2
Fuel Pump and Fuel Level Sensors
EVAP and EGR
Engine Controls Components
Powertrain Control Module Description