GM Service Manual Online
For 1990-2009 cars only
Makes
🢒
Oldsmobile
🢒
1999
🢒
Intrigue
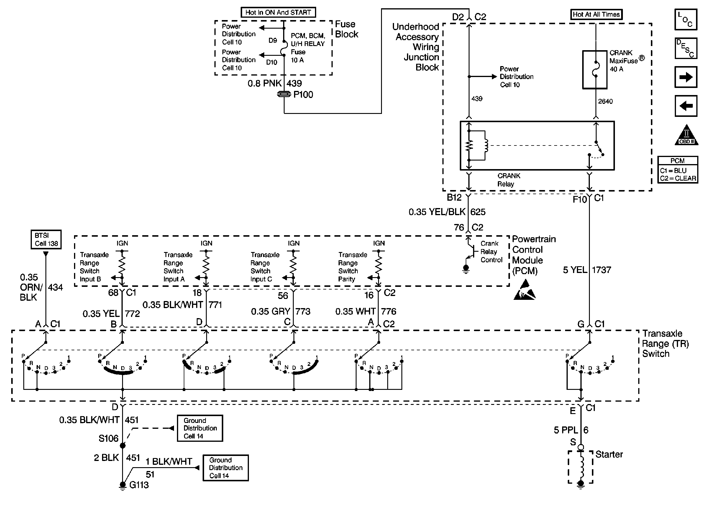
🢒 Transaxle Range Switch
Transaxle Range Switch
Transaxle Range Switch
Cell 10: IGN 2 MaxiFuse®, and Ignition Switch
Engine Controls Components
Powertrain Control Module Description
Powertrain Control Module Connector End Views
Cell 138: BTSI, Transaxle Range Switch and Ground Distribution
Cell 10: AIR BAG, CLUSTER, DRL, PCM BCM U/H RELAY, and TURN SIGNALSCORN LPS Fuses
Cell 10: AIR BAG, CLUSTER, DRL, PCM BCM U/H RELAY, and TURN SIGNALSCORN LPS Fuses
Cell 14: LX5 Engine Grounds G100, G110, and G113
Cell 14: LX5 Engine Grounds G100, G110, and G113
Handling ESD Sensitive Parts Notice
Handling ESD Sensitive Parts Notice
Indicators
Automatic Transaxle Controls 1 of 2