GM Service Manual Online
For 1990-2009 cars only
Makes
🢒
Oldsmobile
🢒
1999
🢒
Intrigue
🢒 A/C Compressor Controls
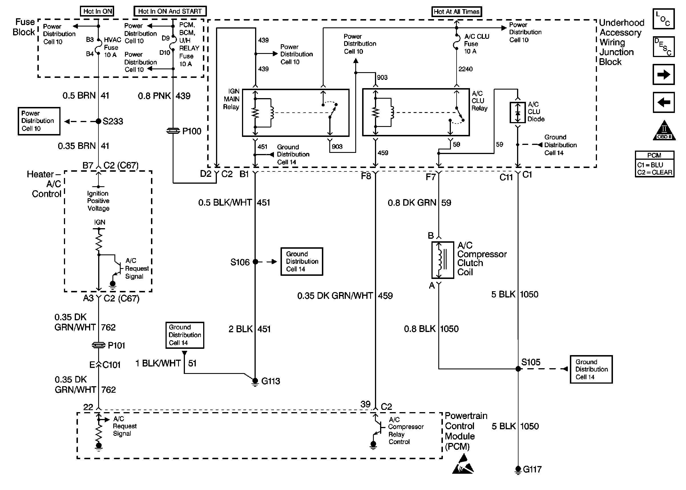
A/C Compressor Controls
A/C Compressor Controls
Cell 10: IGN 1 MaxiFuse®, and Ignition Switch
Cell 10: AIR BAG, CLUSTER, DRL, PCM BCM U/H RELAY, and TURN SIGNALSCORN LPS Fuses
Cell 10: AIR BAG, CLUSTER, DRL, PCM BCM U/H RELAY, and TURN SIGNALSCORN LPS Fuses
Cell 10: Underhood Accessory Wiring Junction Block
Cell 10: Underhood Accessory Wiring Junction Block
Cell 10: CRUISE, HVAC, and LOW BLOWER Fuses
Cell 10: IGN 2 MaxiFuse®, and Ignition Switch
Cell 14: LX5 Engine Grounds G100, G110, and G113
Cell 14: LX5 Engine Grounds G100, G110, and G113
Cell 14: LX5 Engine Grounds G100, G110, and G113
Handling ESD Sensitive Parts Notice
Cell 14: LX5 Engine Ground G117
Cell 14: LX5 Engine Ground G117
Handling ESD Sensitive Parts Notice
Engine Controls Components
Powertrain Control Module Description
Powertrain Control Module Connector End Views
Automatic Transaxle Controls 2 of 2
Cooling Fans Controls