GM Service Manual Online
For 1990-2009 cars only
Makes
🢒
Oldsmobile
🢒
1999
🢒
Intrigue
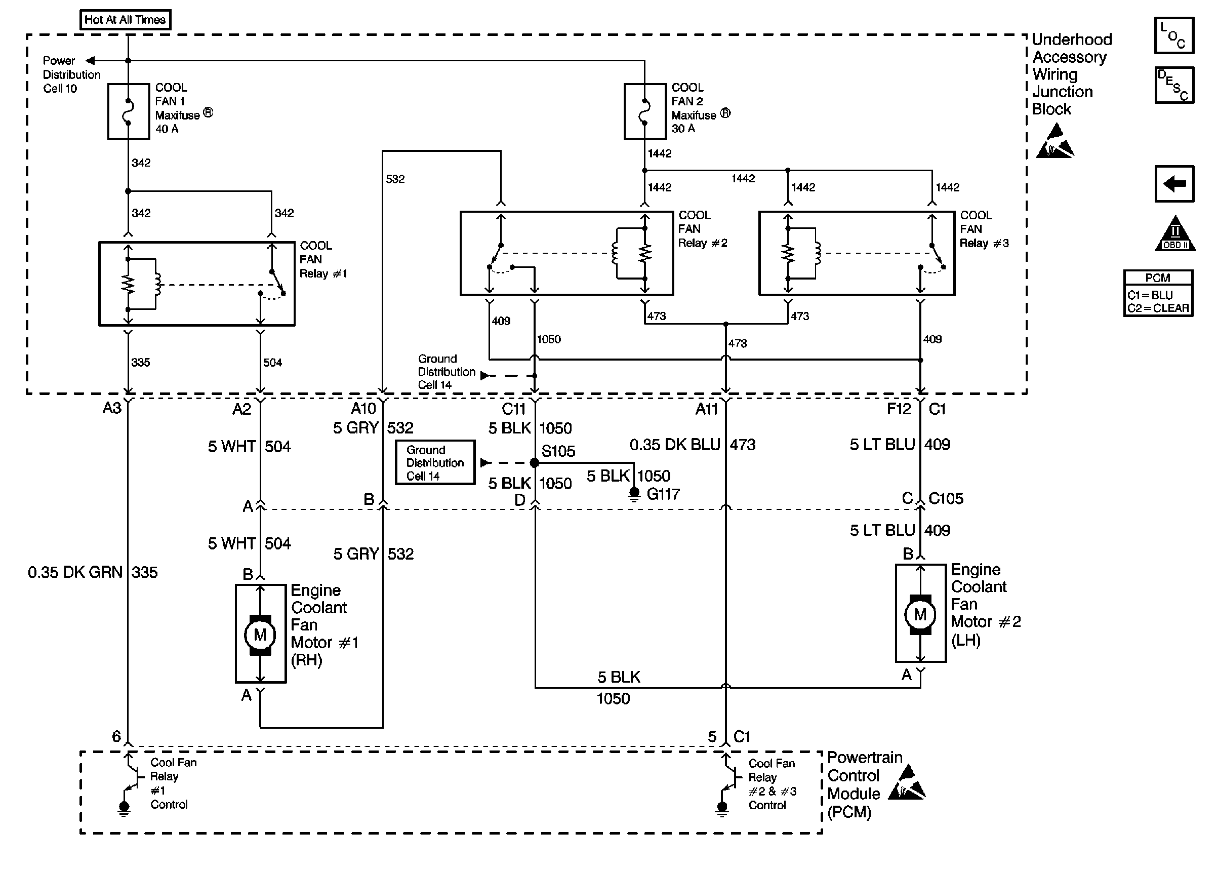
🢒 Cooling Fans Controls
Cooling Fans Controls
Cooling Fans Controls
Cell 10: Underhood Accessory Wiring Junction Block
Cell 14: LX5 Engine Ground G117
Cell 14: LX5 Engine Ground G117
Handling ESD Sensitive Parts Notice
Handling ESD Sensitive Parts Notice
A/C Compressor Controls
Engine Controls Components
Powertrain Control Module Connector End Views
Powertrain Control Module Description
Handling ESD Sensitive Parts Notice