GM Service Manual Online
For 1990-2009 cars only

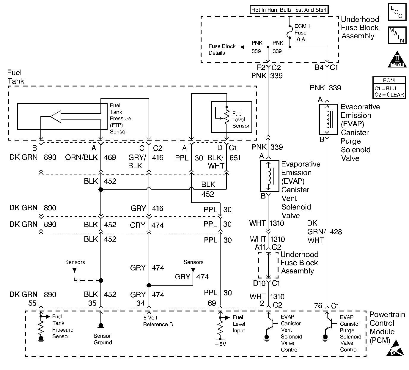
Object Number: 293692  Size: LF
Fuel Tank, FTP Sensor, Fuel Pump
Engine Controls Components
OBD II Symbol Description Notice
ESD Notice

Circuit Description

Ignition Voltage is supplied directly to the EVAP Purge solenoid valve. The PCM controls the solenoid by grounding the control circuit via an internal solid state device called a driver. The primary function of the driver is to supply the ground for the component being controlled. Each driver has a fault line which is monitored by the PCM. When the PCM is commanding a component on, the voltage of the control circuit should be low (near 0 volts). When the PCM is commanding the control circuit to a component off, the voltage potential of the circuit should be high (near battery voltage). If the fault detection circuit senses a voltage other than what is expected, this DTC will set.

The PCM will monitor the control circuit for the following:

    • A short to ground
    • A short to voltage
    • An open circuit
    • An open solenoid
    • An internally shorted or excessively low resistance solenoid.

When the PCM detects any of the above malfunctions, this DTC will set and the affected driver will be disabled.

Conditions for Running the DTC

    • The ignition voltage is between 9-18 volts.
    • The engine speed is more than 80 RPM.
    • The PCM driver transitions from ON to OFF or from OFF to ON.

Conditions for Setting the DTC

    • A short to ground, an open circuit, or a short to battery voltage is detected on the control circuit.
    • The condition is present for at least 30 seconds.

Action Taken When the DTC Sets

    • The PCM illuminates the malfunction indicator lamp (MIL) on the second consecutive ignition cycle that the diagnostic runs and fails.
    • The PCM records the operating conditions at the time the diagnostic fails. The first time the diagnostic fails, the PCM stores this information in the Failure Records. If the diagnostic reports a failure on the second consecutive ignition cycle, the PCM records the operating conditions at the time of the failure. The PCM writes the conditions to the Freeze Frame and updates the Failure Records.

Conditions for Clearing the MIL/DTC

    • The PCM turns the MIL Off after three consecutive drive trips that the diagnostic runs and does not fail.
    • A last test failed (current DTC) clears when the diagnostic runs and does not fail.
    • A History DTC clears after forty consecutive warm-up cycles, if this or any other emission related diagnostic does not report any failures.
    • Use a scan tool in order to clear the MIL/DTC.
    • Interrupting the PCM battery voltage may or may not clear DTCs. This practice is not recommended. Refer to Powertrain Control Module (PCM) Description , Clearing Diagnostic Trouble Codes.

Diagnostic Aids

Notice: Use the connector test adapter kit J 35616-A for any test that requires probing the following items:

   • The PCM harness connectors
   • The electrical center fuse/relay cavities
   • The component terminals
   • The component harness connector
Using this kit will prevent damage caused by the improper probing of connector terminals.

If the problem is intermittent, refer to Intermittent Conditions .

Test Description

The number(s) below refer to the step numbers on the diagnostic table.

  1. Listen for an audible click when the solenoid operates. Repeat the commands as necessary.

  2. This check can detect a partially shorted coil which would cause excessive current flow. Leaving the circuit energized for 2 minutes allows the coil to warm up. When warm, the coil may open (Amps drop to 0), or short (goes above 0.75 Amp).

  3. If no trouble is found in the control circuit or the connection at the PCM, the PCM may be damaged, however, this is an extremely unlikely failure.

Step

Action

Value(s)

Yes

No

1

Did you perform the Powertrain On-Board Diagnostic (OBD) System check?

--

Go to Step 2

Go to Powertrain On Board Diagnostic (OBD) System Check

2

  1. Turn the key to On, with the engine off.
  2. Command the solenoid on and off with the scan tool.

Does the solenoid turn on and off with each command?

--

Go to Step 3

Go to Step 5

3

  1. Turn the key to Off.
  2. Disconnect the PCM.
  3. Turn the key to On.
  4. Measure current from the solenoid control circuit in the PCM harness connector to ground for 2 minutes using the DMM J 39200 on 10 Amp scale.

Does the current draw stay within the range shown?

0.1-0.75 A

Refer to Diagnostic Aids

Go to Step 4

4

  1. Turn the key to Off.
  2. Disconnect the solenoid.
  3. Measure the resistance from the solenoid control circuit in the PCM harness connector to ground with the DMM J 39200 .

The DMM should display an infinite resistance.

Does the DMM display an infinite resistance?

--

Go to Step 11

Go to Step 9

5

  1. Turn the key to Off.
  2. Disconnect the solenoid.
  3. Connect test light J 34142-B between the terminals in the harness connector.
  4. Turn the key to On.
  5. Command the solenoid on and off with the scan tool.

Does the test light turn on and off with each command?

--

Go to Step 8

Go to Step 6

6

Probe the Ignition feed circuit in the solenoid harness connector with the test light connected to ground.

Does the test light illuminate?

--

Go to Step 7

Go to Step 10

7

  1. Turn the key to Off.
  2. Reconnect the solenoid.
  3. Disconnect the PCM.
  4. Turn the key to On.
  5. Probe the solenoid control circuit in the PCM harness connector with a fused jumper wire connected to ground.

Does the solenoid operate?

--

Go to Step 12

Go to Step 9

8

Check for poor connections/terminal tension at the solenoid harness connector. Refer to Intermittents and Poor Connections Diagnosis .

Was a problem found and corrected?

--

Go to Step 14

Go to Step 11

9

Repair the solenoid control circuit.

Is the action complete?

--

Go to Step 14

--

10

Repair the Ignition feed circuit to the solenoid.

Is the action complete?

--

Go to Step 14

--

11

Replace the solenoid.

Is the action complete?

--

Go to Step 14

--

12

Check for poor connections/terminal tension at the PCM harness connector. Refer to Intermittents and Poor Connections Diagnosis .

Was a problem found and corrected?

--

Go to Step 14

Go to Step 13

13

Replace the PCM. Refer to Powertrain Control Module Replacement/Programming .

Is the action complete?

--

Go to Step 14

--

14

  1. Clear the DTCs with the scan tool.
  2. Turn the key to Off and wait 15 seconds.
  3. Operate the vehicle within the conditions that are required for this diagnostic to run. Refer to Conditions for Running the DTC.

Does the scan tool indicate that this test ran and passed?

--

Go to Step 15

Go to Step 2

15

Review Captured Info using the scan tool.

Are there any DTCs that have not been diagnosed?

--

Go to the applicable DTC table

System OK