GM Service Manual Online
For 1990-2009 cars only

Removal Procedure

  1. Disconnect the negative battery cable. Refer to Battery Negative Cable Disconnection and Connection in Engine Electrical.
  2. Drain the cooling system. Refer to Cooling System Draining and Filling .
  3. Remove the air cleaner assembly. Refer to Air Cleaner Assembly Replacement in Engine Controls - 3.5L.
  4. Remove the throttle body. Refer to Throttle Body Assembly Replacement in Engine Controls - 3.5L.
  5. Remove the EGR outlet pipe. Refer to Exhaust Gas Recirculation Pipe Replacement in Engine Controls - 3.5L.

  6. Object Number: 601156  Size: SH
  7. If equipped with AIR, remove the vacuum hose (3) from the AIR shut-off valve.

  8. Object Number: 650768  Size: SH
  9. If equipped with AIR, remove the AIR shut-off valve fasteners.

  10. Object Number: 601175  Size: SH
  11. If equipped with AIR, remove the AIR shut-off valve bracket bolts (2).
  12. If equipped with AIR, remove the AIR shut-off valve from the bracket and the manifold pipe.
  13. If equipped with AIR, clean the AIR shut-off valve gasket mating surfaces.
  14. Install the engine support fixture. Refer to Engine Support Fixture in Engine Mechanical - 3.5L.
  15. Raise and support the vehicle. Refer to Lifting and Jacking the Vehicle in General Information.
  16. Remove the transmission filler tube. Refer to Transmission Fluid Filler Tube Replacement in Automatic Transaxle - 4T65-E.
  17. Remove the catalytic converter. Refer to Catalytic Converter Replacement in Engine Exhaust.
  18. Remove the EGR inlet pipe from the right exhaust manifold. Refer to Exhaust Gas Recirculation Pipe Replacement in Engine Controls - 3.5L.
  19. Remove the frame assembly. Refer to Frame Replacement in Frame and Underbody.

  20. Object Number: 601190  Size: SH
  21. If equipped with AIR, remove the AIR crossover pipe bolt (3).
  22. If equipped with AIR, remove the AIR crossover pipe nut.
  23. Important: DO NOT remove the right exhaust manifold from the vehicle.

  24. Remove the right exhaust manifold from the right cylinder head and the left exhaust manifold. Position the manifold aside. Refer to Exhaust Manifold Replacement in Engine Mechanical - 3.5L
  25. Lower the vehicle.
  26. Remove the EGR valve and the EGR heat shield. Refer to Exhaust Gas Recirculation Valve Replacement in Engine Controls - 3.5L.
  27. Remove the radiator inlet hose from the coolant crossover. Refer to Radiator Inlet Hose Replacement .
  28. Remove the heater inlet hose from the coolant crossover. Refer to Heater Hoses Replacement in Heating, Ventilation and Air Conditioning.
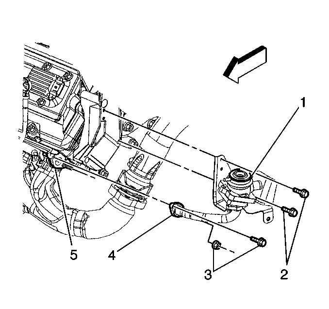
  29. Remove the throttle body coolant hose from the coolant crossover.

  30. Object Number: 263962  Size: SH
  31. Remove the coolant crossover bolts (1-6).

  32. Object Number: 234309  Size: SH
  33. Remove the coolant crossover.
  34. Remove the coolant crossover gaskets.
  35. Clean and inspect the coolant crossover gasket mating surfaces.

Installation Procedure


    Object Number: 483177  Size: SH
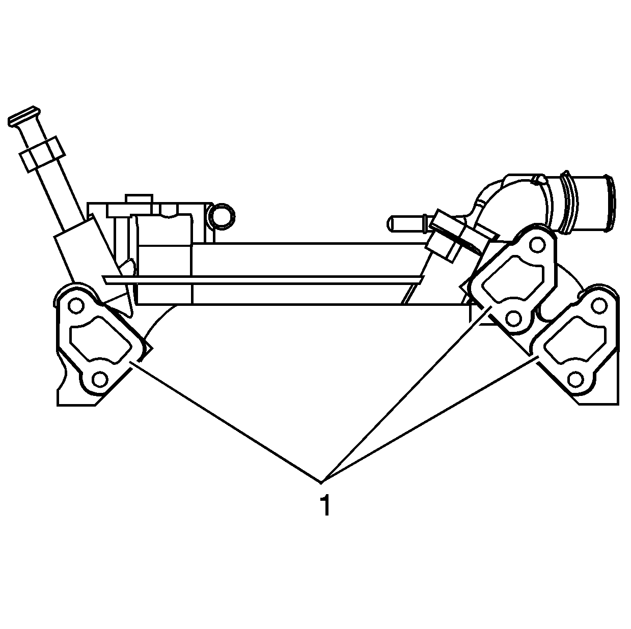
  1. Install the new coolant crossover gaskets (1).

  2. Object Number: 234309  Size: SH
  3. Install the coolant crossover.
  4. Notice: Use the correct fastener in the correct location. Replacement fasteners must be the correct part number for that application. Fasteners requiring replacement or fasteners requiring the use of thread locking compound or sealant are identified in the service procedure. Do not use paints, lubricants, or corrosion inhibitors on fasteners or fastener joint surfaces unless specified. These coatings affect fastener torque and joint clamping force and may damage the fastener. Use the correct tightening sequence and specifications when installing fasteners in order to avoid damage to parts and systems.


    Object Number: 263962  Size: SH
  5. Install the coolant crossover bolts (1-6).
  6. Tighten
    Tighten the bolts in sequence to 25 N·m (18 lb ft).

  7. Install the throttle body coolant hose to the coolant crossover.
  8. Install the heater inlet hose to the coolant crossover. Refer to Heater Hoses Replacement in Heating, Ventilation and Air Conditioning.
  9. Install the radiator inlet hose to the coolant crossover. Refer to Radiator Inlet Hose Replacement .
  10. Install the EGR heat shield and the EGR valve. Refer to Exhaust Gas Recirculation Valve Replacement in Engine Controls - 3.5L.
  11. Raise the vehicle.
  12. Install the right exhaust manifold to the right cylinder head and the left exhaust manifold. Refer to Exhaust Manifold Replacement in Engine Mechanical-3.5L.

  13. Object Number: 601190  Size: SH
  14. If equipped with AIR, install the AIR crossover pipe nut.
  15. Tighten
    Tighten the nut to 25 N·m (18 lb ft).

  16. If equipped with AIR, install the AIR crossover pipe bolt (3).
  17. Tighten
    Tighten the bolt to 9 N·m (80 lb in).

  18. Install the frame assembly. Refer to Frame Replacement in Frame and Underbody.
  19. Install the EGR inlet pipe to the right exhaust manifold. Refer to Exhaust Gas Recirculation Pipe Replacement in Engine Controls - 3.5L.
  20. Install the catalytic converter. Refer to Catalytic Converter Replacement in Engine Exhaust.
  21. Install the transmission filler tube. Refer to Transmission Fluid Filler Tube Replacement in Automatic Transaxle - 4T65-E.
  22. Lower the vehicle.
  23. Remove the engine support fixture.

  24. Object Number: 601175  Size: SH
  25. If equipped with AIR, install the AIR shut-off valve bracket, the gasket, and the valve to the manifold pipe.
  26. If equipped with AIR, install the AIR shut-off valve bracket bolts (2).
  27. Tighten
    Tighten the bolts to 10 N·m (89 lb in).


    Object Number: 650768  Size: SH
  28. If equipped with AIR, install the AIR shut-off valve fasteners.
  29. Tighten
    Tighten the fasteners to 9 N·m (80 lb in).


    Object Number: 601156  Size: SH
  30. If equipped with AIR, install the vacuum hose (3) to the AIR shut-off valve.
  31. Install the EGR outlet pipe. Refer to Exhaust Gas Recirculation Pipe Replacement in Engine Controls - 3.5L.
  32. Install the throttle body. Refer to Throttle Body Assembly Replacement in Engine Controls - 3.5L.
  33. Install the air cleaner assembly. Refer to Air Cleaner Assembly Replacement in Engine Controls - 3.5L.
  34. Connect the negative battery cable. Refer to Battery Negative Cable Disconnection and Connection in Engine Electrical.
  35. Fill the cooling system. Refer to Cooling System Draining and Filling .
  36. Inspect the exhaust and the cooling systems for leaks.