GM Service Manual Online
For 1990-2009 cars only
Makes
🢒
Oldsmobile
🢒
2000
🢒
Intrigue
🢒
HVAC
🢒
HVAC Systems - Manual
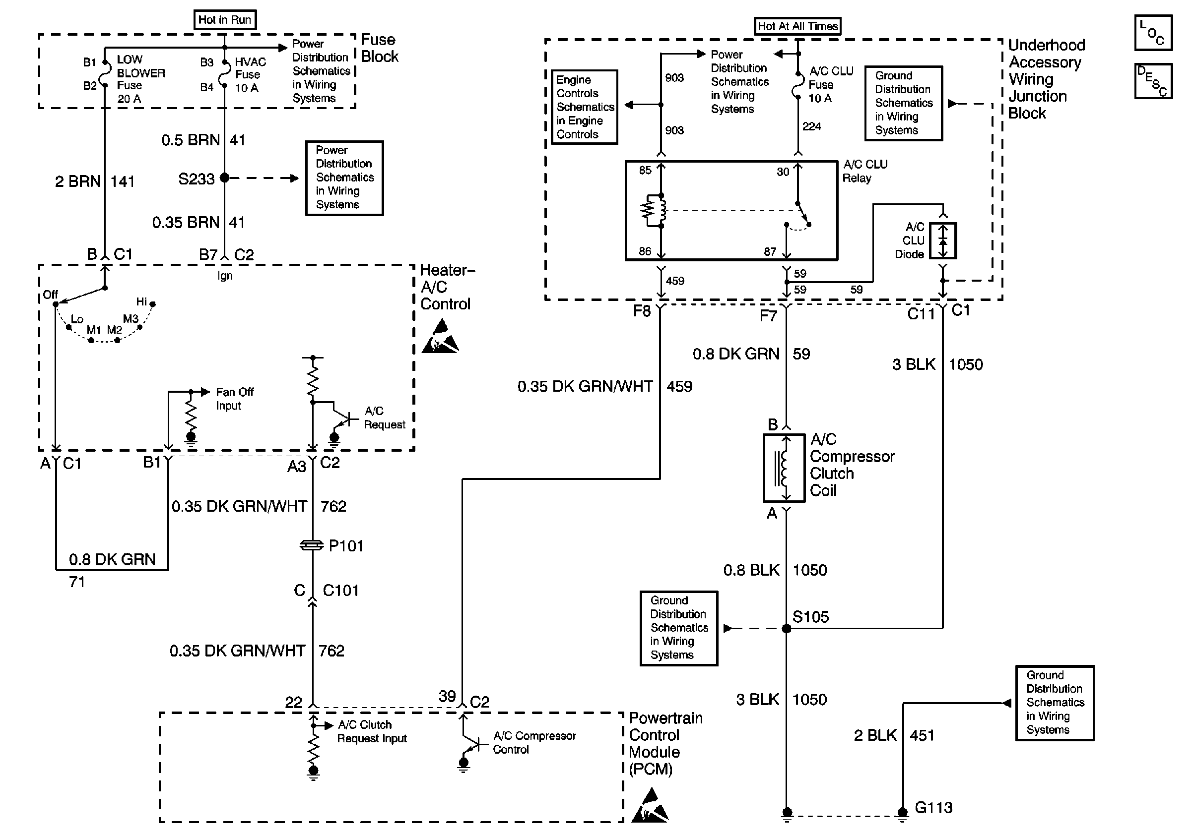
🢒 HVAC Compressor Control Schematics
HVAC Components
HVAC Compressor Controls Circuit Description
Heater A/C Control C67
BLOWER CONTROLS C67
Low Blower, Cruise and HVAC Fuses
Low Blower, Cruise and HVAC Fuses
A/C Pressure Switch, TPS, MAP, ECT and IAT
Rear Cmpt Rel, ECM, GEN, Fog Lamps, Fuel Pump, A/C Clutch and Horn FusEs
Ground G117
Ground G117
Ground G117