GM Service Manual Online
For 1990-2009 cars only
Makes
🢒
Oldsmobile
🢒
2000
🢒
Intrigue
🢒
Body and Accessories
🢒
Doors
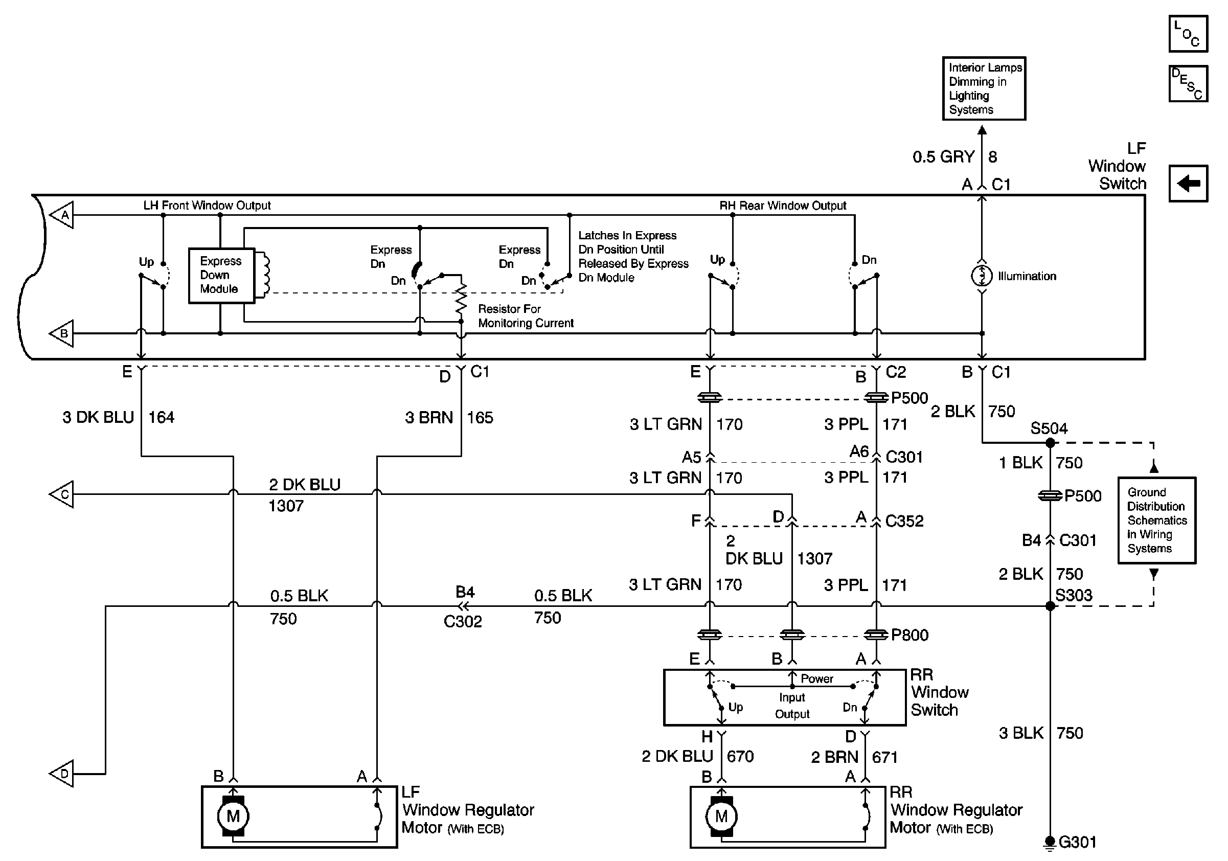
🢒 Power Window Schematics
Figure
1:
Power Feed and Actuators
Sunroof
Ground Feed and Actuators
Ground Feed and Actuators
Ground Feed and Actuators
Ground Feed and Actuators
Sunshade Mirror Lamps, Rear View Mirror Lamp and Roof Rail Courtesy/Reading Lamp
Ground G301 1 of 3
Power Door Systems Components
Power Windows Circuit Description
Ground Feed and Actuators
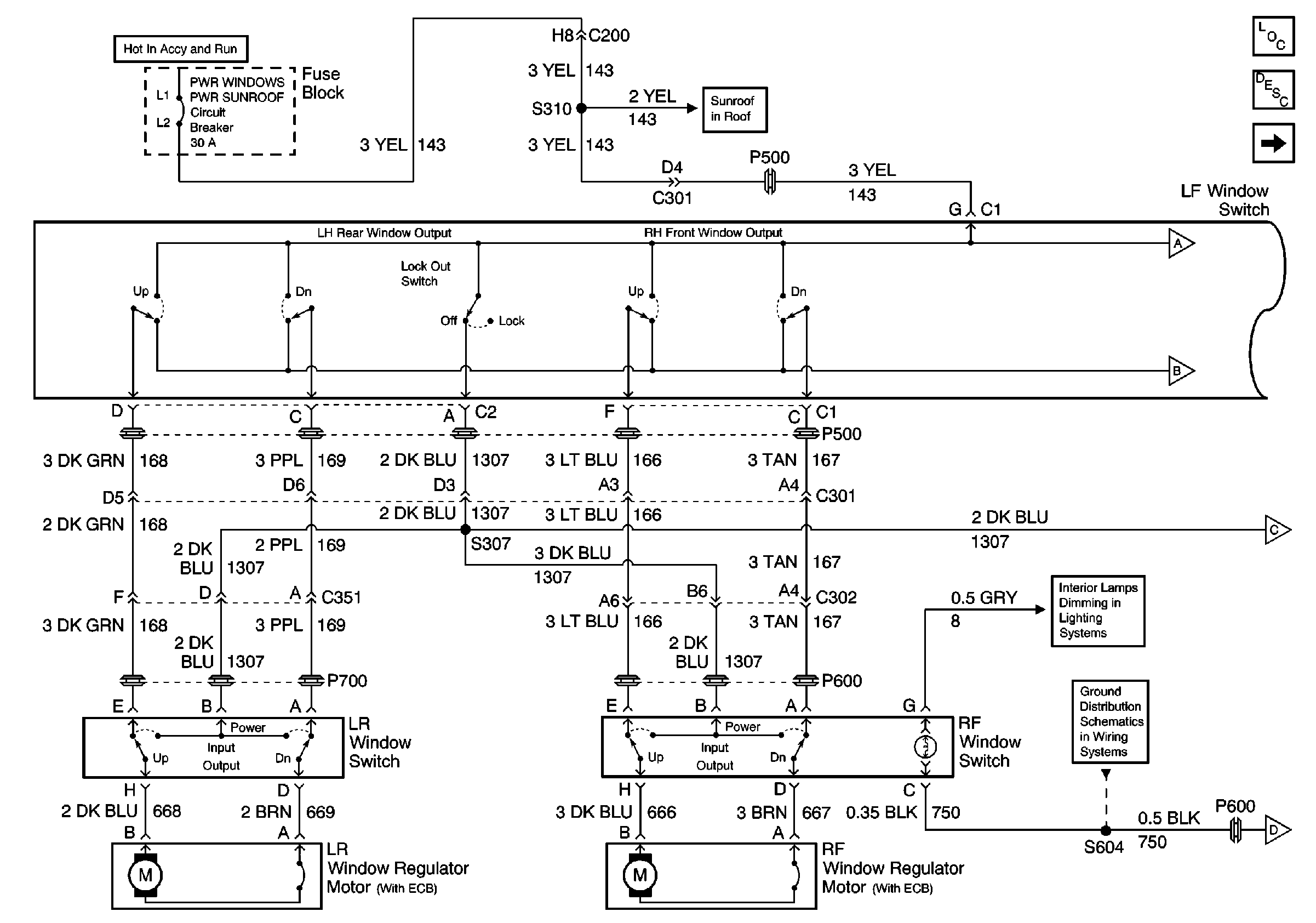
Figure
2:
Ground Feed and Actuators
Power Feed and Actuators
Power Feed and Actuators
Power Feed and Actuators
Power Feed and Actuators
Sunshade Mirror Lamps, Rear View Mirror Lamp and Roof Rail Courtesy/Reading Lamp
Ground G301 1 of 3
Power Door Systems Components
Power Feed and Actuators