GM Service Manual Online
For 1990-2009 cars only
Makes
🢒
Oldsmobile
🢒
2000
🢒
Intrigue
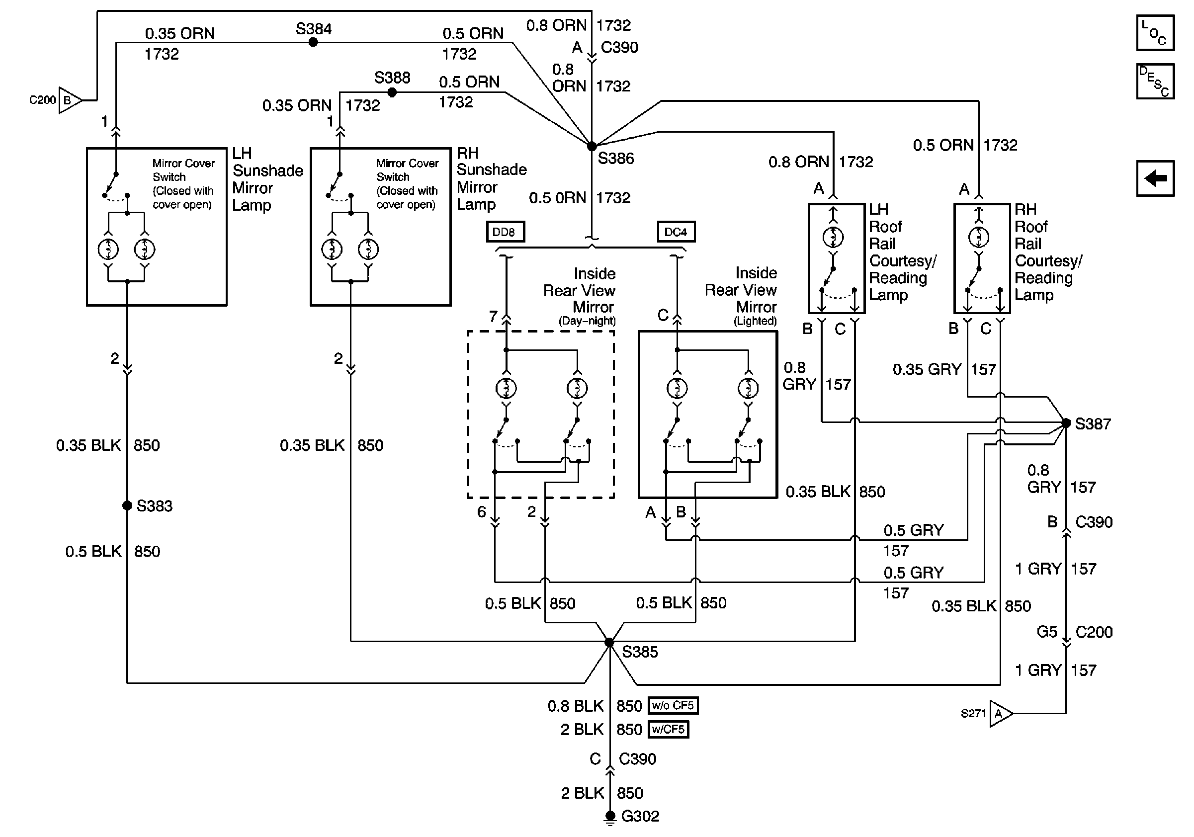
🢒 Sunshade Mirror Lamps, Rear View Mirror Lamp and Roof Rail Courtesy/Reading Lamp
Sunshade Mirror Lamps, Rear View Mirror Lamp and Roof Rail Courtesy/Reading Lamp
Sunshade Mirror Lamps, Rear View Mirror Lamp and Roof Rail Courtesy/Reading Lamp
BCM, I/P Compartment Lamp Switch Lamp, Rear Compartment and I/P Courtesy Lamps
BCM, I/P Compartment Lamp Switch Lamp, Rear Compartment and I/P Courtesy Lamps
Lighting Systems Components
Interior Lights Circuit Description
BCM, I/P Compartment Lamp Switch Lamp, Rear Compartment and I/P Courtesy Lamps