GM Service Manual Online
For 1990-2009 cars only
Makes
🢒
Oldsmobile
🢒
2000
🢒
Intrigue
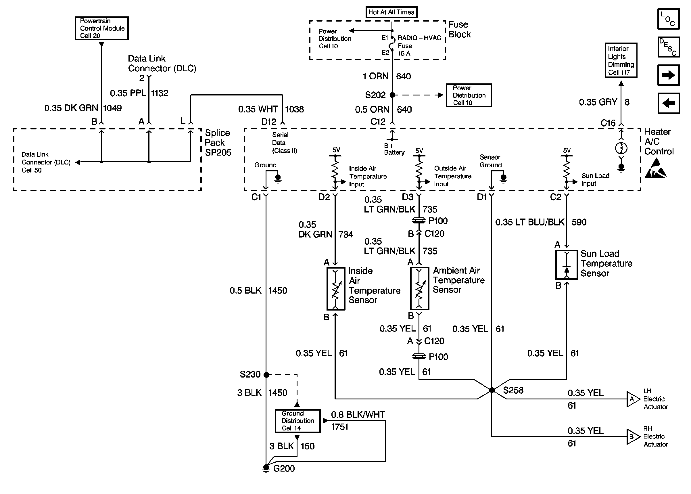
🢒 Cell 68: Power Distribution, Ground Distribution, Heater A/C Control, Serial Data and Sensor Inputs
Cell 68: Power Distribution, Ground Distribution, Heater A/C Control, Serial Data and Sensor Inputs
Cell 68: Power Distribution, Ground Distribution, Heater A/C Control, Serial Data and Sensor Inputs
Powertrain Control Module Controlled Air Conditioning Description
Data Link Connector Schematics
Cell 10: Battery, Generator, EBTCM, and Underhood Accessory Wiring Junction Block
Cell 10: Battery, Generator, EBTCM, and Underhood Accessory Wiring Junction Block
Cell 117: Power, Instrument Cluster, Headlamp Switch, Steering Wheel Control Switch,
Handling Electrostatic Discharge Sensitive Parts Notice
Cell 14: Forward Lamp Grounds G101, and G102
Cell 68: Power Distribution, Heater A/C Control, LH and RH Electric Actuators
HVAC Components
HVAC Air Delivery/Temperature Control Circuit Description
Cell 68: Power Distribution, Heater A/C Control, LH and RH Electric Actuators
Cell 67